电脑桌面
添加小米粒文库到电脑桌面
安装后可以在桌面快捷访问

扶梯施工方案

扶梯施工方案_第1页
1/8
扶梯施工方案_第2页
2/8
扶梯施工方案_第3页
3/8
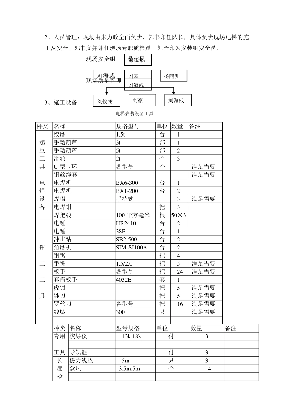
龙威汽贸城项目自动扶梯安装工程施工方案编制:刘振兴审核:李俊华批准:徐 涛龙威汽贸城项目电梯施工方案1 工程概况1.1 开发商:河南省龙威企业资讯管理有限公司1.2 项目名称:河南省龙威企业资讯管理有限公司1.3 位置:新郑市龙湖镇祥云路西段 1.4 设备型号、数量LE 2 台二、编制依据根据有关制度、法规及管理要求,方案编制分为两部分:施工质量标准和施工现场管理。三、 安装施工质量标准:依据《电梯制造与安装安全规范》(GB7588-2003)《电梯安装验收规范》(GB10060-1993)《电梯工程验收规范》(GB50310-2003),同时参照通快电梯公司《扶梯安装工艺》相关厂标要求进行施工。四、施工现场管理:根据《特种设备安全监管条例》《机电类特种设备安装改造维修许可规则》及公司有关制度规定,进场前各安装小组要签订劳动合同,确定质量安全责任人,确保人员持证上岗,在施工前依据有关规定向当地技监部门报开工,并向安全监察部门备案,施工中要遵守工地规章制度及公司各项要求制度,具体如下:1、现场管理流程图。获取合同了解现场情况否符合要求安排处理是确定人员制订施工方案报 开 工准 备 施 工施工施 工 记 录单项工程检验调试公 司 验 收整改合格技术监督局验收整改合格整理资料交工2、人员管理:现场由朱力政全面负责,郭书印任队长,具体负责现场电梯的施工及安全。郭书义并兼任现场专职质检员。郭全印为安装组安全员。现场安全组桑建民郑斌伟刘豪刘海威现场质量管理杨随洲刘海威刘豪刘海威3、施工设备刘俊龙电梯安装设备工具种类名称绞磨起手动葫芦重手动葫芦工滑轮具U 型卡环钢丝绳套电电焊机焊电焊机设焊帽备电焊钳焊把线电锤电锤冲击钻钳角磨机钢锯工手锤板手工套筒板手虎钳具锉刀罗丝刀线坠规格型号1.5t3t5t2t各型号单位 数量台1部1部2个3个备注满足需要满足需要BX6-300BX1-200手持式台1台23满足需要把3100 平方毫米根50×3HR2410台238E台1SB2-500台2SIM-SJ100A台2把41.5/2.0把5满足需要各型号把24满足需要4032E套1把5满足需要把5满足需要各型号把16满足需要300只满足需要种类 名称专用 校导仪型号规格13k 18k单位付数量3备注工具长度检导轨锉磁力线坠盒尺5m3.5m,5m付只个334测钢板尺50150mm只6工水平尺600把3具墨盒10m只3万用表块3偏口钳把3电尖嘴钳把63剥线钳把3工电笔只3工电烙铁150w把3线号笔把具电工刀多功能把主要检测设备仪器、仪表序名型号数生产完好号称规格量厂家状况1多功能声SK-4011长沙...

1、当您付费下载文档后,您只拥有了使用权限,并不意味着购买了版权,文档只能用于自身使用,不得用于其他商业用途(如 [转卖]进行直接盈利或[编辑后售卖]进行间接盈利)。
2、本站所有内容均由合作方或网友上传,本站不对文档的完整性、权威性及其观点立场正确性做任何保证或承诺!文档内容仅供研究参考,付费前请自行鉴别。
3、如文档内容存在违规,或者侵犯商业秘密、侵犯著作权等,请点击“违规举报”。

碎片内容

扶梯施工方案

确认删除?
VIP
微信客服
  • 扫码咨询
会员Q群
  • 会员专属群点击这里加入QQ群
客服邮箱
回到顶部