电脑桌面
添加小米粒文库到电脑桌面
安装后可以在桌面快捷访问

护坡工程评定表

护坡工程评定表_第1页
1/10
护坡工程评定表_第2页
2/10
护坡工程评定表_第3页
3/10
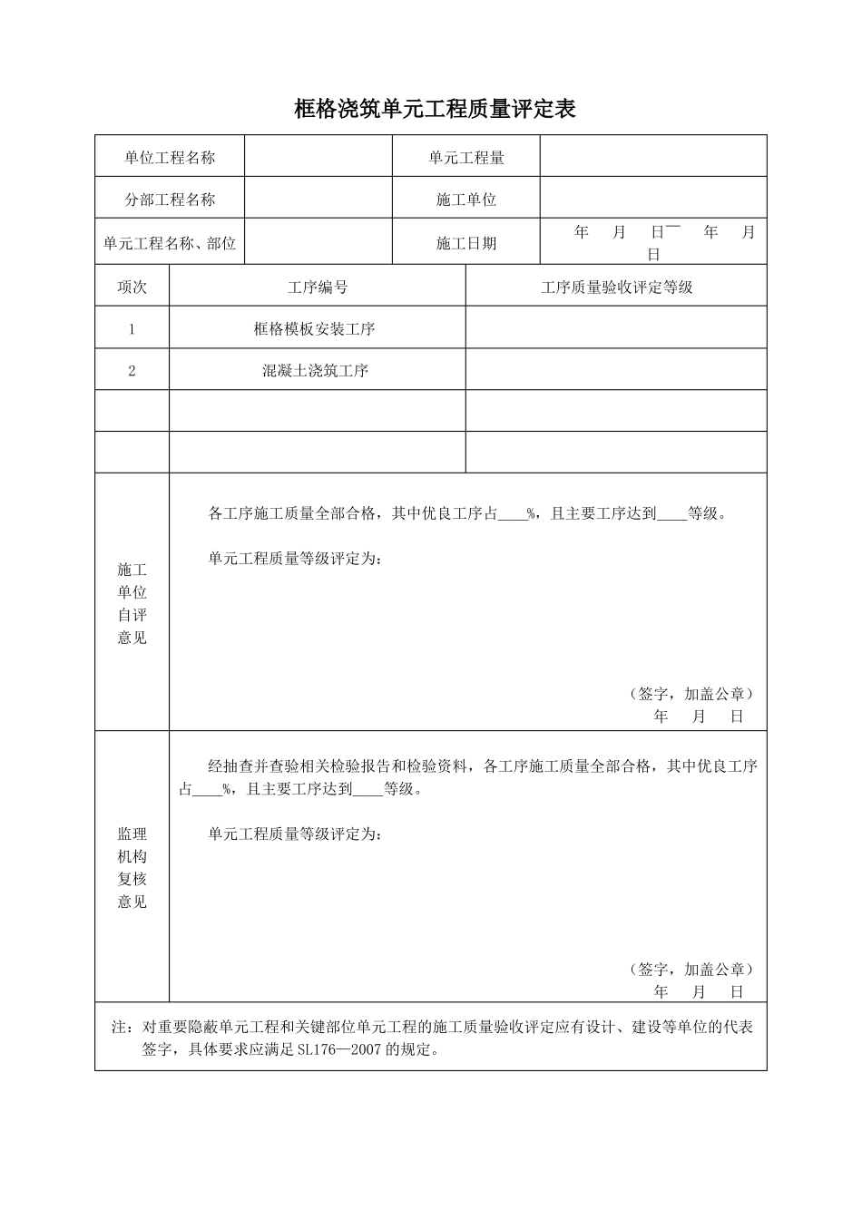
粗砂垫层单元工程质量评定表单位工程名称分部工程名称单元工程名称、部位项次主1控项2目一1般项2目检验项目砂料级配粗砂垫层厚度垫层基面平整度垫层基面坡度单元工程量施工单位施工日期质量标准符合设计要求允许偏差为±15%设计厚度符合设计要求符合设计要求年月日~年月日检査(测)记录合格数合格率施工单位自评意见主控项目检验结果全部符合验收评定标准,一般项目逐项检验点的合格率为__%。单元工程质量等级评定为:(签字,加盖公章)年月日经抽检并查验相关检验报告和检验资料,主控项目检验结果全部符合验收评定标准,一般项目逐项检验点的合格率为__%。监理单元工程质量等级评定为:机构复核意见(签字,加盖公章)年月日注:关键部位单元工程和重要隐蔽单元工程的施工质量验收评定应有设计、建设等单位的代表签字,具体要求应满足 SL176—2007 规定。碎石垫层单元工程质量评定表单位工程名称分部工程名称单元工程名称、部位项次主1控项2目一1般项2目检验项目碎石级配碎石垫层厚度垫层基面平整度垫层基面坡度单元工程量施工单位施工日期质量标准符合设计要求允许偏差为±15%设计厚度符合设计要求符合设计要求年月日~年月日检査(测)记录合格数合格率施工单位自评意见主控项目检验结果全部符合验收评定标准,一般项目逐项检验点的合格率为__%。单元工程质量等级评定为:(签字,加盖公章)年月日经抽检并查验相关检验报告和检验资料,主控项目检验结果全部符合验收评定标准,一般项目逐项检验点的合格率为__%。监理单元工程质量等级评定为:机构复核意见(签字,加盖公章)年月日注:关键部位单元工程和重要隐蔽单元工程的施工质量验收评定应有设计、建设等单位的代表签字,具体要求应满足 SL176—2007 规定。框格浇筑单元工程质量评定表单位工程名称分部工程名称单元工程名称、部位项次12工序编号框格模板安装工序混凝土浇筑工序单元工程量施工单位施工日期年月日~年月日工序质量验收评定等级施工单位自评意见各工序施工质量全部合格,其中优良工序占__%,且主要工序达到__等级。单元工程质量等级评定为:(签字,加盖公章)年月日经抽查并查验相关检验报告和检验资料,各工序施工质量全部合格,其中优良工序占__%,且主要工序达到__等级。单元工程质量等级评定为:(签字,加盖公章)年月日监理机构复核意见注:对重要隐蔽单元工程和关键部位单元工程的施工质量验收评定应有设计、建设等单位的代表签字,具体要求...

1、当您付费下载文档后,您只拥有了使用权限,并不意味着购买了版权,文档只能用于自身使用,不得用于其他商业用途(如 [转卖]进行直接盈利或[编辑后售卖]进行间接盈利)。
2、本站所有内容均由合作方或网友上传,本站不对文档的完整性、权威性及其观点立场正确性做任何保证或承诺!文档内容仅供研究参考,付费前请自行鉴别。
3、如文档内容存在违规,或者侵犯商业秘密、侵犯著作权等,请点击“违规举报”。

碎片内容

护坡工程评定表

您可能关注的文档

确认删除?
VIP
微信客服
  • 扫码咨询
会员Q群
  • 会员专属群点击这里加入QQ群
客服邮箱
回到顶部