电脑桌面
添加小米粒文库到电脑桌面
安装后可以在桌面快捷访问

《钢筋焊接及验收规程》JGJ182003VIP专享

《钢筋焊接及验收规程》JGJ182003_第1页
1/21
《钢筋焊接及验收规程》JGJ182003_第2页
2/21
《钢筋焊接及验收规程》JGJ182003_第3页
3/21
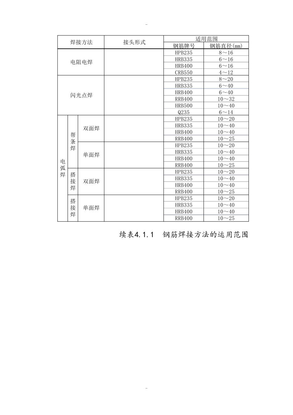
- - 《钢筋焊接及验收规程》 JGJ18-2003 3.0.3 电弧焊所采用的焊条,应符合现行国家标准《碳钢焊条》GB/T5117 或《低合金钢焊条》 GB/T5118 的规定, 其型号应根据设计确定; 若设计无规定时, 可按表 表 3.0.3 钢筋电弧焊焊条型号 钢筋牌号 电弧焊接头形式 帮条焊 搭接焊 坡口焊 溶槽帮条焊 预埋件穿孔塞焊 窄间隙焊 钢筋与钢板搭接焊预预埋件T型角焊 HPB235 E4303 E4303 E4316 E4315 E4303 HRB335 E4303 E5003 E5016 E5015 E4303 HRB400 E5003 E5503 E6016 E6015 E5003 RRB400 E5003 E5503 — — 4.1.1 钢筋焊接时,各种焊接方法的适用范围应符合表 4.1.1 的规定。 表 4.1.1 钢筋焊接方法的运用范围 - - 钢筋牌号钢筋直径(mm)HPB2358~16HRB3356~16HRB4006~16CRB5504~12HPB2358~20HRB3356~40HRB4006~40RRB40010~32HRB50010~40Q2356~14HPB23510~20HRB33510~40HRB40010~40RRB40010~25HPB23510~20HRB33510~40HRB40010~40RRB40010~25HPB23510~20HRB33510~40HRB40010~40RRB40010~25HPB23510~20HRB33510~40HRB40010~40RRB40010~25搭接焊单面焊电弧焊搭接焊双面焊双面焊单面焊帮条焊适用范围电阻电焊闪光点焊焊接方法接头形式 续表4.1.1 钢筋焊接方法的运用范围 - - 钢筋牌号钢筋直径(mm)HPB23520HRB33520~40HRB40020~40RRB40020~25HPB23518~20HRB33518~40HRB40018~40RRB40018~25HPB23518~20HRB33518~40HRB40018~40RRB40018~25HPB2358~20HRB3358~40HRB4008~25HPB23516~20HRB33516~40HRB40016~40HPB2358~20HRB3356~25HRB4006~25HPB23520HRB33520~25HRB40020~25HPB23514~20HRB33514~32HRB40014~32HPB23514~20HRB33514~40HRB40014~40HPB2358~20HRB3356~25HRB4006~25气压焊预埋件钢筋埋弧压力焊角焊穿孔塞焊预埋件电弧焊电渣压力焊电弧焊适用范围熔槽帮条焊平焊平口焊焊接方法接头形式立焊钢筋与钢板搭 接 焊窄间隙焊 注:1 电阻电焊时,使用范围的钢筋直径系指2根不同直径钢筋交叉叠接中较小的钢筋直径; 2 当设计图纸规定对冷拔低碳钢丝焊接网进行电阻点焊,或对原RL540钢筋(Ⅳ级)进行闪光对焊时,可按本规程相关条款的规定实施; 3 钢筋闪光对焊含封闭环式箍筋闪光对焊。 4.3.2 连续闪光焊所能焊接的钢筋上限直径,应根据焊机- - 容量、钢筋牌号等具体情 况而定,并应符合表 4.3.2 的规定。 表 4.3.2 连续闪光...

1、当您付费下载文档后,您只拥有了使用权限,并不意味着购买了版权,文档只能用于自身使用,不得用于其他商业用途(如 [转卖]进行直接盈利或[编辑后售卖]进行间接盈利)。
2、本站所有内容均由合作方或网友上传,本站不对文档的完整性、权威性及其观点立场正确性做任何保证或承诺!文档内容仅供研究参考,付费前请自行鉴别。
3、如文档内容存在违规,或者侵犯商业秘密、侵犯著作权等,请点击“违规举报”。

碎片内容

《钢筋焊接及验收规程》JGJ182003

确认删除?
VIP
微信客服
  • 扫码咨询
会员Q群
  • 会员专属群点击这里加入QQ群
客服邮箱
回到顶部