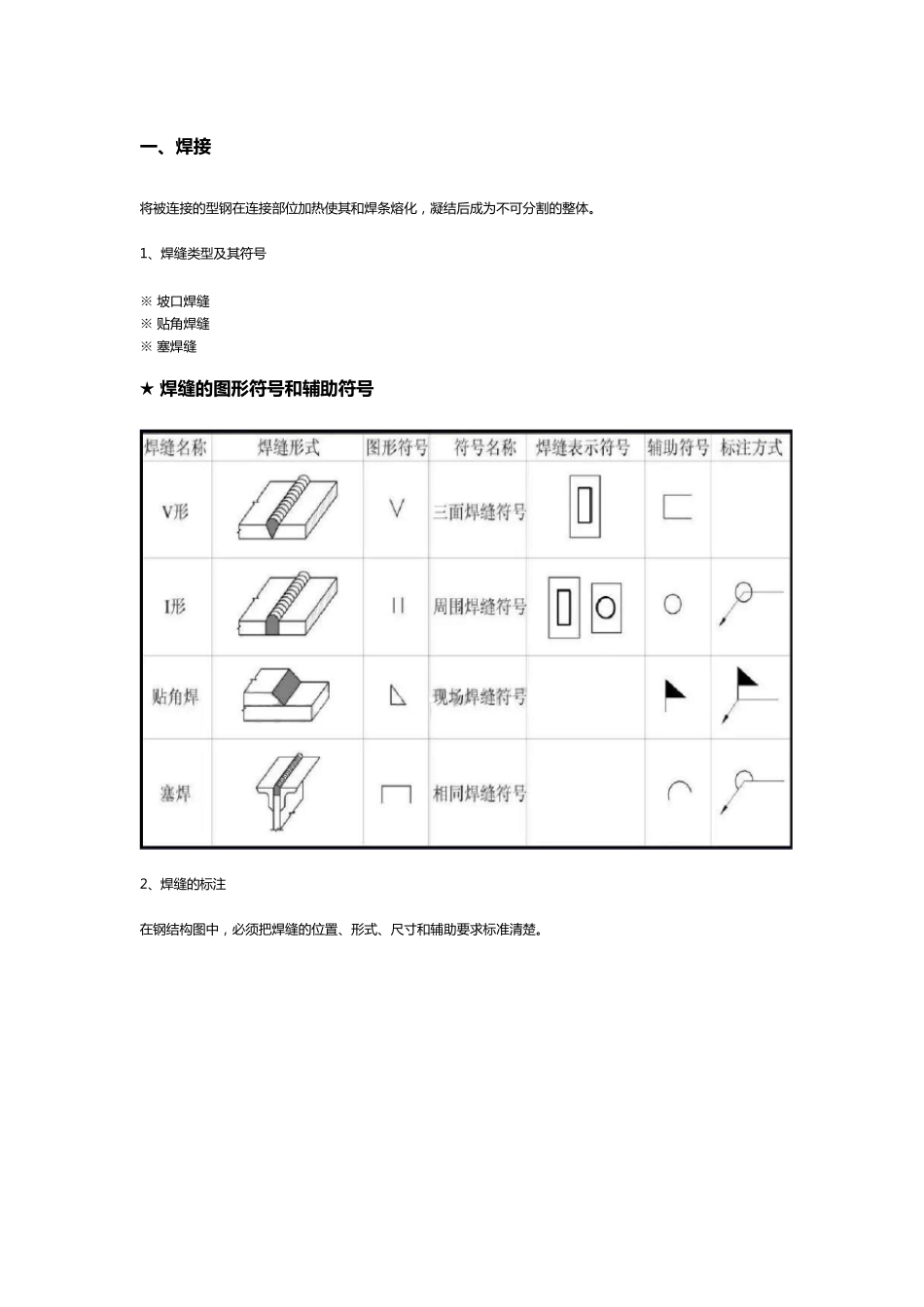
电脑桌面
添加小米粒文库到电脑桌面
安装后可以在桌面快捷访问

一分钟看懂钢结构图

一分钟看懂钢结构图_第1页
1/16
一分钟看懂钢结构图_第2页
2/16
一分钟看懂钢结构图_第3页
3/16
一 分 钟 看 懂 钢 结 构 图 ★ 钢 结 构 图 ※ 钢 结 构 由 型 钢 连 接 而 成 的 结 构 物 , 例 如 : 钢 梁 、钢 屋架、钢 塔架、钢 脚手架等。 ※ 钢 结 构 图 用来表示钢 结 构 的 图 样。 ※ 型 钢 型 钢 是由 钢 厂按照标准规格轧制而 成 的 钢 材, 其断面形状如 尺寸是定型 的 , 例 如 : 角钢 、工字钢 、槽钢 等。 ★ 型 钢 的 代 号 及 标 注 ★ 钢 结 构 中型 钢 的 连接方法 ※ 焊接 ※ 铆接 ※ 螺栓连 接 一 、焊 接 将 被 连 接 的 型 钢 在 连 接 部 位 加 热 使 其 和 焊 条 熔 化 , 凝 结 后 成 为 不 可 分 割 的 整 体 。 1、焊 缝类型 及其 符号 ※ 坡口焊 缝 ※ 贴角焊 缝 ※ 塞焊 缝 ★ 焊 缝 的 图 形 符 号 和 辅 助 符 号 2、焊 缝的 标注 在 钢 结 构图中, 必须把焊 缝的 位 置、形式、尺寸和 辅助要求标准清楚。 ★ 焊 缝 的 标 注 方 法 ★ 焊 缝 不连续时的 画法 及标 注 当 焊 缝 分 布 不连续时,可见焊 缝 宜在焊 缝 处加中实线,不可见焊 缝 加细栅线 二 、铆 接 用 铆 钉 将 两 块 或 两 块 以 上 的 钢 板 连 接 在 一起 ★ 铆 接 分 类 ※ 工厂连 接 ※ 现场连 接 ★ 铆 钉 类 型 三 、螺 栓 连 接 ※ 焊 接 和 铆 接 都 是 不可拆卸的连接 ,螺栓连接 是 可拆卸的连接 ※ 连接 方法 ★ 螺 栓 、孔 、电 焊 铆 钉 图 例 钢 梁 结 构 图 概 述 钢 梁 常 用 于 大 、中跨度桥梁 中 钢 梁 的 种 类 ※ 钢 板梁 ※ 钢 桁梁 ★ 下承式简支栓焊梁 ★ 钢 梁 结 构 图 的 内容 ※ 设 计 轮 廓 图 ※ 节 点 图 ※ 杆 件图 ※ 零件图 ★ 设计轮廓图 ★ 节 点 图 ★ 节 点 构 造 图 ★ 拼 接 板 、填板 的拼 装 ★ 立 体图 ★ 节 点 板 详 图 ★ 杆 件 图 ★ 零 件图 钢屋架结构图 概述 ※ 钢 屋架 ※ 钢 屋 架 结 构 图 屋 架 简 图 、屋 架 详 图 ( 包 括 节 点 图 ) 、杆 件 详 图 、连 接 板 详 图 。 ★ 屋 架 简 图 ※ 屋 架 简 图 又 称 屋 架 示 意 图 、屋 架 杆 件 几 何 尺 寸 简 图 。 ※ 比 例 : 1: 100、1: 200 ※ 单 线 条 表 示 , 杆 件 长 度 直 接 注 在 单 线 条 旁 边 。 ★ 屋 架 详 图 ※ 图 样 : 立 面 图 , 上 弦 实 形 辅 助 投 影 , 剖 面 断 面 图 。 ※ 比 例 : 两 种 比 例 : 杆 件 轴 线 采 用 较 小 比 例 ( 1: 20, 1: 15) 节 点 板 、杆 件 、断 面 采 用 较 大 比 例 ( 1: 10, 1: 5) ※ 图 线 : 可 见 轮 廓 线 ——中实 线 不可 见 轮 廓 线 ——中虚线 ★ 杆 件拼接 ★ 支 座 节 点 图 ★ 屋 脊 节 点 图

1、当您付费下载文档后,您只拥有了使用权限,并不意味着购买了版权,文档只能用于自身使用,不得用于其他商业用途(如 [转卖]进行直接盈利或[编辑后售卖]进行间接盈利)。
2、本站所有内容均由合作方或网友上传,本站不对文档的完整性、权威性及其观点立场正确性做任何保证或承诺!文档内容仅供研究参考,付费前请自行鉴别。
3、如文档内容存在违规,或者侵犯商业秘密、侵犯著作权等,请点击“违规举报”。

碎片内容

一分钟看懂钢结构图

您可能关注的文档

确认删除?
VIP
微信客服
  • 扫码咨询
会员Q群
  • 会员专属群点击这里加入QQ群
客服邮箱
回到顶部