电脑桌面
添加小米粒文库到电脑桌面
安装后可以在桌面快捷访问

教学楼模板工程施工方案

教学楼模板工程施工方案_第1页
1/11
教学楼模板工程施工方案_第2页
2/11
教学楼模板工程施工方案_第3页
3/11
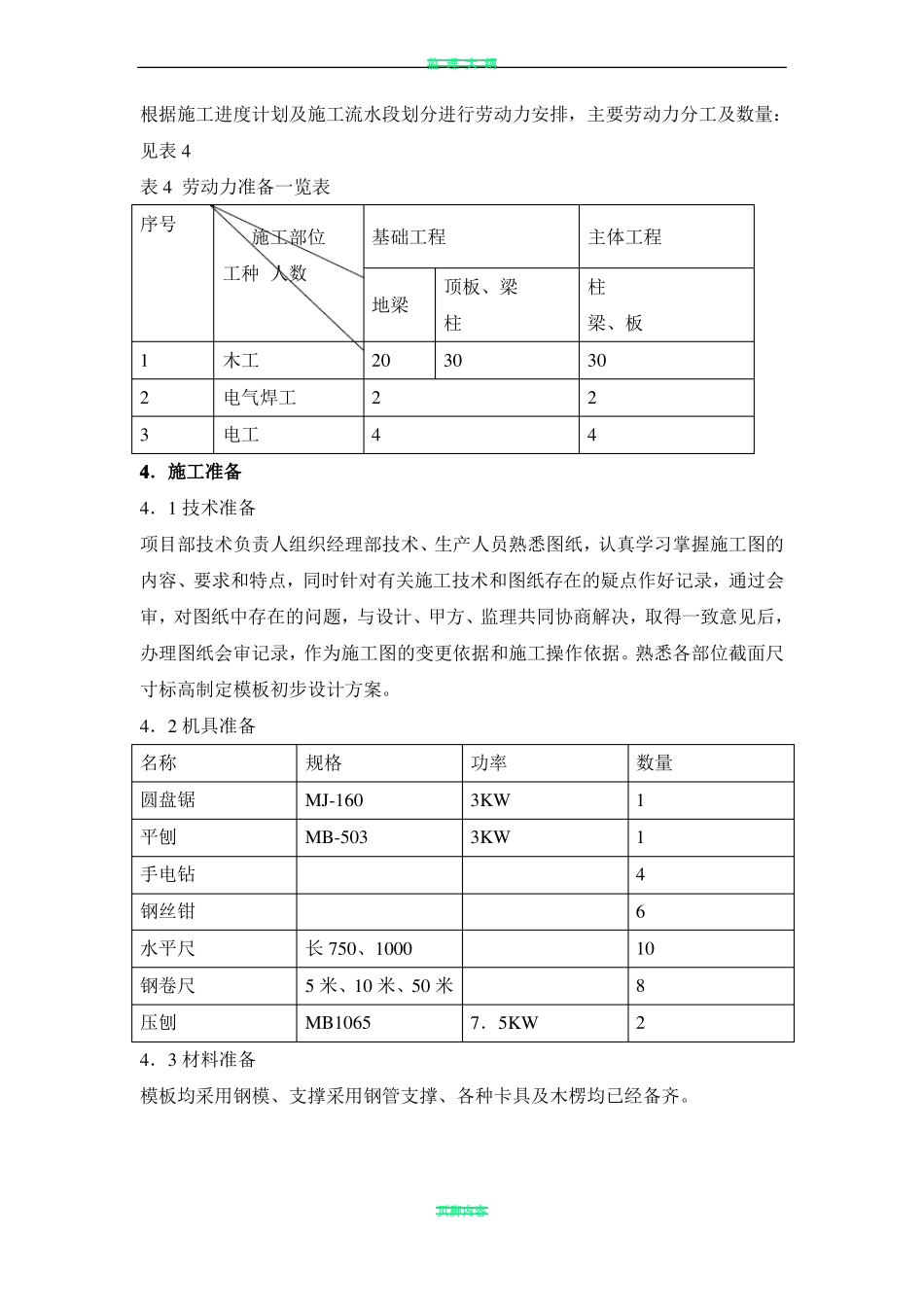
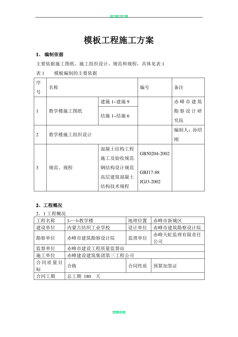
监 理 大 纲模板工程施工方案1、 编制依据主要依据施工图纸、施工组织设计、规范和规程,具体见表 1表 1模板编制的主要依据序号名称建施 1~建施 91教学楼施工图纸结施 1~结施 6编号备注赤 峰 市 建 筑勘 察 设 计 研究院混凝土结构工程施工及验收规范3规范、规程钢结构设计规范高层建筑混凝土结构技术规程2、工程概况2.1 工程概况工程名称1#—4#教学楼建设单位内蒙古纺织工业学校勘察单位监督单位施工单位合同质量目标合同工期赤峰市建筑勘察设计院地理位置设计单位赤峰市新城区赤峰市建筑勘察设计院赤峰天虹监理有限责任监理单位公司编制人:孙绍刚2教学楼施工组织设计GB50204-2002GBJ17-88JGJ3-2002赤峰市建设工程质量监督站赤峰建设建筑集团第三工程公司合格总工期 180天合同性质预算加签证页脚内容监 理 大 纲2.2 建筑设计概况总建筑面积层数15000四层3.6m教室、办公窗下墙为灰褐色防石材面砖,上部为乳胶漆外墙涂料。地面为铺地砖及花岗岩、脚线为板块石材、内墙及顶棚均为抹灰刷涂料SBS 卷材防水屋面㎡±0.00 高程层高功能外装修内装修屋面593.95m基础埋深7 m593.75m设 计 室 外 地建筑物总高度 15.3 m-0.45m坪最高点 19.35m2.3 结构设计概况耕土以粉土为主层厚 0.3~0.6 米左右;粉土层厚为 3.2—6.7 米地层土质情粉质粘土层厚 1.7—3.7 米;圆砾最大揭露深度 5.2 米况持力层圆砾层桩端土极限承载力 3300KPa基础型式桩基础结构形式砖混建筑场地类二类建筑结构安全等级二级别抗震设防类丙类施工质量控制等级B 级别抗震设防烈七度第一组地上为一类度混凝土环境类别设计使用年50 年地下为二类 B限3、施工安排3.1 施工部位及工期安排工期计划:基础工程自 2006 年 10 月 20 日至 2007 年 4 月 20 日主体结构自 2007 年 4 月 21 日至 6 月 30 日3.2 劳动组织及职责分工3.2.1 管理人员组织及职责分工:见图 13.2.2 工人分工及数量页脚内容监 理 大 纲根据施工进度计划及施工流水段划分进行劳动力安排,主要劳动力分工及数量:见表 4表 4 劳动力准备一览表序号施工部位基础工程顶板、梁柱30主体工程柱梁、板3024工种 人数地梁123木工电气焊工电工20244.施工准备4.1 技术准备项目部技术负责人组织经理部技术、生产人员熟悉图纸,认真学习掌握施工图的内容、要求和特点,同时针对有关施工技术和图纸存在的疑点作好记录,通过会审,对图纸中存在的问...

1、当您付费下载文档后,您只拥有了使用权限,并不意味着购买了版权,文档只能用于自身使用,不得用于其他商业用途(如 [转卖]进行直接盈利或[编辑后售卖]进行间接盈利)。
2、本站所有内容均由合作方或网友上传,本站不对文档的完整性、权威性及其观点立场正确性做任何保证或承诺!文档内容仅供研究参考,付费前请自行鉴别。
3、如文档内容存在违规,或者侵犯商业秘密、侵犯著作权等,请点击“违规举报”。

碎片内容

教学楼模板工程施工方案

确认删除?
VIP
微信客服
  • 扫码咨询
会员Q群
  • 会员专属群点击这里加入QQ群
客服邮箱
回到顶部