电脑桌面
添加小米粒文库到电脑桌面
安装后可以在桌面快捷访问

数控激光切割机验收标准三篇

数控激光切割机验收标准三篇_第1页
1/9
数控激光切割机验收标准三篇_第2页
2/9
数控激光切割机验收标准三篇_第3页
3/9
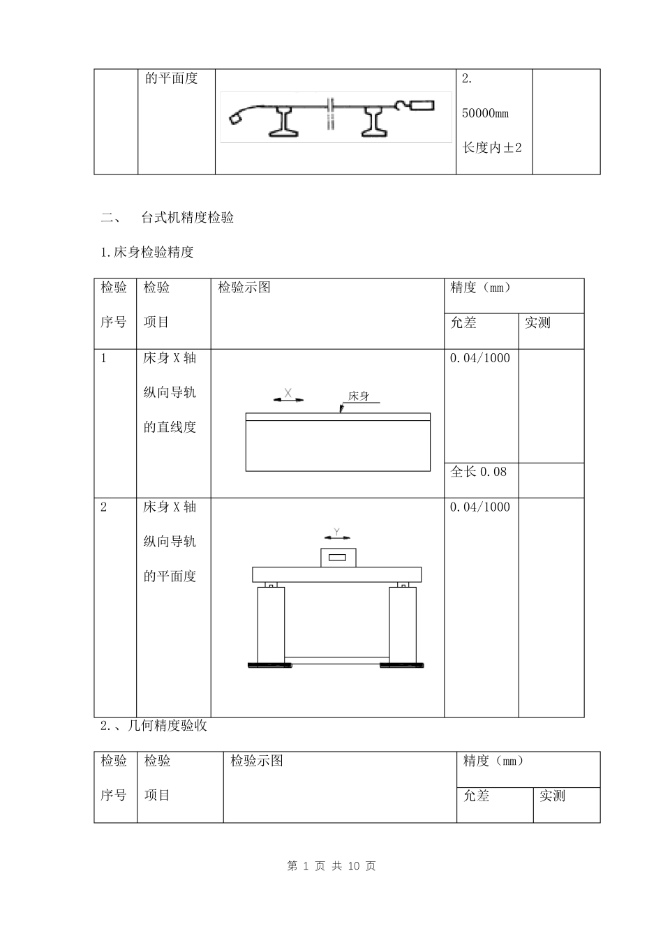
数控激光切割机验收标准三篇篇一:数控激光切割机验收标准前言1、本验收标准参照如下等标准制定1.GB/Z18462-20XX 激光加工机械金属切割的性能规范与标准检查程序2.GB/T3505-20XX 产品几何技术规范表面结构轮廓法表面结构的术语、定义及参数3.JB/T5102-1999 坐标式气割机(等同于 ISO8206-1991 坐标式气割机重复精度与工作性能检验)2、本标准仅适用于 XX 集团有限公司生产的龙门式激光切割机、台式激光切割机的精度验收。一、龙门式基础检验精度检验检验序号项目1地基 X 轴纵向导轨的直线度检验示图精度(mm)允差0.4/10000实测2地基 X 轴纵向导轨1.0.2/1000第 0 页 共 10 页的平面度2.50000mm长度内±2二、台式机精度检验1.床身检验精度检验检验序号项目1床身 X 轴纵向导轨的直线度全长 0.082床身 X 轴纵向导轨的平面度0.04/1000床身检验示图精度(mm)允差实测0.04/10002.、几何精度验收检验检验序号项目检验示图精度(mm)允差实测第 1 页 共 10 页1纵向 X 轴的直线度横梁前后移动0.04/1000全长:1:0.12:0.12横向 Y 轴的直线度轴左右移动0.03/1000全长:1:0.12:0.1旋转90°3垂直 Z 轴的直线度切头上下移动1、2 均为0.05旋转90°检验检验序号项目检验示图精度(mm)允差实测第 2 页 共 10 页4Z 轴水平移动对 X轴的垂直度横梁前后移动0.05/1000旋转90°5Z 轴垂直移动对 X轴平面的垂直度 11:轴上下移动全长 0.1Z 轴垂直移动对 X轴平面的向2:全长 0.1垂直度 2三、定位精度验收检验检验序号项目1X 轴定位精度Y 轴运行速度 1500mm/min检验速度精度(mm)允差0.15mm/3000mm0.15mm实测第 3 页 共 10 页定位精度2X 轴重复定位精度Y 轴重复定位精度四、工件精度验收检验检验序号项目1工件尺寸精度检验工件:3mm 后碳钢或不锈钢工件要求运行速度 1500mm/min/3000mm0.1mm0.1mm精度(mm)允差1.外方100±0.22.内圆50±0.15实测2工件粗糙度检验工件:3mm 厚钢板6.3第 4 页 共 10 页3工件垂直度 U 偏差工件:3mm 厚钢板注:切割后,切割面上的氧化皮必须用0.15钢丝刷或拉丝布 100%清除,以免影响后继表面处理的质量;打磨接头并例角。第 5 页 共 10 页篇二:激光切割机验收标准一、技术文件及资料:1、与采购设备相符的设备安装图、电气原理图、电气接线图,机械结构图、使用说明书、合格证、装箱单、、易损件清单、系统软件备份(可以提供电子版情况下提供电子版,如若不可则提...

1、当您付费下载文档后,您只拥有了使用权限,并不意味着购买了版权,文档只能用于自身使用,不得用于其他商业用途(如 [转卖]进行直接盈利或[编辑后售卖]进行间接盈利)。
2、本站所有内容均由合作方或网友上传,本站不对文档的完整性、权威性及其观点立场正确性做任何保证或承诺!文档内容仅供研究参考,付费前请自行鉴别。
3、如文档内容存在违规,或者侵犯商业秘密、侵犯著作权等,请点击“违规举报”。

碎片内容

数控激光切割机验收标准三篇

您可能关注的文档

确认删除?
VIP
微信客服
  • 扫码咨询
会员Q群
  • 会员专属群点击这里加入QQ群
客服邮箱
回到顶部