电脑桌面
添加小米粒文库到电脑桌面
安装后可以在桌面快捷访问

数控铣中级工技能测试题VIP专享

数控铣中级工技能测试题_第1页
1/7
数控铣中级工技能测试题_第2页
2/7
数控铣中级工技能测试题_第3页
3/7
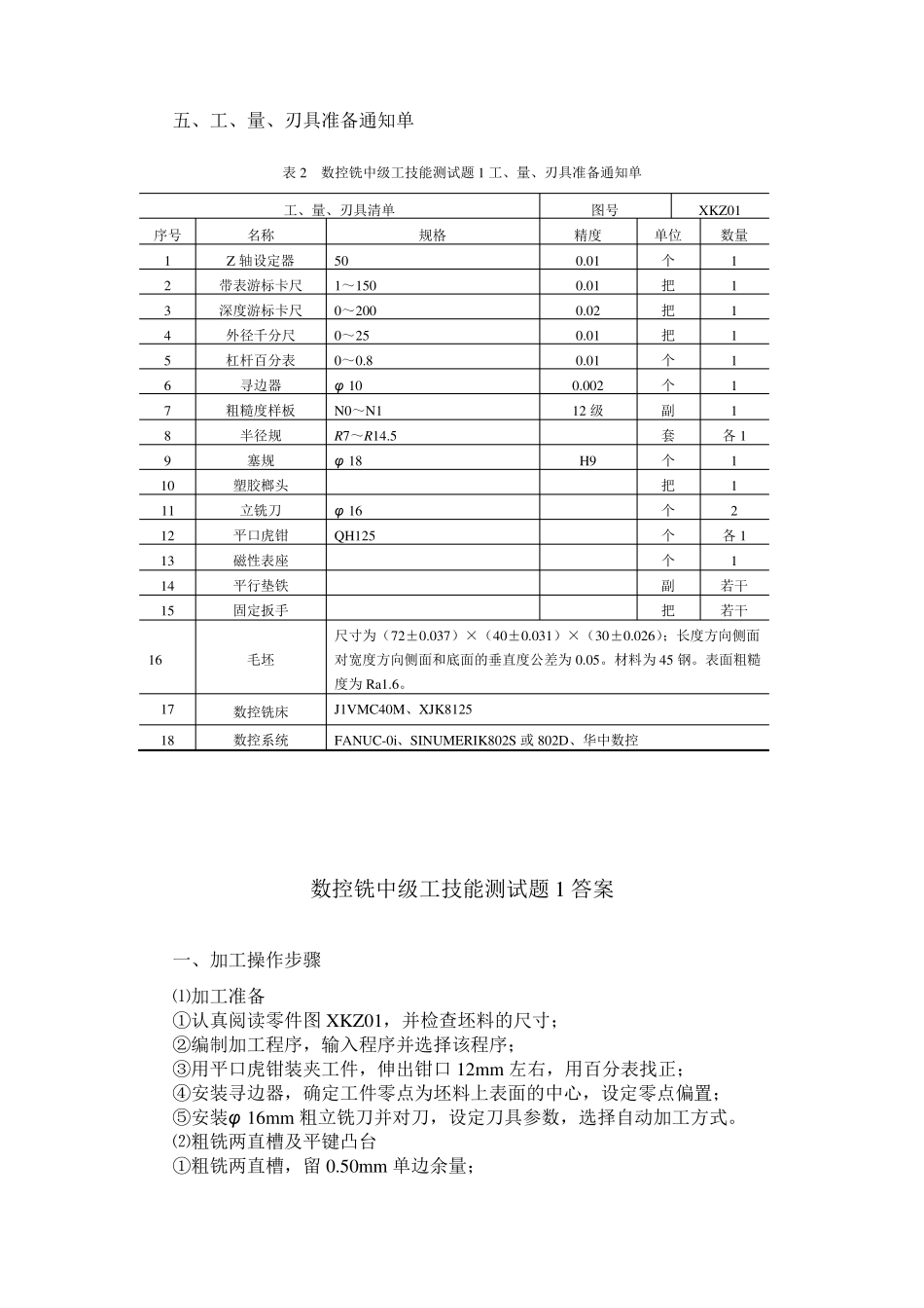
数控铣中级工技能测试题 1一、数控铣中级工技能测试题零件图图 1数控铣中级工技能测试题 1 零件图二、考核目的⑴能编制和调用子程序铣削工件;⑵能设置刀具参数和工件零点偏置;⑶能使用刀具半径补偿功能对内、外轮廓进行编程和铣削。三、编程操作加工时间⑴编程时间:60min(占总分 30%)。⑵操作时间:120min(占总分 70%)。四、评分表表 1数控铣中级工技能测试题 1 评分表评分表考核项目1主要项目23451211其它23安全生产文明生产按时完成考核要求0.043(槽宽)Ra3.21800.043(槽宽)Ra3.21800.043(槽宽)Ra3.2180图号XKZ01配分8/28/28/28/216/48/212/3432检测编号评分标准超差不得分超差不得分超差不得分超差不得分超差不得分检测结果得分(平键凸台)Ra3.2180_ 0.043(矩形凸台两处) Ra3.2180_ 0.0430.09 (2 处)Ra6.3100一般项目形位公差(3 处)Ra6.31000.09(2 处)超差一处扣 5 分违反有关规定扣 1~3 分违反有关规定扣 1~2 分超时≤15min:扣 5 分超时>15~30min:扣 10 分超时>30min:不计分日期日期日期总配分工时定额加工开始:时分加工结束:时分3h停工时间停工原因100监考加工时间实际时间总分检测评分五、工、量、刃具准备通知单表 2数控铣中级工技能测试题 1 工、量、刃具准备通知单工、量、刃具清单序号123456789101112131415161718名称Z 轴设定器带表游标卡尺深度游标卡尺外径千分尺杠杆百分表寻边器粗糙度样板半径规塞规塑胶榔头立铣刀平口虎钳磁性表座平行垫铁固定扳手毛坯501~1500~2000~250~0.8φ 10N0~N1R7~R14.5φ 18φ 16QH125规格图号精度0.010.010.020.010.010.00212 级H9单位个把把把个个副套个把个个个副把XKZ01数量1111111各 1112各 11若干若干尺寸为(72±0.037)×(40±0.031)×(30±0.026);长度方向侧面对宽度方向侧面和底面的垂直度公差为 0.05。材料为 45 钢。表面粗糙度为 Ra1.6。数控铣床数控系统J1VMC40M、XJK8125FANUC-0i、SINUMERIK802S 或 802D、华中数控数控铣中级工技能测试题 1 答案一、加工操作步骤⑴加工准备①认真阅读零件图 XKZ01,并检查坯料的尺寸;②编制加工程序,输入程序并选择该程序;③用平口虎钳装夹工件,伸出钳口 12mm 左右,用百分表找正;④安装寻边器,确定工件零点为坯料上表面的中心,设定零点偏置;⑤安装φ 16mm 粗立铣刀并对刀,设定刀具参数,选择自动加工方式。⑵粗铣两直槽及平键凸台①粗...

1、当您付费下载文档后,您只拥有了使用权限,并不意味着购买了版权,文档只能用于自身使用,不得用于其他商业用途(如 [转卖]进行直接盈利或[编辑后售卖]进行间接盈利)。
2、本站所有内容均由合作方或网友上传,本站不对文档的完整性、权威性及其观点立场正确性做任何保证或承诺!文档内容仅供研究参考,付费前请自行鉴别。
3、如文档内容存在违规,或者侵犯商业秘密、侵犯著作权等,请点击“违规举报”。

碎片内容

数控铣中级工技能测试题

确认删除?
VIP
微信客服
  • 扫码咨询
会员Q群
  • 会员专属群点击这里加入QQ群
客服邮箱
回到顶部