电脑桌面
添加小米粒文库到电脑桌面
安装后可以在桌面快捷访问

整理三菱通用变频器FR-A700

整理三菱通用变频器FR-A700_第1页
1/11
整理三菱通用变频器FR-A700_第2页
2/11
整理三菱通用变频器FR-A700_第3页
3/11
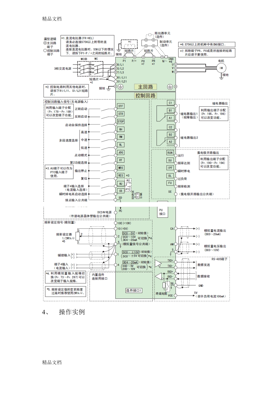
精品文档1、操作面板(FR-DU07)的各部分名称2、基本操作(出厂时设定值)精品文档精品文档3、端子接线图精品文档精品文档4、操作实例精品文档精品文档5、网络通讯启动模式选择. 参见(三菱通用变频器 P106 页)变频器为 DP 总线网络通讯,Pr.79 变更为 0Pr.340 变更为 10,请断电重启变频器,变频器切换为 Net 模式功能参数名称单位初始值范围0内容根据 Pr.79 的设定网络运行模式开始。在设定值为“ 2”的情况下发生瞬时停电,可以维持瞬时停电前的运行状态网络运行模式开始。可通过操作面板切换 PU 运行模式与网络运行模式。在设定值为“12”的情况下发生了瞬时停电,可以维持瞬时停电前的运行状态1,2DP 网络运行模式340通讯启动模式选择1010,126、参数写入选择 .参见(三菱通用变频器 P106 页)精品文档精品文档Pr.77 变更为 2变频器运行正常后变更为 1功能参数名称单位初始值范围0防止参数值被意外改写内容仅限于停止时可以写入不可写入参数可以在所有运行模式中不受运行状态限制地写入参数77参数写入选择10127、设置输出频率上限下限 .参见(三菱通用变频器 P58 页)Pr.1 上限频率变更为 50Hz功能上限频率参数1名称上限频率单位0.01Hz初始值120Hz范围0~120 Hz内容设定输出频率的上限。*根据变频器容量不同而不同Pr.2 上限频率变更为 0Hz功能下限频率参数2名称下限频率单位0.01Hz初始值0 Hz范围0~120 Hz内容设定输出频率的下限8、运行模式选择 . 参见(三菱通用变频器 P60,P106 页)变频器为网络模式运行时,变更为 0变频器为外部端子运行时,变更为 2功能参数名称单位初始值0运行模式选择110234范围内容外部/PU 切换模式PU 运行模式固定外部运行模式固定外部/PU 组合运行模式 1外部/PU 组合运行模式 279运行模式选择精品文档精品文档67切换模式外部运行模式(PU 运行互锁)9、模拟量输入选择 . 参见(三菱通用变频器 P105 页)变频器为外部端子运行Pr.73 变更为 2(0~10V)功能参数名称单位初始值范围内容可以对端子 2 的输入规格( 0~5V , 0~10V ,0~20mA)和端子 1 输入规格( 0~±5V),(0~±10V)进行选择。端子 2的输入规格在电压输入为(0~5V/0~10V)时,电压/电流输入输入切换开关设为 OFF(初始状态),在电流输入为(4~20mA)时,设为 ON。也可以进行和过载,可逆运行的选择模拟量输入选择73模拟量输入选择110~7,10~1710、 电机容量,电机极数. 参见(三菱...

1、当您付费下载文档后,您只拥有了使用权限,并不意味着购买了版权,文档只能用于自身使用,不得用于其他商业用途(如 [转卖]进行直接盈利或[编辑后售卖]进行间接盈利)。
2、本站所有内容均由合作方或网友上传,本站不对文档的完整性、权威性及其观点立场正确性做任何保证或承诺!文档内容仅供研究参考,付费前请自行鉴别。
3、如文档内容存在违规,或者侵犯商业秘密、侵犯著作权等,请点击“违规举报”。

碎片内容

整理三菱通用变频器FR-A700

确认删除?
VIP
微信客服
  • 扫码咨询
会员Q群
  • 会员专属群点击这里加入QQ群
客服邮箱
回到顶部