电脑桌面
添加小米粒文库到电脑桌面
安装后可以在桌面快捷访问

施工作业风险现场复测单要点

施工作业风险现场复测单要点_第1页
1/12
施工作业风险现场复测单要点_第2页
2/12
施工作业风险现场复测单要点_第3页
3/12
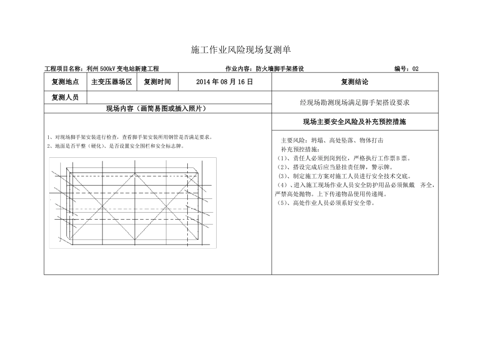
施工作业风险现场复测单工程项目名称:利州 500kV 变电站新建工程作业内容:事故油池施工编号:01复测地点复测人员220kV 场区复测时间2014 年 07 月 21 日复测结论经现场勘查施工条件满足深基坑开挖现场内容(画简易图或插入照片)1、场区为坚硬岩石土。 2、运输道路畅通、路况良好。 3、周边环境开阔,隔离措施完善,便于施工。现场主要安全风险及补充预控措施主要风险:坍塌、高处坠落、物体打击、机械伤害补充预控措施:(1)弃土堆高≤1.5 米。(2)一般土质条件下弃土堆底至基坑顶边距离≥1.2 米。(3)垂直坑壁边坡条件下弃土堆底至基坑顶边距离≥3 米。(4)软土场地的基坑边则不应在基坑边堆土。(5)坑边如需堆放材料机械,必须经计算确定放坡系数必要时采取支护措施。(6)挖土区域设警戒线,各种机械、车辆严禁在开挖的基础边缘 2m 内行驶、停放。(368.65)-3.94-0.900(371.69)h=3.04m施工作业风险现场复测单工程项目名称:利州 500kV 变电站新建工程作业内容:防火墙脚手架搭设编号:02复测地点复测人员主变压器场区复测时间2014 年 08 月 16 日复测结论经现场勘测现场满足脚手架搭设要求现场主要安全风险及补充预控措施主要风险:坍塌、高处坠落、物体打击补充预控措施:(1)、责任人必须到岗到位,严格执行工作票 B 票。(2)、搭设完成后应当悬挂责任牌,警示牌。 (3)、制定施工方案对施工人员进行安全技术交底。(4)、进入施工现场作业人员安全防护用品必须佩戴齐全,严禁高处抛物。上下传递物品使用传递绳。(5)、高处作业人员必须系好安全带。现场内容(画简易图或插入照片)1、对现场脚手架安装进行检查,查看脚手架安装所用钢管是否满足要求。2、地面是否平整(硬化)、是否设置安全围栏和安全标志牌。施工作业风险现场复测单工程项目名称:利州 500kV 变电站新建工程作业内容:站外泵房施工编号:03复测地点复测人员站区外复测时间2014 年 08 月 25 日复测结论经现场勘查施工条件满足深基坑开挖现场内容(画简易图或插入照片)1、 场区为坚硬岩石土。 2、运输道路畅通、路况良好。 3、周边环境开阔,隔离措施完善,便于施工。现场主要安全风险及补充预控措施主要风险:坍塌、高处坠落、物体打击、机械伤害补充预控措施:(1)弃土堆高≤1.5 米。(2)一般土质条件下弃土堆底至基坑顶边距离≥1.2 米。(3)垂直坑壁边坡条件下弃土堆底至基坑顶边距离≥3 米。(4)软土场地的基坑边则...

1、当您付费下载文档后,您只拥有了使用权限,并不意味着购买了版权,文档只能用于自身使用,不得用于其他商业用途(如 [转卖]进行直接盈利或[编辑后售卖]进行间接盈利)。
2、本站所有内容均由合作方或网友上传,本站不对文档的完整性、权威性及其观点立场正确性做任何保证或承诺!文档内容仅供研究参考,付费前请自行鉴别。
3、如文档内容存在违规,或者侵犯商业秘密、侵犯著作权等,请点击“违规举报”。

碎片内容

施工作业风险现场复测单要点

您可能关注的文档

确认删除?
VIP
微信客服
  • 扫码咨询
会员Q群
  • 会员专属群点击这里加入QQ群
客服邮箱
回到顶部