电脑桌面
添加小米粒文库到电脑桌面
安装后可以在桌面快捷访问

施工安全风险分级划分表75519

施工安全风险分级划分表75519_第1页
1/18
施工安全风险分级划分表75519_第2页
2/18
施工安全风险分级划分表75519_第3页
3/18
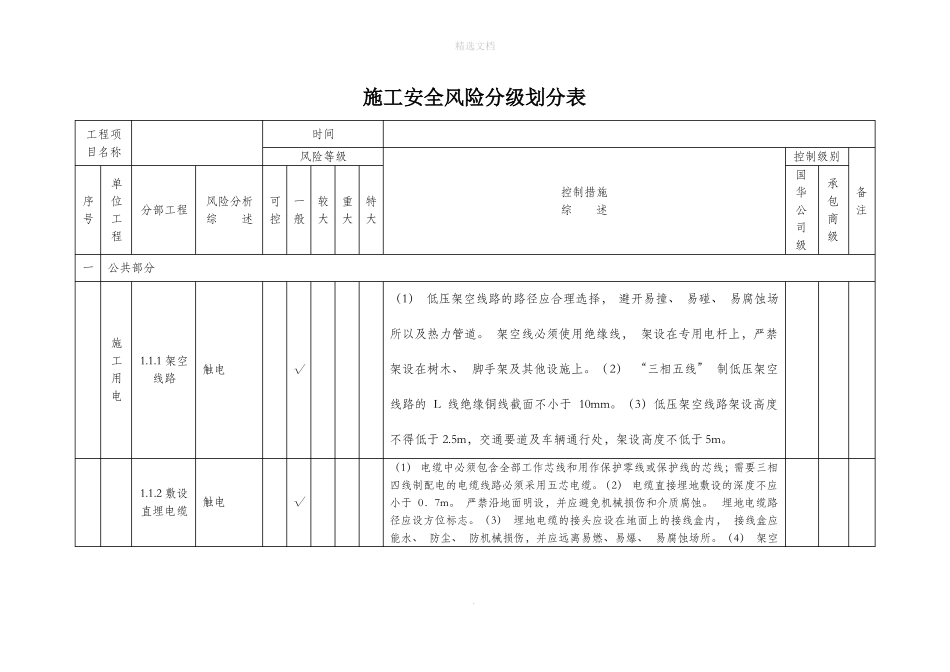
精选文档施工安全风险分级划分表工程项目名称单位工程时间风险等级控制措施综述控制级别国华公司级承包商级备注序号分部工程风险分析综述可一较重特控般大大大一公共部分(1) 低压架空线路的路径应合理选择, 避开易撞、 易碰、 易腐蚀场施工用电所以及热力管道。 架空线必须使用绝缘线, 架设在专用电杆上,严禁1.1.1 架空线路触电√架设在树木、 脚手架及其他设施上。(2) “三相五线” 制低压架空线路的 L 线绝缘铜线截面不小于 10mm。(3)低压架空线路架设高度不得低于 2.5m,交通要道及车辆通行处,架设高度不低于 5m。(1) 电缆中必须包含全部工作芯线和用作保护零线或保护线的芯线;需要三相四线制配电的电缆线路必须采用五芯电缆。(2) 电缆直接埋地敷设的深度不应1.1.2 敷设触电直埋电缆√小于 0.7m。 严禁沿地面明设,并应避免机械损伤和介质腐蚀。 埋地电缆路径应设方位标志。(3) 埋地电缆的接头应设在地面上的接线盒内, 接线盒应能水、 防尘、 防机械损伤,并应远离易燃、易爆、 易腐蚀场所。(4) 架空.精选文档电缆应沿电杆、 支架或墙壁敷设,并采用绝缘子固定,绑扎线必须采用绝缘线,固定点间距应保证电缆能承受自重所带来的荷载,最大弧垂距地不得小于 2m。(1) 配电系统应设置配电柜或总配电箱、 分配电箱、 开关箱, 实行三级配电。 配电系统宜三相负荷平衡。220V 或 380V 单相用电设备宜接入220/380V 三相四线系统; 当单相照明线路电流大于 30A 时宜采用 220/380V 三相四线制供电。(2) 总配电箱应设在靠近电源的区域, 分配电箱应设在用电设备或负荷相对集中的区域, 分配电箱与开关箱的距离不得超过 30m;开关箱与其控制的固定式用电设备的水平距离不宜超过 3m, 距离大于 3m 时应使用移动式开关箱(或便携式卷线盘);移动式开关箱至固定式开关箱之间的引线1.1.3 配电箱及开关箱安装触电√长度不得大于 30m, 且只能用橡套软电缆。(3) 配电箱、 开关箱的电源进线端严禁采用插头和插座做活动连接。 移动式配电箱、 开关箱的进、 出线应采用橡皮护套绝缘电缆,不得有接头。(4) 漏电保护器应装设在总配电箱、 开关箱靠近负荷的一侧, 且不得用于启动电气设备的操作。 开关箱中漏电保护器的额定漏电动作电流不应大于 30mA,额定漏电动作时间不应大于 0.1s。使用于潮湿或有腐蚀介质场所的漏电保护器应采用防溅型产品,其额定漏电动作电流...

1、当您付费下载文档后,您只拥有了使用权限,并不意味着购买了版权,文档只能用于自身使用,不得用于其他商业用途(如 [转卖]进行直接盈利或[编辑后售卖]进行间接盈利)。
2、本站所有内容均由合作方或网友上传,本站不对文档的完整性、权威性及其观点立场正确性做任何保证或承诺!文档内容仅供研究参考,付费前请自行鉴别。
3、如文档内容存在违规,或者侵犯商业秘密、侵犯著作权等,请点击“违规举报”。

碎片内容

施工安全风险分级划分表75519

爱的疯狂+ 关注
实名认证
内容提供者

该用户很懒,什么也没介绍

确认删除?
VIP
微信客服
  • 扫码咨询
会员Q群
  • 会员专属群点击这里加入QQ群
客服邮箱
回到顶部