电脑桌面
添加小米粒文库到电脑桌面
安装后可以在桌面快捷访问

一次泵变流量系统

一次泵变流量系统_第1页
1/7
一次泵变流量系统_第2页
2/7
一次泵变流量系统_第3页
3/7
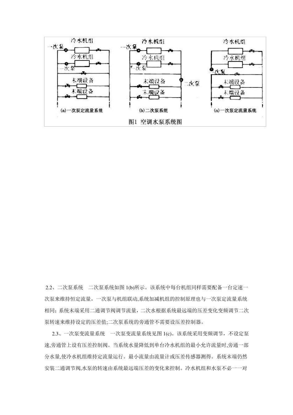
一次泵变流量系统的应用探讨 1、前言 一次泵变流量系统是根据负荷的变化,利用水泵变频调节一次水流量来达到节能的目的。随着制冷机技术的不断提高以及自控技术的发展,变流量技术的可靠性已经大大提高,同时由于水泵的功率与流量的三次成正比,降低系统的水流量可以大大的降低水泵的能耗,因此一次泵变流量系统具有巨大的节能潜力。本文将结合已普遍应用的一次泵定流量系统和二次泵系统,对一次泵变流量系统的应用进行探讨。 2 、空调水系统形式 2.1、一次泵定流量系统 一次泵定流量系统如图 1(a)所示。该系统中通常每台机组配有一台水泵,水泵保持定流量运行,水泵与机组联动,当加载一台冷水机组时,其对应的水泵先启动,当减载一台机组时,先关闭机组,然后关闭水泵;系统末端安装电动二通调节阀,中间的旁通管上设有压差旁通阀,用来平衡一次水和二次水的流量。机组的加减机控制分别是通过控制供水温度和旁通水量来实现的。当供水温度高于设定温度运行一段时间(通常为10~15min),就会启动另一台冷水机组,当旁通水量达到单台机组设计流量的110%~120%,并持续运行一段时间(通常 10~15min),系统会减载一台机组。 2.2、二次泵系统 二次泵系统如图 1(b)所示。该系统中每台机组同样需要配备一台定速一次泵来维持恒定流量,一次泵与机组联动,系统加减机组的控制原理也与一次泵定流量系统相同;系统末端采用二通调节阀调节流量,二次水根据系统最远端的压差变化变频调节二次泵转速来维持设定的压差值;二次泵系统的旁通管不需要设压差控制器。 2.3、一次泵变流量系统 一次泵变流量系统见图 1(c)。该系统采用变频调节,不设定泵速,旁通管上设有压差控制阀。当系统水量降低到单台冷水机组的最小允许流量时,旁通一部分水量,使冷水机组维持定流量运行。最小流量由流量计或压差传感器测得。系统末端仍然安装二通调节阀,水泵的转速由系统最远端压差的变化来控制。冷水机组和水泵不必一一对应,它们的启停也分别独立控制。该系统的加机控制原理仍是控制机组的出水温度,而减机控制原理是以负荷为依据,通过运行电流比来控制。 3、一次泵变流量系统的技术关键 3.1、冷水机组的流量范围 由于受传热效率等因素的影响,为了安全运行和防止蒸发器结冰,一次水流量必须在一定范围内,因此需要选择最小流量尽可能低的冷水机组。机组蒸发器最小流量由其类型、回程以及管束尺寸决定。同时,对不同的机组效率也对应不同的蒸发器最小流量。一般,机组效率越高,机组蒸发...

1、当您付费下载文档后,您只拥有了使用权限,并不意味着购买了版权,文档只能用于自身使用,不得用于其他商业用途(如 [转卖]进行直接盈利或[编辑后售卖]进行间接盈利)。
2、本站所有内容均由合作方或网友上传,本站不对文档的完整性、权威性及其观点立场正确性做任何保证或承诺!文档内容仅供研究参考,付费前请自行鉴别。
3、如文档内容存在违规,或者侵犯商业秘密、侵犯著作权等,请点击“违规举报”。

碎片内容

一次泵变流量系统

您可能关注的文档

确认删除?
VIP
微信客服
  • 扫码咨询
会员Q群
  • 会员专属群点击这里加入QQ群
客服邮箱
回到顶部