电脑桌面
添加小米粒文库到电脑桌面
安装后可以在桌面快捷访问

三人抢答器课程设计

三人抢答器课程设计_第1页
1/8
三人抢答器课程设计_第2页
2/8
三人抢答器课程设计_第3页
3/8
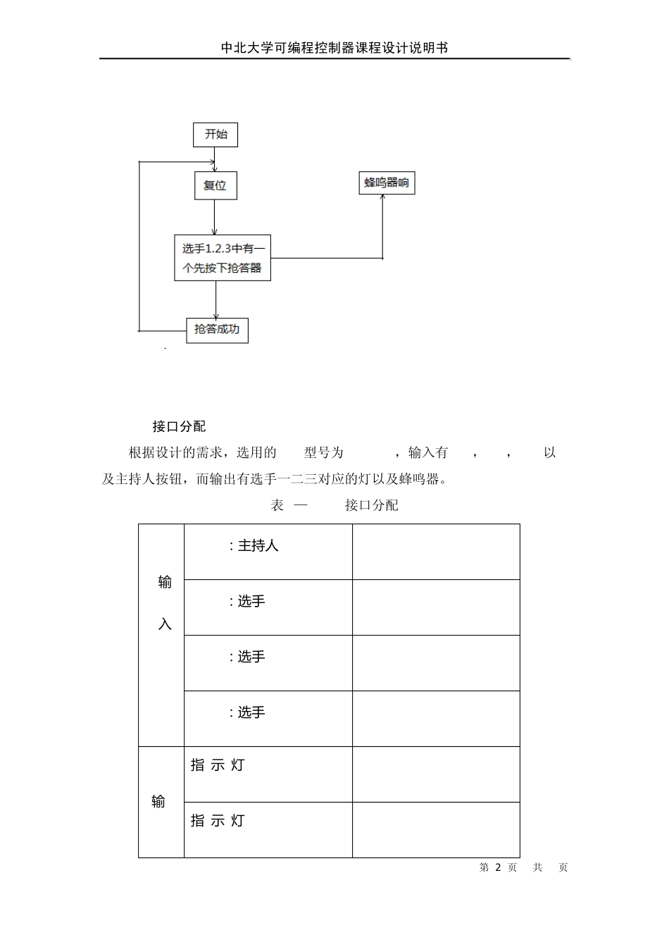
中北大学可编程控制器课程设计说明书 第 1 页 共 8 页 1 引言 可编程序控制器(programmable controller)简称PLC。它是在集成电路、计算机基础上发展起来的一种新型工业控制设备。目前,随着微电子技术、计算机技术、通信技术、容错控制技术以及数字控制技术的飞速发展,可编程序控制器的数量、型号及品种的发展速度也十分迅速。由于PLC具有控制功能强、可靠性高、配置灵活、体积小、重量轻以及使用方便等优点,目前在我国已经广泛的应用于自动化控制的各个领域。在中国市场上最具竞争力的四家 PLC公司为三菱公司、欧姆龙公司、西门子公司及AB公司。这次课程设计仿真所用到的就是三菱公司生产的FX2N型 PLC。这次课程设计的要求就是用PLC设计一个三路抢答器。 2 设计任务及要求 2.1 设计任务 参加智力竞赛的 A、B、C三人的桌上各有一个抢答按钮,分别为 SB1、SB2和 SB3,用三盏灯 HL1~HL3显示他们的抢答信号。当主持人接通抢答允许开关Q后,抢答开始。最先按下按钮的抢答者对应的灯亮,与此同时应禁止另外两个抢答者,指示灯在主持人断开开关 Q后熄灭。 2.2 设计要求 1. 画出系统动作流程图 2. 设计外部输入/输出点(I/0) 3. 画出 PLC外部接线图 4. 请设计完整的梯形图 3 设计内容 3.1 工作流程图 中北大学可编程控制器课程设计说明书 第 2 页 共 8 页 3.2 I/O接口分配 根据设计的需求,选用的PlC型号为FX2N-16M,输入有SB1,SB2,SB3以及主持人按钮,而输出有选手一二三对应的灯以及蜂鸣器。 表3—2 I/O接口分配 输 入 S B 4: 主持人 X004 S B 3: 选手 3 X002 S B 2: 选手 2 X001 S B 1: 选手 1 X000 输 指 示 灯 3 Y004 指 示 灯 2 Y002 中北大学可编程控制器课程设计说明书 第 3 页 共 8 页 出 指 示 灯 1 Y001 蜂 鸣 器 Y000 3.3 外部接线图 4 仿真 4.1 建立梯形图并转换成指令表 中北大学可编程控制器课程设计说明书 第 4 页 共 8 页 4.2 梯形图分析 中北大学可编程控制器课程设计说明书 第 5 页 共 8 页 当主持人按下按钮X3,主控线圈M0得电并自锁,MC到MCR之间的梯形图就可以被执行了。当某一位抢答者按下按钮时,如X1被首先按下,则Y2被置位,对应的抢答器指示灯HL1就亮了,表示选手1抢答成功。同时,Y2的接点闭合时Y3得电,蜂鸣器响。Y3的常闭接点断开主控线圈M0,MC到MCR之间的梯形图就不能被执行...

1、当您付费下载文档后,您只拥有了使用权限,并不意味着购买了版权,文档只能用于自身使用,不得用于其他商业用途(如 [转卖]进行直接盈利或[编辑后售卖]进行间接盈利)。
2、本站所有内容均由合作方或网友上传,本站不对文档的完整性、权威性及其观点立场正确性做任何保证或承诺!文档内容仅供研究参考,付费前请自行鉴别。
3、如文档内容存在违规,或者侵犯商业秘密、侵犯著作权等,请点击“违规举报”。

碎片内容

三人抢答器课程设计

您可能关注的文档

确认删除?
VIP
微信客服
  • 扫码咨询
会员Q群
  • 会员专属群点击这里加入QQ群
客服邮箱
回到顶部