电脑桌面
添加小米粒文库到电脑桌面
安装后可以在桌面快捷访问

三相鼠笼异步电动机的工作特性VIP专享

三相鼠笼异步电动机的工作特性_第1页
1/10
三相鼠笼异步电动机的工作特性_第2页
2/10
三相鼠笼异步电动机的工作特性_第3页
3/10
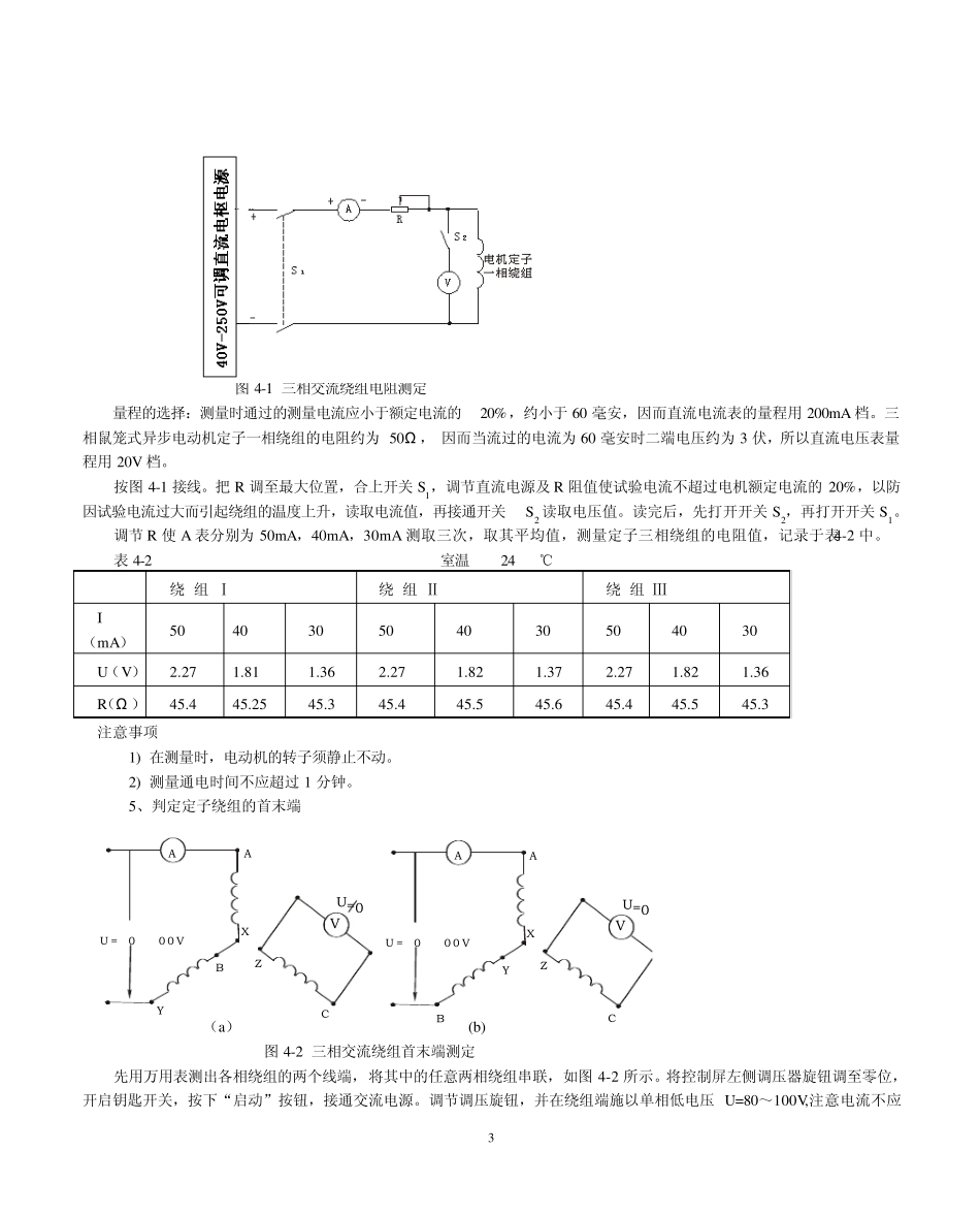
1 三相鼠笼异步电动机的工作特性 一、实验目的 1、掌握用日光灯法测转差率的方法。 2、掌握三相异步电动机的空载、堵转和负载试验的方法。 3、用直接负载法测取三相鼠笼式异步电动机的工作特性。 4、测定三相鼠笼式异步电动机的参数。 二、预习要点 1、用日光灯法测转差率是利用了日光灯的什么特性? 2、异步电动机的工作特性指哪些特性? 3、异步电动机的等效电路有哪些参数?它们的物理意义是什么? 4、工作特性和参数的测定方法。 三、实验项目 1、测定电机的转差率。 2、测量定子绕组的冷态电阻。 3、判定定子绕组的首末端 . 4、空载实验。 5、短路实验。 6、负载实验。 四、实验方法 1、 实验设备 2、屏上挂件排列顺序 D34-2、D51 3、用日光灯法测定转差率 日光灯是一种闪光灯,当接到 50Hz电源上时,灯光每秒闪亮 100 次,人的视觉暂留时间约为 0.1S 左右,故用肉眼观察时日光灯是一直发亮的,我们就利用日光灯这一特性来测量电机的转差率。 (1)异步电机选用编号为 DJ16 的三相鼠笼异步电动机(UN=220V,Δ 接法)极数 2P=4。直接与测速发电机同轴联接,序 号 型 号 名 称 数 量 1 MET01 电源控制屏 1 台 2 DD03 不锈钢电机导轨、测速系统及数显转速表 1 件 3 DJ23 校正过的直流电机 1 台 4 DJ16 三相鼠笼异步电动机 1 台 5 D34-2 智能型功率、功率因数表 1 件 6 D51 波形测试及开关板 1 件 7 DD05 测功支架、测功盘及弹簧秤(50N) 1 套 2 在 DJ16 和测速发电机联轴器上用黑胶布包一圈,再用四张白纸条(宽度约为 3 毫米),均匀地贴在黑胶布上。 (2)由于电机的同步转速为 ,而日光灯闪亮为 100 次/秒,即日光灯闪亮一次,电机转动四分之一圈。由于电机轴上均匀贴有四张白纸条,故电机以同步转速转动时,肉眼观察图案是静止不动的(这个可以用直流电动机 DJ15、DJ23 和三相同步电机 DJ18 来验证)。 (3)按下启动按钮,接通交流电源。打开控制屏上日光灯开关,调节控制屏左侧调压器升高电动机电压,观察电动机转向,如转向不对应停机调整相序。转向正确后,升压至 220V,使电机起动运转,记录此时电机转速。 (4)因三相异步电机转速总是低于同步转速,故灯光每闪亮一次图案逆电机旋转方向落后一个角度,用肉眼观察图案逆电机旋转方向缓慢移动。 (5)按住控制屏报警记录仪“复位”键,手松开之后开始观察图案后移的个数,计数时间可...

1、当您付费下载文档后,您只拥有了使用权限,并不意味着购买了版权,文档只能用于自身使用,不得用于其他商业用途(如 [转卖]进行直接盈利或[编辑后售卖]进行间接盈利)。
2、本站所有内容均由合作方或网友上传,本站不对文档的完整性、权威性及其观点立场正确性做任何保证或承诺!文档内容仅供研究参考,付费前请自行鉴别。
3、如文档内容存在违规,或者侵犯商业秘密、侵犯著作权等,请点击“违规举报”。

碎片内容

三相鼠笼异步电动机的工作特性

小辰3+ 关注
实名认证
内容提供者

出售各种资料和文档

确认删除?
VIP
微信客服
  • 扫码咨询
会员Q群
  • 会员专属群点击这里加入QQ群
客服邮箱
回到顶部