电脑桌面
添加小米粒文库到电脑桌面
安装后可以在桌面快捷访问

三面铣组合机床液压系统原理图分析

三面铣组合机床液压系统原理图分析_第1页
1/11
三面铣组合机床液压系统原理图分析_第2页
2/11
三面铣组合机床液压系统原理图分析_第3页
3/11
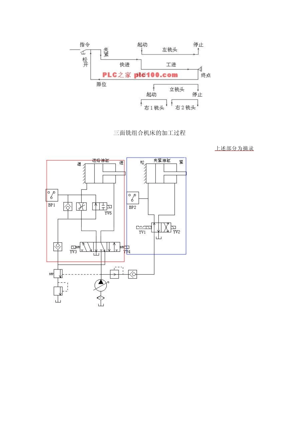
三面铣组合机床液压系统原理图分析 x x x x x x x x 三面铣组合机床概述 三面铣组合机床是用来对Z512W型台式钻床主轴箱的Ф 80、Ф 90孔端面及定位面进行铣销加工的一种自动加工设备。如图8-35所示为加工工件的示意图。 加工工件的示意图 (1)基本结构 机床主要由底座、床身、铣削动力头、液压动力滑台、液压站、工作台、工件松紧油缸等组成。机床底座上安放有床身,床身上一头安装有液压动力滑台,工件及夹紧装置放于滑台上。床身的两边各安装有一台铣销头,上方有立铣头,液压站在机床附近。 (2)加工过程 三面铣组合机床的加工过程如图8-36所示。操作者将要加工的零件放在工作台的夹具中,在其他准备工作就绪后,发出加工指令。工件夹紧后压力继电器动作,液压动力滑台(工作台)开始快进,到位转工进,同时起动左和右 1铣头开始加工,加工到某一位置,立铣头开始加工,加工又过一定位置右 1铣头停止,右 2铣头开始加工,加工到终点三台电机同时停止。待电机完全停止后,滑台快退回原位,工件松开,一个自动工作循环结束。操作者取下加工好的工件,再放上未加工的零件,重新发出加工指令重复上述工作过程。 三面铣组合机床的加工过程 上述部分为摘录 液压系统原理图分析 此系统可分为两个回路:一、夹紧回路(上图篮框所示);二、加工回路(上图红框所示) DT YV1 YV2 YV3 YV4 YV5 BP1 BP2 原 位 — + — — — — — 夹 紧 + — — — — — + 快 进 + — + — — + + 工 进 + — + — + — + 死挡铁停留 + — + — + — + 快 退 + — — + — — + 松 开 — + — — — — — 三面铣组合机床中液压动力滑台-原位 夹紧回路高压油:油箱→单项变量液压泵→直动型减压泵→单向阀→两位四通换向阀(YV2工作,右位)→夹紧油缸右腔。 夹紧回路低压油:夹紧油缸左腔→两位四通换向阀(YV2工作,右位)→油箱 加工回路高压油:回路不通(YV3、YV4不工作,两位四通换向阀处于中位),外控平衡阀打开。 三面铣组合机床中液压动力滑台-夹紧 夹紧回路高压油:油箱→单项变量液压泵→直动型减压泵→单向阀→两位四通换向阀(YV1工作,左位,BP2工作)→夹紧油缸左腔。 夹紧回路低压油:夹紧油缸右腔→两位四通换向阀(YV1工作,左位)→油箱 加工回路高压油:回路不通(YV3、YV4不工作,两位四通换向阀处于中位),外控平衡阀打开。 三面铣组...

1、当您付费下载文档后,您只拥有了使用权限,并不意味着购买了版权,文档只能用于自身使用,不得用于其他商业用途(如 [转卖]进行直接盈利或[编辑后售卖]进行间接盈利)。
2、本站所有内容均由合作方或网友上传,本站不对文档的完整性、权威性及其观点立场正确性做任何保证或承诺!文档内容仅供研究参考,付费前请自行鉴别。
3、如文档内容存在违规,或者侵犯商业秘密、侵犯著作权等,请点击“违规举报”。

碎片内容

三面铣组合机床液压系统原理图分析

您可能关注的文档

确认删除?
VIP
微信客服
  • 扫码咨询
会员Q群
  • 会员专属群点击这里加入QQ群
客服邮箱
回到顶部