电脑桌面
添加小米粒文库到电脑桌面
安装后可以在桌面快捷访问

上人马道搭设方案

上人马道搭设方案_第1页
1/11
上人马道搭设方案_第2页
2/11
上人马道搭设方案_第3页
3/11
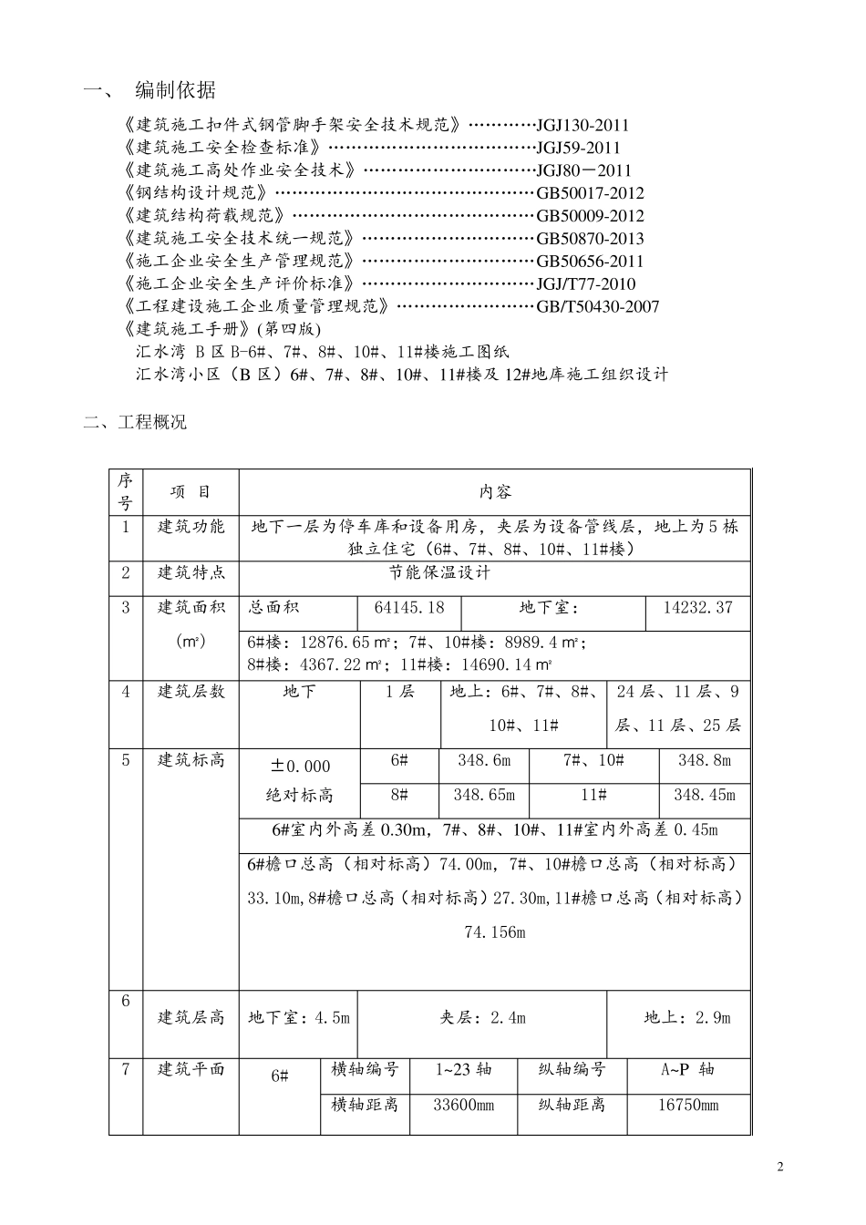
1 目 录 一.编制依据 ................................................................................................................................................... 2 二.工程概况 ................................................................................................................................................... 2 三.材料要求 ................................................................................................................................................... 3 四.搭设方案 ................................................................................................................................................... 4 五.拆除措施 ................................................................................................................................................... 8 六.安全措施 ................................................................................................................................................... 8 七.质量标准 ................................................................................................................................................... 8 八.安全文明施工要求 ................................................................................................................................... 9 九.双排架稳定验算 ....................................................................................................................................... 9 2 一、 编制依据 《建筑施工扣件式钢管脚手架安全技术规范》…………JGJ130-2011 《建筑施工安全检查标准》………………………………JGJ59-2011 《建筑施工高处作业安全技术》…………………………JGJ80-2011 《钢结构设计规范》………………………………………GB50017-2012 《建筑结构荷载规范》……………………………………GB50009-2012 《建筑施工安全技术统一规范》…………………………GB50870-2013 《施工企业安全生产管理规范》…………………………GB50656-2011 《施工企业安全生产评价标准》…………………………JGJ/T77-2...

1、当您付费下载文档后,您只拥有了使用权限,并不意味着购买了版权,文档只能用于自身使用,不得用于其他商业用途(如 [转卖]进行直接盈利或[编辑后售卖]进行间接盈利)。
2、本站所有内容均由合作方或网友上传,本站不对文档的完整性、权威性及其观点立场正确性做任何保证或承诺!文档内容仅供研究参考,付费前请自行鉴别。
3、如文档内容存在违规,或者侵犯商业秘密、侵犯著作权等,请点击“违规举报”。

碎片内容

上人马道搭设方案

确认删除?
VIP
微信客服
  • 扫码咨询
会员Q群
  • 会员专属群点击这里加入QQ群
客服邮箱
回到顶部