电脑桌面
添加小米粒文库到电脑桌面
安装后可以在桌面快捷访问

最全真石漆外墙喷涂聚氨酯保温系统工程隐蔽记录

最全真石漆外墙喷涂聚氨酯保温系统工程隐蔽记录_第1页
1/10
最全真石漆外墙喷涂聚氨酯保温系统工程隐蔽记录_第2页
2/10
最全真石漆外墙喷涂聚氨酯保温系统工程隐蔽记录_第3页
3/10
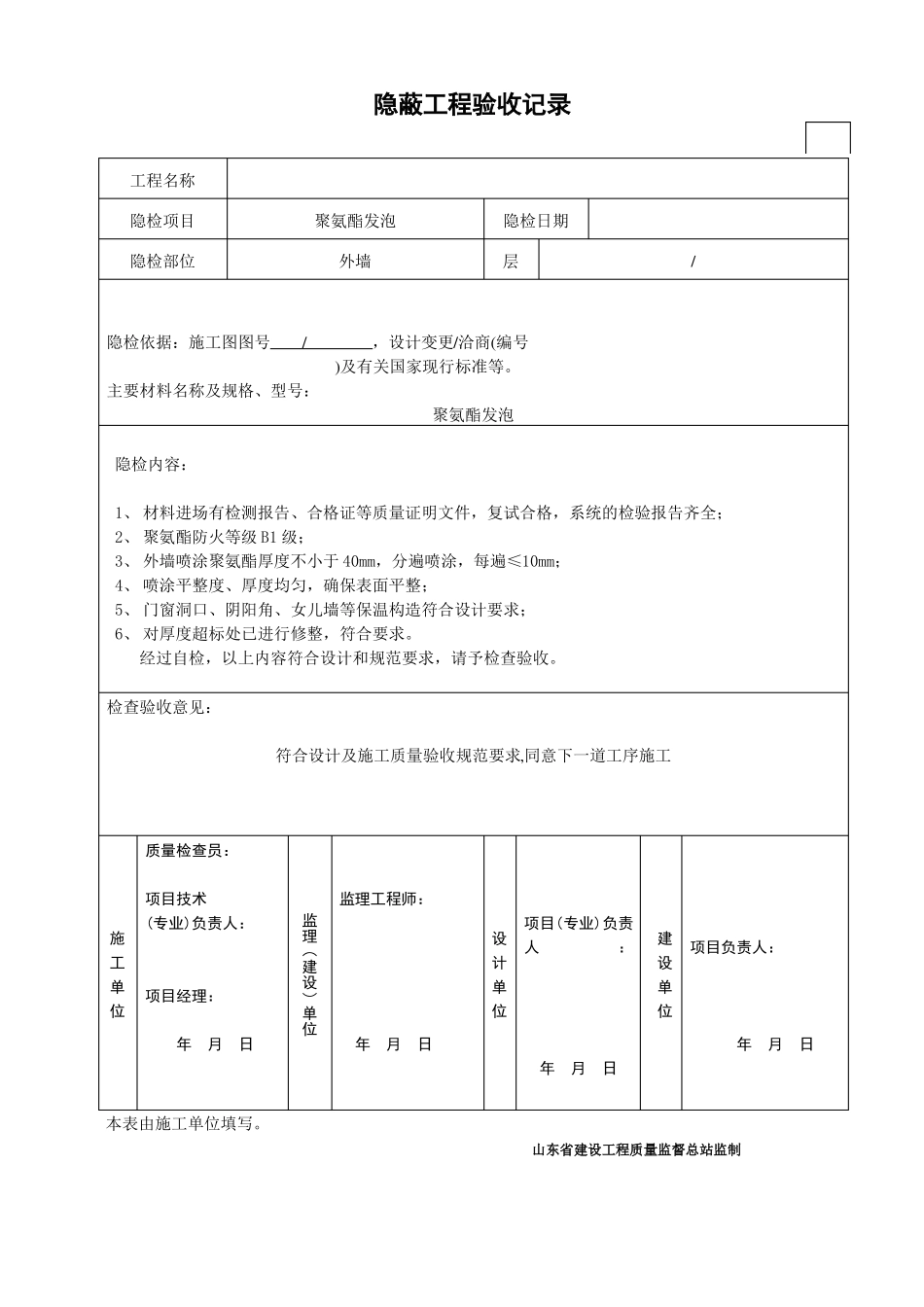
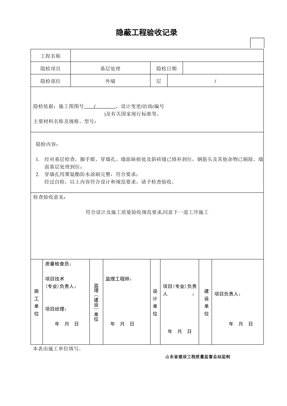
隐蔽工程验收记录工程名称隐检项目隐检部位基层处理外墙隐检日期层/隐检依据:施工图图号/,设计变更/洽商(编号)及有关国家现行标准等。主要材料名称及规格、型号:隐检内容:1.经对基层检查,脚手眼、穿墙孔、墙面缺损处及斜砖缝已修补到位,钢筋头及其他杂物已剔除,墙面基层处理到位;2.穿墙孔用聚氨酯防水涂刷完整,符合要求;经过自检,以上内容符合设计和规范要求,请予检查验收。检查验收意见:符合设计及施工质量验收规范要求,同意下一道工序施工质量检查员:项目技术施工单位(专业)负责人:项目经理:年月日监理工程师:设计单位项目(专业)负责年月日人年月日:建设单位项目负责人:年月日监理(建设)单位本表由施工单位填写。山东省建设工程质量监督总站监制隐蔽工程验收记录工程名称隐检项目隐检部位防火隔离带外墙隐检日期层/隐检依据:施工图图号/,设计变更/洽商(编号)及有关国家现行标准等。主要材料名称及规格、型号:岩棉板隔离带隐检内容:1、 岩棉板防火隔离材料已进场,产品检测报告及质量证明文件等其他资料符合要求;2、 岩棉板隔离带设置宽度、厚度符合要求,沿楼板位置每层设置交圈;3、 防火隔离带与基层可靠连接,无裂缝、空鼓、剥落现象;4、 防火隔离带厚度、宽度等符合要求。经过自检,以上内容符合设计和规范要求,请予检查验收。检查验收意见:符合设计及施工质量验收规范要求,同意下一道工序施工质量检查员:项目技术施工单位(专业)负责人:项目经理:年月日监理工程师:设计单位项目(专业)负责年月日人年月日:建设单位项目负责人:年月日监理(建设)单位本表由施工单位填写。山东省建设工程质量监督总站监制隐蔽工程验收记录工程名称隐检项目隐检部位聚氨酯发泡外墙隐检日期层/隐检依据:施工图图号/,设计变更/洽商(编号)及有关国家现行标准等。主要材料名称及规格、型号:聚氨酯发泡隐检内容:1、 材料进场有检测报告、合格证等质量证明文件,复试合格,系统的检验报告齐全;2、 聚氨酯防火等级 B1 级;3、 外墙喷涂聚氨酯厚度不小于 40mm,分遍喷涂,每遍≤10mm;4、 喷涂平整度、厚度均匀,确保表面平整;5、 门窗洞口、阴阳角、女儿墙等保温构造符合设计要求;6、 对厚度超标处已进行修整,符合要求。经过自检,以上内容符合设计和规范要求,请予检查验收。检查验收意见:符合设计及施工质量验收规范要求,同意下一道工序施工质量检查员:项目技术施工单位(专业)负责人:项目经理:年月日监...

1、当您付费下载文档后,您只拥有了使用权限,并不意味着购买了版权,文档只能用于自身使用,不得用于其他商业用途(如 [转卖]进行直接盈利或[编辑后售卖]进行间接盈利)。
2、本站所有内容均由合作方或网友上传,本站不对文档的完整性、权威性及其观点立场正确性做任何保证或承诺!文档内容仅供研究参考,付费前请自行鉴别。
3、如文档内容存在违规,或者侵犯商业秘密、侵犯著作权等,请点击“违规举报”。

碎片内容

最全真石漆外墙喷涂聚氨酯保温系统工程隐蔽记录

您可能关注的文档

确认删除?
VIP
微信客服
  • 扫码咨询
会员Q群
  • 会员专属群点击这里加入QQ群
客服邮箱
回到顶部