电脑桌面
添加小米粒文库到电脑桌面
安装后可以在桌面快捷访问

施工现场污染源环境因素识别及评价表(样本)

施工现场污染源环境因素识别及评价表(样本)_第1页
1/16
施工现场污染源环境因素识别及评价表(样本)_第2页
2/16
施工现场污染源环境因素识别及评价表(样本)_第3页
3/16
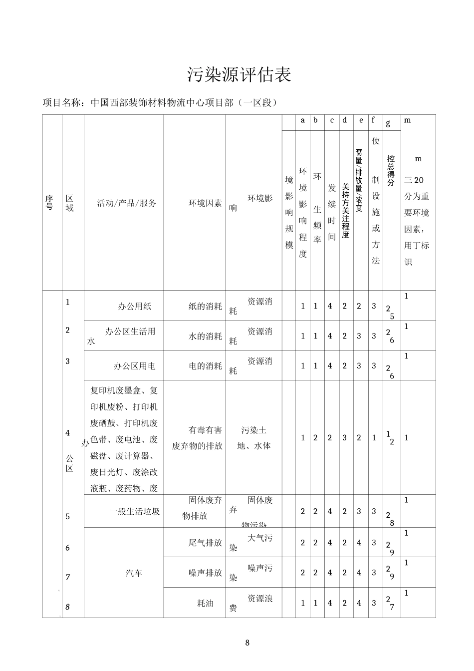
8污染源评估表项目名称:中国西部装饰材料物流中心项目部(一区段)序号区域活动/产品/服务环境因素环境影响abcdefgmm三 20分为重要环境因素,用丁标识境影响规模环境影响程度环生频率发续时间关持方关注程度腐量/排放量/浓度使制设施或方法控总得分111234办公区5678办公用纸纸的消耗资源消耗114223251办公区生活用水水的消耗资源消耗114233261办公区用电电的消耗资源消耗114233261复印机废墨盒、复印机废粉、打印机废硒鼓、打印机废色带、废电池、废磁盘、废计算器、废日光灯、废涂改液瓶、废药物、废有毒有害废弃物的排放污染土地、水体122321121一般生活垃圾固体废弃物排放固体废弃物污染224233281汽车尾气排放大气污染224243291噪声排放噪声污染224243291耗油资源浪费11424327189空调氟里昂泄漏臭氧层破坏2122412411电脑辐射辐射污染11422121031电器老化耗电资源浪费114221211311环境卫生脏、乱、景观污22323312611食堂油烟排放大气污22323226食堂、厕所、12污水排放水污染2342221冲凉房、洗手池6空调、冰箱、冰氟里昂泄臭氧层132122412柜漏破坏4空调、冰箱、14噪声排放噪声污2222222柜4液化气液化气泄15大气污2242322漏716/噪声排放噪声污1242223活区炊用机械6机油泄漏污染土172242313水体7固体废弃固体废18一般生活垃圾2 242432物排放弃物污染9资源消19生活用水水的消耗11 42232耗51生活用电电的消耗资源消11 4223210耗51电器老化耗电资源浪11 4222211费4以下为生产区、土方与基坑工程土方土方机械挖掘机、推土1噪声污染2242333挖、回填机、装载机噪声排放98r2r456r)!7土方机械排放废气大气污染233243291使用打夯机、平板式振动器夯实产生振动振动污染223232261土方、压实机械耗油或耗电资源消耗122223241土方、压实机械跑冒滴漏污染土地、水体132121331扬尘排放粉尘污染224143402V现场洒水资源消耗112231221890土石方)运输运输时遗洒污染路面固体废弃物污染335252222V运输车辆进出施工现场用水冲洗资源消耗112232231运输车辆进出施工现场用水冲洗产生污水水污染224222151二、地基处理与桩基工程r2■地基处理)换填地基产生粉尘粉尘污染334143202V夯实地基产生振动振动污染223122131三、模板工程r2r4>木模制,作)耗用木材资源消耗222234381耗用铁钉资源消耗212222341产生边角余料、木屑固体废弃物污染222222351产生的木屑粉尘污染11322223156>木模安,装脱模剂滴漏污染土地、水体222222351脱模剂挥发大气污染2222224618r7使用木产生噪声噪...

1、当您付费下载文档后,您只拥有了使用权限,并不意味着购买了版权,文档只能用于自身使用,不得用于其他商业用途(如 [转卖]进行直接盈利或[编辑后售卖]进行间接盈利)。
2、本站所有内容均由合作方或网友上传,本站不对文档的完整性、权威性及其观点立场正确性做任何保证或承诺!文档内容仅供研究参考,付费前请自行鉴别。
3、如文档内容存在违规,或者侵犯商业秘密、侵犯著作权等,请点击“违规举报”。

碎片内容

施工现场污染源环境因素识别及评价表(样本)

您可能关注的文档

确认删除?
VIP
微信客服
  • 扫码咨询
会员Q群
  • 会员专属群点击这里加入QQ群
客服邮箱
回到顶部