电脑桌面
添加小米粒文库到电脑桌面
安装后可以在桌面快捷访问

不同温度下空气中饱和水分含量及饱和蒸汽压..

不同温度下空气中饱和水分含量及饱和蒸汽压.._第1页
1/14
不同温度下空气中饱和水分含量及饱和蒸汽压.._第2页
2/14
不同温度下空气中饱和水分含量及饱和蒸汽压.._第3页
3/14
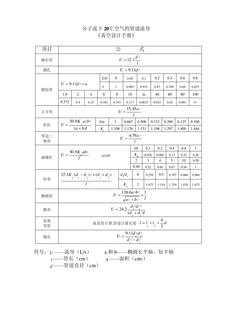
不同温度下空气中饱和水分含量及饱和蒸汽压 兰州真空设备有限责任公司 温度℃ 饱和水分含量g/m 3 饱和蒸汽压Pa 温度℃ 饱和水分含量g/m 3 饱和蒸汽压Pa 40 50.91 7368.624 -12 1.81 217.3824 38 46.00 6618.708 -14 1.52 1 8 1 .2 8 5 2 36 41.51 5935.392 -16 1.27 150.7824 34 37.40 5314.68 -18 1.06 1 2 5 .0 7 4 8 32 33.64 4483.512 -20 0.888 1 0 3 .3 6 3 2 30 30.30 4238.42 -22 0.736 8 5 .2 4 8 28 27.20 3776.22 -24 0.590 70.0632 26 24.30 3357.972 -26 0.504 5 7 .2 7 6 24 21.80 2981.016 -28 0.414 46.7532 22 19.40 2641.356 -30 0.340 3 8 .0 9 5 2 20 17.30 2336.33 -32 0.277 30.7692 18 15.36 2061.936 -34 0.226 2 4 .9 0 8 4 16 13.63 1815.516 -36 0.184 20.1132 14 12.05 1597.068 -38 0.149 1 6 .1 1 7 2 12 10.68 1401.264 -40 0.120 1 2 .9 2 0 4 10 9.35 1226.77 -42 0.096 1 0 .2 5 6 4 8 8.28 1072.26 -44 0.077 8.1252 6 7.28 933.732 -46 0.061 6 .3 9 3 6 4 6.39 812.52 -48 0.049 5.0616 2 5.60 704.628 -50 0.038 3 .8 6 2 8 0 4.85 609.923 -52 0.030 3.0636 -2 4.14 516.816 -54 0.024 2 .3 9 7 6 -4 3.52 436.896 -56 0.018 1.8648 -6 3.00 368.298 -58 0.014 1 .4 6 5 2 -8 2.54 309.8232 -60 0.011 1 .0 6 5 6 -10 2.14 259.74 -90 0.0093 粘滞流下2 0 ℃空气的管道流导 《真空设计手册》 项目 公 式 长管 lpdU431034.1 短管 管孔短UUU111 矩形截面直管 plbaKUf224560 a/ b 1.0 0.9 0.8 0.7 0.6 0.5 0.4 0.3 0.2 0.1 Kf 1.00 0.99 0.98 0.95 0.90 0.82 0.71 0.58 0.42 0.23 环形 管道 ])/ln()([13402122121ddddddPlU 椭圆 管道 223342920babaplU 孔 当525.01 x时,xAxxU116.760228.0712.0 当525.0x时, xAU 12000 当1.0x时, 0200 AU  符 号 意 义 单 位 U 粘滞流下20℃空气流导 m3/S d 管道直径 m l 管道长度 m a、b 椭圆长半轴,短半轴 m P 管道中平均压力 Pa A0 孔面积 m2 x 孔两侧压力比 粘滞流—分子流下管道流...

1、当您付费下载文档后,您只拥有了使用权限,并不意味着购买了版权,文档只能用于自身使用,不得用于其他商业用途(如 [转卖]进行直接盈利或[编辑后售卖]进行间接盈利)。
2、本站所有内容均由合作方或网友上传,本站不对文档的完整性、权威性及其观点立场正确性做任何保证或承诺!文档内容仅供研究参考,付费前请自行鉴别。
3、如文档内容存在违规,或者侵犯商业秘密、侵犯著作权等,请点击“违规举报”。

碎片内容

不同温度下空气中饱和水分含量及饱和蒸汽压..

小辰6+ 关注
实名认证
内容提供者

出售各种资料和文档

确认删除?
VIP
微信客服
  • 扫码咨询
会员Q群
  • 会员专属群点击这里加入QQ群
客服邮箱
回到顶部