电脑桌面
添加小米粒文库到电脑桌面
安装后可以在桌面快捷访问

东风7G型内燃机车检修手册1第一部分机车总体

东风7G型内燃机车检修手册1第一部分机车总体_第1页
1/9
东风7G型内燃机车检修手册1第一部分机车总体_第2页
2/9
东风7G型内燃机车检修手册1第一部分机车总体_第3页
3/9
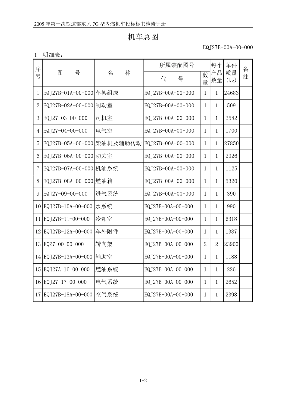
2005 年第一次铁道部东风 7G 型内燃机车投标标书检修手册 1-1 机车总图 EQJ27B-00A-00-000 2005 年第一次铁道部东风 7G 型内燃机车投标标书检修手册 1-2 机车总图 EQJ27B-00A-00-000 1 明细表: 序 号 图 号 名 称 所属装配图号 每个 产品 数量 单件 质量 (kg) 备 注 代 号 数量 1 EQJ27B-01A-00-000 车架组成 EQJ27B-00A-00-000 1 1 24683 2 EQJ27B-02A-00-000 制动室 EQJ27B-00A-00-000 1 1 509 3 EQJ27-03-00-000 司机室 EQJ27B-00A-00-000 1 1 2582 4 EQJ27-04-00-000 电气室 EQJ27B-00A-00-000 1 1 1700 5 EQJ27B-05A-00-000 柴油机及辅助传动 EQJ27B-00A-00-000 1 1 27850 6 EQJ27B-06A-00-000 动力室 EQJ27B-00A-00-000 1 1 2926 7 EQJ27B-07A-00-000 机油系统 EQJ27B-00A-00-000 1 1 1125 8 EQJ27B-08A-00-000 燃油箱 EQJ27B-00A-00-000 1 1 5320 9 EQJ27-09-00-000 进气系统 EQJ27B-00A-00-000 1 1 390 10 EQJ27B-10A-00-000 水系统 EQJ27B-00A-00-000 1 1 990 11 EQJ27B-11-00-000 冷却室 EQJ27B-00A-00-000 1 1 6318 12 EQJ27B-12A-00-000 车外附件 EQJ27B-00A-00-000 1 1 1387 13 EQZ7-00-00-000 转向架 EQJ27B-00A-00-000 2 2 23900 14 EQJ27B-13A-00-000 辅助室 EQJ27B-00A-00-000 1 1 1188 15 EQJ27A-16-00-000 燃油系统 EQJ27B-00A-00-000 1 1 226 16 EQJ27-17-00-000 电气系统 EQJ27B-00A-00-000 1 1 2652 17 EQJ27B-18A-00-000 空气系统 EQJ27B-00A-00-000 1 1 2398 2005 年第一次铁道部东风7G 型内燃机车投标标书检修手册 1-3 2 工作原理及性能参数 2.1 工作原理 柴油机的起动是由一台ZQF-80(或ZQF412)型启动发电机拖动。该发电机在柴油机起动时由蓄电池供电,待起动后断开电源由柴油机带动,电动机状态转成发电工况,并由充电监控器(或电压调整器)控制其输出励磁电流,使发电电压为110±2V,用来向低压用电设备及控制电路供电。 柴油机转速的控制是通过微机装置,根据司机控制器发出的指令,控制调速器步进电机,实现对柴油机的无级调速。 牵引发电机是一台JF208A 型无刷励磁同步电机。它产生的三相交流电经硅整流柜三相桥式全波整流后,输送给六台并联的牵引电动机,再由它通过牵引齿轮驱动车轮旋转。从硅整流柜到牵引电动机之间,设有六个主接...

1、当您付费下载文档后,您只拥有了使用权限,并不意味着购买了版权,文档只能用于自身使用,不得用于其他商业用途(如 [转卖]进行直接盈利或[编辑后售卖]进行间接盈利)。
2、本站所有内容均由合作方或网友上传,本站不对文档的完整性、权威性及其观点立场正确性做任何保证或承诺!文档内容仅供研究参考,付费前请自行鉴别。
3、如文档内容存在违规,或者侵犯商业秘密、侵犯著作权等,请点击“违规举报”。

碎片内容

东风7G型内燃机车检修手册1第一部分机车总体

您可能关注的文档

确认删除?
VIP
微信客服
  • 扫码咨询
会员Q群
  • 会员专属群点击这里加入QQ群
客服邮箱
回到顶部