电脑桌面
添加小米粒文库到电脑桌面
安装后可以在桌面快捷访问

中国大唐集团公司技术监控动态检查管理办法

中国大唐集团公司技术监控动态检查管理办法_第1页
1/6
中国大唐集团公司技术监控动态检查管理办法_第2页
2/6
中国大唐集团公司技术监控动态检查管理办法_第3页
3/6
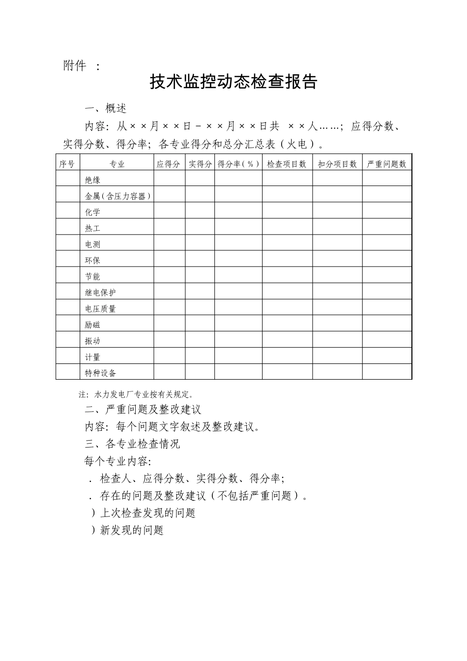
中国大唐集团公司技术监控动态检查管理办法 第一条 为了贯彻落实中国大唐集团公司(以下简称集团公司)技术监控管理“关口前移、闭环管理”的工作思路,根据《中国大唐集团公司技术监控管理办法》,制定本办法。 第二条 技术监控动态检查依据《中国大唐集团公司技术监控动态检查考核表》和《中国大唐集团公司水力发电厂技术监控动态检查考核表》。检查的重点是按规程、制度、标准要求应该完成的项目是否按时完成,以及技术监控管理中存在的威胁安全生产的管理问题和设备问题。 第三条 技术监控动态检查由技术监控服务单位进行,各发电企业在检查前应进行自查。 第四条 技术监控动态检查每年进行两次,上下半年各一次(上半年在 5月 15日-6月 30日之间,下半年在 11月 15日-12月 31日之间),参加检查的人员每个专业 1-2人,有效工作日不得少于两天,具体检查日期由技术监控服务单位和分子公司、发电企业协商确定。检查后两周内完成检查报告(见附件 1),并将检查报告电子版和书面报告一式 1份报集团公司安全生产部,各分、子公司,发电企业所需报告数量和形式由各分、子公司,发电企业与技术监控服务单位协商确定。 第五条 发电企业收到动态检查报告后,应组织有关人员会同技术监控服务单位在两周内完成整改计划(见附件 2)的制定,报分、子公司审核。每个查出的问题,技术监控服务单位、发电企业各确定一名责任人,发电企业负责整改,技术监控服务单位提供技术支持,并进行整改跟踪。分、子公司将所管理和所属企业整改计划一起报集团公司备案(每半年第一个月底前)。 第六条 技术监控服务单位在进行动态检查时,要核查上次整改计划的完成情况,并出具上次整改情况专题报告(见附件3),附于动态检查报告后,作为一个报告报送。 第七条 集团公司将通过有关渠道,每年两次公布各发电企业动态检查的得分情况。 第八条 动态检查查出的问题,发电企业要逐条录入技术监控管理信息系统中的“发现的问题”(每半年第一个月底前)。 第九条 集团公司技术监控管理办公室在各地区进行技术监控动态检查后,组织各技术服务单位进行区域间的技术监控互查。 第十条 本办法适用于集团公司各分、子公司,各基层企业、技术监控服务单位。 第十一条 本办法由集团公司安全生产部负责解释。 第十二条 本办法自发布之日起执行。 附件1: 技 术 监 控 动态检查报告 一、概述 内容:从××月××日-××月××日共 ××...

1、当您付费下载文档后,您只拥有了使用权限,并不意味着购买了版权,文档只能用于自身使用,不得用于其他商业用途(如 [转卖]进行直接盈利或[编辑后售卖]进行间接盈利)。
2、本站所有内容均由合作方或网友上传,本站不对文档的完整性、权威性及其观点立场正确性做任何保证或承诺!文档内容仅供研究参考,付费前请自行鉴别。
3、如文档内容存在违规,或者侵犯商业秘密、侵犯著作权等,请点击“违规举报”。

碎片内容

中国大唐集团公司技术监控动态检查管理办法

确认删除?
VIP
微信客服
  • 扫码咨询
会员Q群
  • 会员专属群点击这里加入QQ群
客服邮箱
回到顶部