电脑桌面
添加小米粒文库到电脑桌面
安装后可以在桌面快捷访问

企业标准《CAD制图规则》VIP专享

企业标准《CAD制图规则》_第1页
1/7
企业标准《CAD制图规则》_第2页
2/7
企业标准《CAD制图规则》_第3页
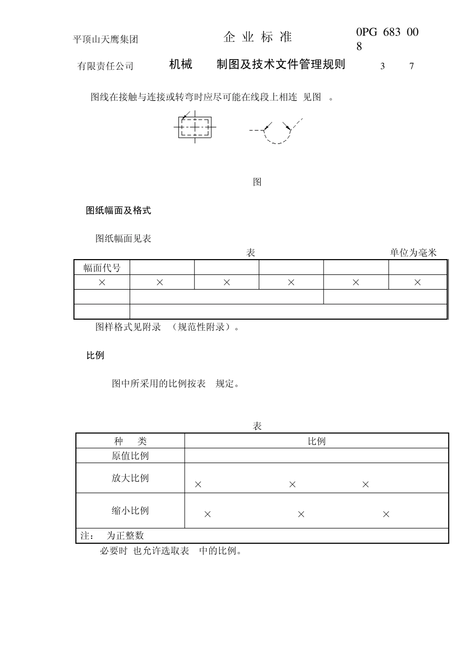
3/7
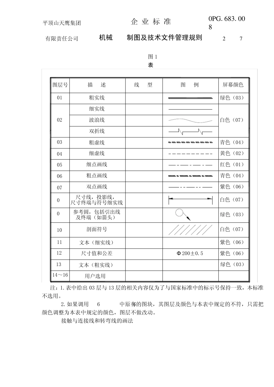
平顶山天鹰集团 企 业 标 准 0PG.683.008 有限责任公司 机械CAD制图及技术文件管理规则 1 7 1 范围 本标准规定了机械工程中计算机辅助设计(以下简称CAD)制图及技术文件管理 规则。 本标准适用于天鹰集团公司在计算机及其外围设备中进行显示、绘制、打印的 机械工程图样及有关技术文件。 2 规范性引用文件 Q/TY J00.001-2001 产品图样和设计文件的完整性及审批程序 Q/TY G00.010-2001 技术标准(技术文件)编写的基本规定 Q/TY J00.022-2001 工艺文件的完整性及审批程序 3 基本原则 3.1 凡在计算机及其外围设备中绘制机械工程图样时,如涉及本标准中未规定的内容, 应符合有关标准和规定。 3.2 在机械工程制图中用CAD绘制的机械工程图样,首先应考虑表达准确,视图方便。 在完整、清晰、准确地表达机件各部分形状的前提下,力求制图简便。 3.3 用CAD绘制机械图样时,应尽量采用CAD新技术。 4 图线 4.1 图样中粗实线、粗点画线宽度原则上为 0.5mm,必要时(如两直线间距过近容易 重合时)也可选用0.35mm。 4.2 图样中各种线型在计算机中的分层及在屏幕上的颜色按表 1规定。 4.3 非连续线的画法 4.3.1 相交线 图线应尽量相交在线段上,绘制圆时,应画出圆心符号,见图1。 a) b) 平顶山天鹰集团 企 业 标 准 0PG.683.008 有限责任公司 机械CAD制图及技术文件管理规则 2 7 图1 表 1 描 述线 型图 例屏幕颜色01粗实线绿色(03)细实线波浪线白色(07)双折线F黄色(02)细点画线G红色(01)粗点画线J青色(04)双点画线K紫色(06)紫色(06)尺寸值和公差紫色(06)02白色(07)绿色(03)剖面符号白色(07)参考圆,包括引出线及终端(如箭头)尺寸线,投影线,尺寸终端与符号细实线ABCDΦ 200±0.503粗虚线细虚线E0405060708091011文本(细实线)1213用户选用文本(粗实线)14~16KLMN青色(04)绿色(03)图层号 注:1.表中给出03 层与13 层的相关内容仅为了与国家标准中的标示号保持一致,本标准不选用。 2.如果调用 m6(Acadm6)中原有的图块,其图层及颜色与本表中规定的不符,只需把颜色调整为本表中规定的颜色,图层不做改动。 4.3.2 接触与连接线和转弯线的画法 平顶山天鹰集团 企 业 标 准 0PG.683.008 有限责任公司 机械CAD制图及技术文件管理规则 3 7 图线在接触与连接或转弯时应尽可能在线段上相连,见图2。 a) b) 图2 5 图纸幅面及格式 5.1 图...

1、当您付费下载文档后,您只拥有了使用权限,并不意味着购买了版权,文档只能用于自身使用,不得用于其他商业用途(如 [转卖]进行直接盈利或[编辑后售卖]进行间接盈利)。
2、本站所有内容均由合作方或网友上传,本站不对文档的完整性、权威性及其观点立场正确性做任何保证或承诺!文档内容仅供研究参考,付费前请自行鉴别。
3、如文档内容存在违规,或者侵犯商业秘密、侵犯著作权等,请点击“违规举报”。

碎片内容

企业标准《CAD制图规则》

确认删除?
VIP
微信客服
  • 扫码咨询
会员Q群
  • 会员专属群点击这里加入QQ群
客服邮箱
回到顶部