电脑桌面
添加小米粒文库到电脑桌面
安装后可以在桌面快捷访问

伴热带功率计算

伴热带功率计算_第1页
1/6
伴热带功率计算_第2页
2/6
伴热带功率计算_第3页
3/6
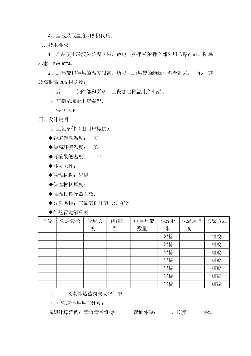
伴热带功率计算 七、技术文件 一、前言 1、本标书是为洛阳中硅高科一分公司三氯氢硅和氢气混合物管道用的电伴热带设备的设计、制造、选材、检验、试验、装运、供货范围、性能保证、卖方图纸和资料等方面所提出的基本要求。 2、图纸和文件资料的计量单位采用国家法定的国际单位。 3、文件资料使用的语言和文字为中文。 二、设计基础 1、管内介质:三氯氢硅和氢气混合物,标况密度 1.28g/L,混合气压力 0.8Mpa 2、要求提供的主要产品: (1)三相并联电热带 (间歇性伴热) 安装位置:还原 A、B、C、E 区夹层南北侧路两管道(DN200)东、西头各10m 附:DN200 管道介质流量如下-- 还原 A 区总长度 40m,其中东头南北侧各 10m,介质流量均为 10000 Nm3/h 西头南北侧各 10m,介质流量均为 5000 Nm3/h 还原 B 区总长度 40m,其中南北侧东头各 10m,介质流量均为 15000 Nm3/h 西头南北侧各 10m,介质流量均为 7500 Nm3/h 还原 C 区总长度 40 m,其中东头南北侧各 10m,介质流量均为 6000 Nm3/h 西头南北侧各 10m,介质流量均为 3000 Nm3/h 还原 E 区总长度 40m,其中东头南北侧各 10m,介质流量均为 15000Nm3/h 西头南北侧各 10m,介质流量均为 7500 Nm3/h 以上管道进口温度:35 摄氏度,要求加热后出口温度:60 摄氏度 (2)自限温电伴热带 安装位置:后 2000t 保障部和原料二工段 DN60 长度 1.5 米,DN75 长度 4米; 还原车间:DN15 总长度为 180 米,共分 104 个供热点; 压力变送器(DN15 管)共 69 个; 以上要求伴热后介质温度高于冰点温度。 3、保温材料岩棉,保温厚度 50mm。 4、当地最低温度--15 摄氏度。 三、技术要求 1、产品使用环境为防爆区域,故电加热带及附件全部采用防爆产品,防爆标志:ExdIICT4。 2、加热带和伴热的温度很高,所以电加热带的绝缘材料全部采用F46,其最高耐温205 摄氏度; 3、后2000t保障部和原料二工段加自限温电伴热带; 4、控制系统采用防爆型; 5、供电电压AC380V/220V,50HZ 四、设计说明 1、工艺条件(由用户提供) ◆管道伴热温度:60℃ ◆最高环境温度:39℃ ◆环境最低温度:-15℃ ◆环境风速:20m/s ◆保温材料:岩棉 ◆保温材料厚度:50 mm ◆保温材料导热系数:0.036 ◆介质名称:三氯氢硅和氢气混合物 ◆伴热管道清单表 序号 管道管径 mm 管道长度m 缠绕间距 mm 电伴热带数量 m 保...

1、当您付费下载文档后,您只拥有了使用权限,并不意味着购买了版权,文档只能用于自身使用,不得用于其他商业用途(如 [转卖]进行直接盈利或[编辑后售卖]进行间接盈利)。
2、本站所有内容均由合作方或网友上传,本站不对文档的完整性、权威性及其观点立场正确性做任何保证或承诺!文档内容仅供研究参考,付费前请自行鉴别。
3、如文档内容存在违规,或者侵犯商业秘密、侵犯著作权等,请点击“违规举报”。

碎片内容

伴热带功率计算

您可能关注的文档

小辰+ 关注
实名认证
内容提供者

出售各种文档和资料

相关文档

确认删除?
VIP
微信客服
  • 扫码咨询
会员Q群
  • 会员专属群点击这里加入QQ群
客服邮箱
回到顶部