电脑桌面
添加小米粒文库到电脑桌面
安装后可以在桌面快捷访问

低烟无卤阻燃电缆WDZ

低烟无卤阻燃电缆WDZ_第1页
1/11
低烟无卤阻燃电缆WDZ_第2页
2/11
低烟无卤阻燃电缆WDZ_第3页
3/11
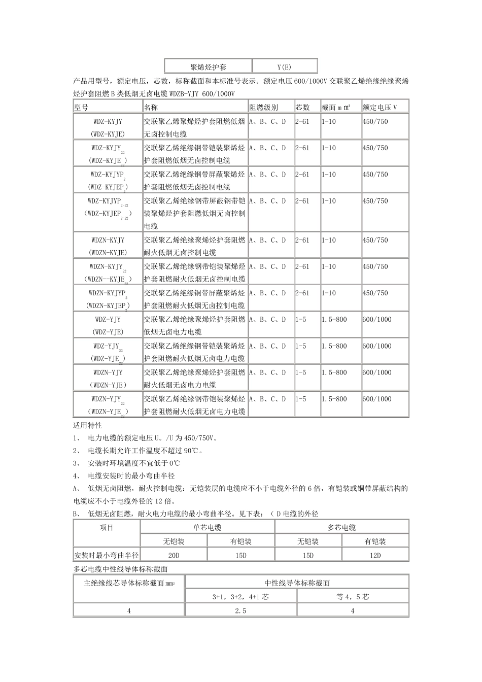
低 烟 无 卤 阻 燃 电 缆 WDZ-YJY WDZN-KYJY22 低 烟 无 卤 阻 燃 电 缆 产 品 适 用 于 额 定 电 压 0.6/1KV 及 以 下 的 电 力 线 路 中 作 输 送 电 能 用 。 产 品 执 行 标 准 : 企 业 标 准 低 烟 无 卤 电 缆 的 说 明 低 烟 无 卤 电 缆 可 分 为 低 烟 无 卤 阻 燃 系 列 和 低 烟 无 卤 耐 火 系 列 。 低 烟 无 卤 电 缆 是 本 公 司 参 展 法 国 标 准 RCCE 及 NF 系 列 标 准 , 国 家 标 准GB/T18380,GB/T19216,GB/T17651,GB/T17650 及 国 际 标 准 进 行 生 产 。 低 烟 无 卤 阻 燃 电 缆 具 有 难 以 着 火 并 具 有 阻 止 或 蔓 延 的 能 力 , 而 且 , 一 旦 着 火 , 它 具 有 无 卤 , 低 烟 , 无 毒 ,无 腐 蚀 等 特 性 。 适 用 于 如 高 层 建 筑 , 宾 馆 , 医 院 , 地 铁 , 核 电 站 , 隧 道 , 发 电 厂 , 矿 山 , 石 油 , 化 工 等 。 低 烟 无 卤 耐 火 电 缆 除 满 足 低 烟 无 卤 阻 燃 电 缆 的 特 性 外 , 它 还 能 在 火 灾 条 件 下 满 足 线 路 供 电 的 能 力 。 主 要 用于 火 灾 报 警 , 消 防 设 备 , 排 烟 设 备 , 以 及 紧 急 通 道 运 输 , 照 明 等 应 急 设 施 的 供 电 线 路 中 需要 耐 火 的 场所。 低 烟 无 卤 电 缆 的 阻 燃 等 级 根据GB/T18380.3-2002 规定 的 试验条 件 , 低 烟 无 卤 电 缆 的 阻 燃 等 级分 为 A、B、C、D 四个等 级。 阻 燃 等 级 供 火 温度 供 火 时间 成束敷设 电 缆 的 非金属材料体积 碳化 高 度 自息时间 A ≥815℃ 40min ≥7 升/米 ≤ 2.5 米 ≤ 1h B ≥815℃ 40min ≥3.5 升/米 ≤ 2.5 米 ≤ 1h C ≥815℃ 20min ≥1.5 升/米 ≤ 2.5 米 ≤ 1h D ≥815℃ 20min ≥0.5 升/米 ≤ 2.5 米 ≤ 1h 低 烟 无 卤 电 缆 绝 缘 采 用 不 含 卤 素 的 交 联 聚 乙 烯 , 护 套 采 用 了 不 含 卤 素 的 聚 烯 烃 材 料, 所以 组 成电 缆 的 所有 材料都 不 含 卤 素 。 电...

1、当您付费下载文档后,您只拥有了使用权限,并不意味着购买了版权,文档只能用于自身使用,不得用于其他商业用途(如 [转卖]进行直接盈利或[编辑后售卖]进行间接盈利)。
2、本站所有内容均由合作方或网友上传,本站不对文档的完整性、权威性及其观点立场正确性做任何保证或承诺!文档内容仅供研究参考,付费前请自行鉴别。
3、如文档内容存在违规,或者侵犯商业秘密、侵犯著作权等,请点击“违规举报”。

碎片内容

低烟无卤阻燃电缆WDZ

您可能关注的文档

确认删除?
VIP
微信客服
  • 扫码咨询
会员Q群
  • 会员专属群点击这里加入QQ群
客服邮箱
回到顶部