电脑桌面
添加小米粒文库到电脑桌面
安装后可以在桌面快捷访问

住宅负荷计算

住宅负荷计算_第1页
1/11
住宅负荷计算_第2页
2/11
住宅负荷计算_第3页
3/11
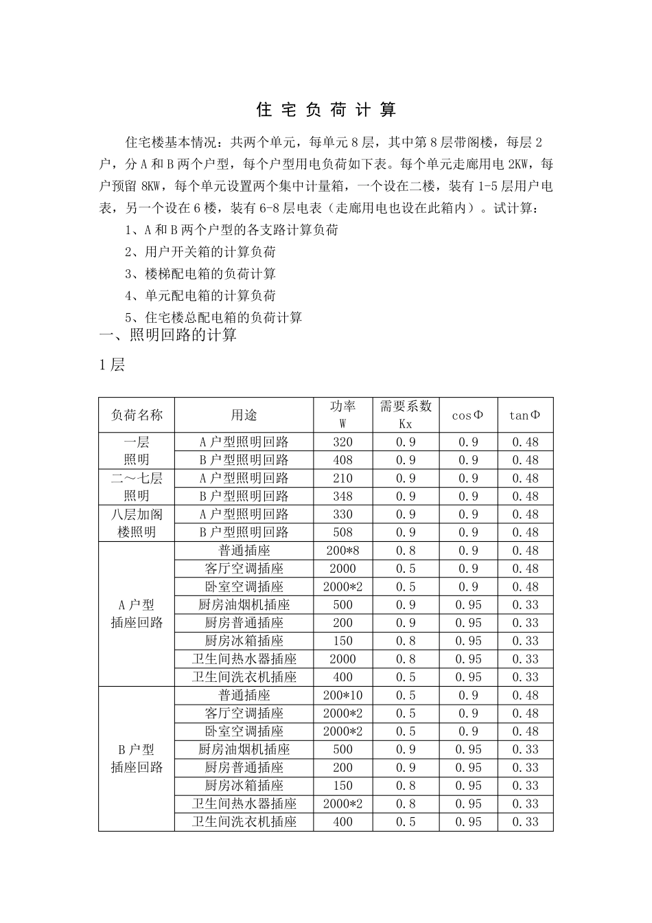
住 宅 负 荷 计 算 住宅楼基本情况:共两个单元,每单元8 层,其中第8 层带阁楼,每层2户,分A 和B 两个户型,每个户型用电负荷如下表。每个单元走廊用电2KW,每户预留8KW,每个单元设置两个集中计量箱,一个设在二楼,装有1-5 层用户电表,另一个设在6 楼,装有6-8 层电表(走廊用电也设在此箱内)。试计算: 1、A 和B 两个户型的各支路计算负荷 2、用户开关箱的计算负荷 3、楼梯配电箱的负荷计算 4、单元配电箱的计算负荷 5、住宅楼总配电箱的负荷计算 一、照明回路的计算 1 层 负荷名称 用途 功率 W 需要系数 Kx cosΦ tanΦ 一层 照明 A 户型照明回路 320 0.9 0.9 0.48 B 户型照明回路 408 0.9 0.9 0.48 二~七层 照明 A 户型照明回路 210 0.9 0.9 0.48 B 户型照明回路 348 0.9 0.9 0.48 八层加阁楼照明 A 户型照明回路 330 0.9 0.9 0.48 B 户型照明回路 508 0.9 0.9 0.48 A 户型 插座回路 普通插座 200*8 0.8 0.9 0.48 客厅空调插座 2000 0.5 0.9 0.48 卧室空调插座 2000*2 0.5 0.9 0.48 厨房油烟机插座 500 0.9 0.95 0.33 厨房普通插座 200 0.9 0.95 0.33 厨房冰箱插座 150 0.8 0.95 0.33 卫生间热水器插座 2000 0.8 0.95 0.33 卫生间洗衣机插座 400 0.5 0.95 0.33 B 户型 插座回路 普通插座 200*10 0.5 0.9 0.48 客厅空调插座 2000*2 0.5 0.9 0.48 卧室空调插座 2000*2 0.5 0.9 0.48 厨房油烟机插座 500 0.9 0.95 0.33 厨房普通插座 200 0.9 0.95 0.33 厨房冰箱插座 150 0.8 0.95 0.33 卫生间热水器插座 2000*2 0.8 0.95 0.33 卫生间洗衣机插座 400 0.5 0.95 0.33 A 户型 照明:总功率320W 取Pe=0.32kW Kd=0.9 cosφ=0.9tgφ=0.48 Pc= Pe×Kd=0.32×0.9=0.288kW Qc= Pc×tgφ=0.288×0.48=0.134kvar Sc===0.317kVA Ic===1.44A 断路器长延时过流脱扣器的整定电流应大于等于线路的计算电流Izd1≧Kzd1×Ic Kzd1=1.1 Izd1≧1.1×1.44=1.584A 工程上规定单相供电回路所采用的微型断路器的最小容量为16A,通过查得其载流量知应选用截面积为2.5mm²的BV 聚 氯 乙 烯 绝 缘 铜 导 线。 故 照明回路选择 NB1-L63C16 型断路器,2×2.5mm²的BV 聚 氯 乙 烯 绝 缘 铜 导 线,穿 直 径 20 的PVC 管 沿 顶 棚 暗 敷 设 。 B 户型...

1、当您付费下载文档后,您只拥有了使用权限,并不意味着购买了版权,文档只能用于自身使用,不得用于其他商业用途(如 [转卖]进行直接盈利或[编辑后售卖]进行间接盈利)。
2、本站所有内容均由合作方或网友上传,本站不对文档的完整性、权威性及其观点立场正确性做任何保证或承诺!文档内容仅供研究参考,付费前请自行鉴别。
3、如文档内容存在违规,或者侵犯商业秘密、侵犯著作权等,请点击“违规举报”。

碎片内容

住宅负荷计算

小辰+ 关注
实名认证
内容提供者

出售各种文档和资料

确认删除?
VIP
微信客服
  • 扫码咨询
会员Q群
  • 会员专属群点击这里加入QQ群
客服邮箱
回到顶部