电脑桌面
添加小米粒文库到电脑桌面
安装后可以在桌面快捷访问

作业活动危害因素识别及风险分级管控清单

作业活动危害因素识别及风险分级管控清单_第1页
1/30
作业活动危害因素识别及风险分级管控清单_第2页
2/30
作业活动危害因素识别及风险分级管控清单_第3页
3/30
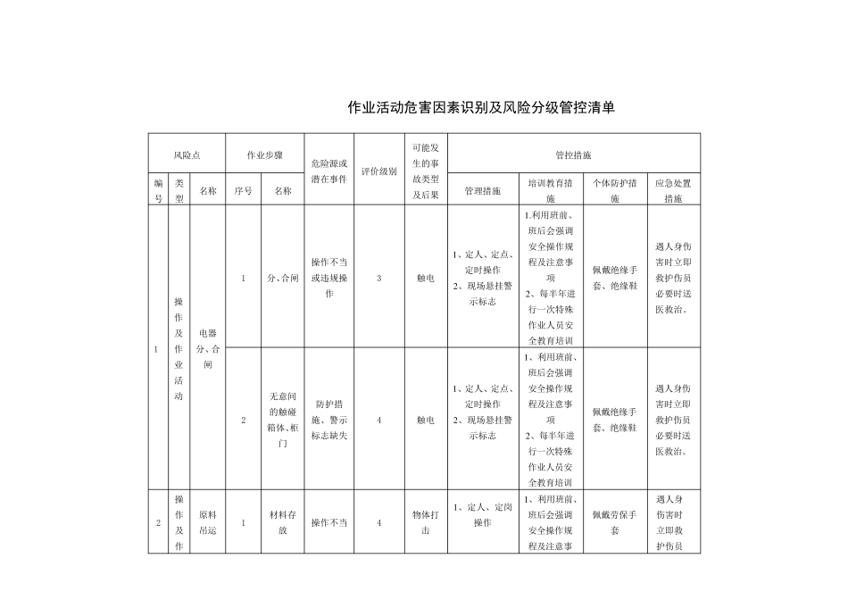
作业活动危害因素识别及风险分级管控清单 风险点 作业步骤 危险源或潜在事件 评价级别 可能发生的事故类型及后果 管控措施 编号 类型 名称 序号 名称 管理措施 培训教育措施 个体防护措施 应急处置措施 1 操作及作业活动 电器分、合闸 1 分、合闸 操作不当或违规操作 3 触电 1 、定人、定点、定时操作 2 、现场悬挂警示标志 1 .利用班前、班后会强调安全操作规程及注意事项 2 、每半年进行一次特殊作业人员安全教育培训 佩戴绝缘手套、绝缘鞋 遇人身伤害时立即救护伤员必要时送医救治。 2 无意间的触碰箱体、柜门 防护措施、警示标志缺失 4 触电 1 、定人、定点、定时操作 2 、现场悬挂警示标志 1 、利用班前、班后会强调安全操作规程及注意事项 2 、每半年进行一次特殊作业人员安全教育培训 佩戴绝缘手套、绝缘鞋 遇人身伤害时立即救护伤员必要时送医救治。 2 操作及作原料吊运 1 材料存放 操作不当 4 物体打击 1 、定人、定岗操作 1 、利用班前、班后会强调安全操作规程及注意事佩戴劳保手套 遇人身伤害时立即救护伤员 风险点 作业步骤 危险源或潜在事件 评价级别 可能发生的事故类型及后果 管控措施 编号 类型 名称 序号 名称 管理措施 培训教育措施 个体防护措施 应急处置措施 业活动 项 必要时送医救治。 2 吊运 操作失误或违章操作 2 起重伤害 1 、定人、定岗时操作 2 、现场悬挂警示标志 1 、利用班前、班后会强调安全操作规程及注意事项 佩戴劳保手套 1 、出现意外紧急停车2 、遇人身伤害时立即救护伤员必要时送医救治。 3 操作及作业活动 冲压 1 原材料搬运 板材码垛时出现坍塌 4 物体打击 1 、定人、定岗操作 1 、利用班前、班后会强调安全操作规程及注意事项 佩戴劳保手套 遇人身伤害时立即救护伤员必要时送医救治。 2 冲孔 操作不当或违章操作 3 机械伤害 1 、定人、定岗时操作 2 、现场悬挂警示标志 1 、利用班前、班后会强调安全操作规程及注意事项 佩戴劳保手套 1 、出现意外紧急停车2 、遇人身伤害时立即救护伤 风险点 作业步骤 危险源或潜在事件 评价级别 可能发生的事故类型及后果 管控措施 编号 类型 名称 序号 名称 管理措施 培训教育措施 个体防护措施 应急处置措施 员必要时送医救治。 4 操作及作业活动 下料 1 上、下料 操作失误 3 机械伤害 1 、定人、定岗时操作...

1、当您付费下载文档后,您只拥有了使用权限,并不意味着购买了版权,文档只能用于自身使用,不得用于其他商业用途(如 [转卖]进行直接盈利或[编辑后售卖]进行间接盈利)。
2、本站所有内容均由合作方或网友上传,本站不对文档的完整性、权威性及其观点立场正确性做任何保证或承诺!文档内容仅供研究参考,付费前请自行鉴别。
3、如文档内容存在违规,或者侵犯商业秘密、侵犯著作权等,请点击“违规举报”。

碎片内容

作业活动危害因素识别及风险分级管控清单

您可能关注的文档

确认删除?
VIP
微信客服
  • 扫码咨询
会员Q群
  • 会员专属群点击这里加入QQ群
客服邮箱
回到顶部