电脑桌面
添加小米粒文库到电脑桌面
安装后可以在桌面快捷访问

(完整版)钳工实训图纸

(完整版)钳工实训图纸_第1页
1/16
(完整版)钳工实训图纸_第2页
2/16
(完整版)钳工实训图纸_第3页
3/16
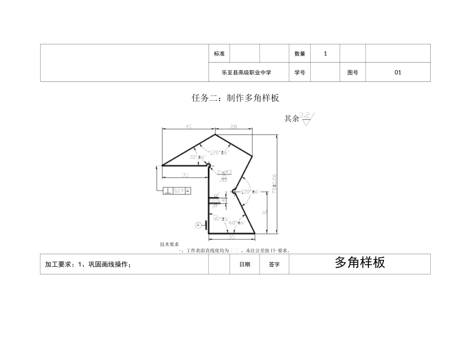
Gae任务一:画线练习日期签字画线制图审核比例1:1材料45 钢板标准数量1乐至县高级职业中学学号图号01任务二:制作多角样板技术要求-、工件表面直线度均为「'匚、未注公差按 IT-要求。加工要求:1、巩固画线操作;日期签字多角样板加工要求:1、划出内 T 形全部加工线;2、钻排孔后錾去余料锯;丄-<■L、日期签字T 形板制图审核比例1:1材料45 钢板处LD...日期0.10任务四:制作工形板其余一20±0.10技术要求工形板加工要求:1、通过锯、錾、锉、钻等操作完成工件;签字1、锐边去毛刺;2、孔口倒角一。.祐兰40±0.15/〔-1标准数量1乐至县高级职业中学学号图号03I:cc日期任务五:制作 E 字板其余—HC10.D37:X;1H':E 字板加工要求:1、学会铰孔签字6-0.05」-■:忙11 处丄 I:匚标准数量1乐至县高级职业中学学号图号06――-_3..处I0.03加工要求:1、注意配合间隙;任务八:锉配凹凸体.20-SJO5.0.LAP丄 0.03:BrqC6Gt0.05-=OAA丄 0C3&中OO+I2日期签字凹凸体配合制图审核比例1:1材料4507标准数量1乐至县高级职业中学学号图号任务九:制作 V 形镶配07AJ¥11292任务七:攻丝练习2 嘶Bn-'^7 加/龙!11 4•73V/ LIWWW1 彳D日期签字螺纹孔板制图审核比例1:1材料45 钢板2XM2O全部4 处3X^530日期加工要求:1 锐边倒角 R0.3;錾口锤子签字2010.2W112标准数量1乐至县高级职业中学学号图号07任务十:制作錾口锤子120±0.0512 组i峙

1、当您付费下载文档后,您只拥有了使用权限,并不意味着购买了版权,文档只能用于自身使用,不得用于其他商业用途(如 [转卖]进行直接盈利或[编辑后售卖]进行间接盈利)。
2、本站所有内容均由合作方或网友上传,本站不对文档的完整性、权威性及其观点立场正确性做任何保证或承诺!文档内容仅供研究参考,付费前请自行鉴别。
3、如文档内容存在违规,或者侵犯商业秘密、侵犯著作权等,请点击“违规举报”。

碎片内容

(完整版)钳工实训图纸

确认删除?
VIP
微信客服
  • 扫码咨询
会员Q群
  • 会员专属群点击这里加入QQ群
客服邮箱
回到顶部