电脑桌面
添加小米粒文库到电脑桌面
安装后可以在桌面快捷访问

元件封装尺寸大全

元件封装尺寸大全_第1页
1/47
元件封装尺寸大全_第2页
2/47
元件封装尺寸大全_第3页
3/47
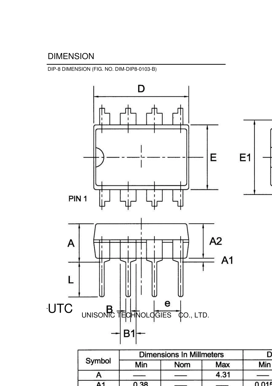
DIMENSION DIP-8 DIMENSION (FIG. NO. DIM-DIP8-0103-B) UTC UNISONIC TECHNOLOGIES CO., LTD. DIMENSION DIP-14 DIMENSION (FIG. NO. DIM-DIP14-0103-B) UTC UNISONIC TECHNOLOGIES CO., LTD. DIMENSION DIP-16 DIMENSION (FIG. NO. DIM-DIP16-0103-B) UTC UNISONIC TECHNOLOGIES CO., LTD. DIMENSION DIP-28 DIMENSION (FIG. NO. DIM-DIP28-0103-B) UTC UNISONIC TECHNOLOGIES CO., LTD. DIMENSION DIP-12H DIMENSION (FIG. NO. DIM-DIP12H-0103-B) UTC UNISONIC TECHNOLOGIES CO., LTD. DIMENSION SDIP-24 DIMENSION (FIG. NO. DIM-SDIP24-0103-A) UTC UNISONIC TECHNOLOGIES CO., LTD. DIMENSION FSIP-12H DIMENSION (FIG. NO. DIM-FSIP12-0103-B) UTC UNISONIC TECHNOLOGIES CO., LTD. DIMENSION SOP-8 DIMENSION (FIG. NO. DIM-SOP8-0103-B) UTC UNISONIC TECHNOLOGIES CO., LTD. DIMENSION SOP-14 DIMENSION (FIG. NO. DIM-SOP14-0103-B) UTC UNISONIC TECHNOLOGIES CO., LTD. DIMENSION SOP-16 DIMENSION (FIG. NO. DIM-SOP16-0103-B) UTC UNISONIC TECHNOLOGIES CO., LTD. DIMENSION SOP-20 DIMENSION (FIG. NO. DIM-SOP20-0103-A) UTC UNISONIC TECHNOLOGIES CO., LTD. DIMENSION SOP-24 DIMENSION (FIG. NO. DIM-SOP24-0103-A) UTC UNISONIC TECHNOLOGIES CO., LTD. DIMENSION SOP-28 DIMENSION (FIG. NO. DIM-SOP28-0103-B) UTC UNISONIC TECHNOLOGIES CO., LTD. DIMENSION TO-92 DIMENSION (FIG. NO. DIM-TO92-0104-B) UTC UNISONIC TECHNOLOGIES CO., LTD. DIMENSION TO-92L DIMENSION (FIG. NO. DIM-TO92L-0002-A) UTC UNISONIC TECHNOLOGIES CO., LTD. DIMENSION TO-92M DIMENSION (FIG. NO. DIM-TO92M-0002-A) UTC UNISONIC TECHNOLOGIES CO., LTD. DIMENSION TO-92SP DIMENSION (FIG. NO. DIM-TO92SP-0011-B) UTC UNISONIC TECHNOLOGIES CO., LTD. DIMENSION TO-92NL DIMENSION (FIG. NO. DIM-TO92NL-0103-B) UTC UNISONIC TECHNOLOGIES CO., LTD. DIMENSION TO-126 DIMENSION (FIG. NO. DIM-TO126-0002-A) UTC UNISONIC TECHNOLOGIES CO., LTD. DIMENSION TO-220 DIMENSION (FIG. NO. DIM-TO220-01...

1、当您付费下载文档后,您只拥有了使用权限,并不意味着购买了版权,文档只能用于自身使用,不得用于其他商业用途(如 [转卖]进行直接盈利或[编辑后售卖]进行间接盈利)。
2、本站所有内容均由合作方或网友上传,本站不对文档的完整性、权威性及其观点立场正确性做任何保证或承诺!文档内容仅供研究参考,付费前请自行鉴别。
3、如文档内容存在违规,或者侵犯商业秘密、侵犯著作权等,请点击“违规举报”。

碎片内容

元件封装尺寸大全

确认删除?
VIP
微信客服
  • 扫码咨询
会员Q群
  • 会员专属群点击这里加入QQ群
客服邮箱
回到顶部