导语:随着行业的进展,人们也在寻找一种合适的产品希望能替代传统的聚合物,来减低组件封装材料花费的成本.虽然新兴的讨论技术使得近年来...
RJ11,RJ14,RJ25 引脚定义RJ11 和 RJ14、RJ25 为同一系列,尺寸相同,都是 9。5mm 宽,只是触点数量不同。RJ11只有中间一对触点,可以...
在画 PCB 封装的时候如何避开一些莫名其妙的规则问题1、变压器的封装莫名其妙的变绿,元件与元件之间的距离是 OK 的,焊盘与焊盘之间的...
LED 显示屏生产工艺及 LED 显示屏封装工艺技术介绍一、LED 显示屏生产工艺1.LED 显示屏工艺:a)清洗:采纳超声波清洗 PCB 或 LED...
LED 封装结构及技术 作者:深圳亮剑科技(摘抄)1 推举LED 是一类可直接将电能转化为可见光和辐射能的发光器件,具有工作电压低,耗电量...
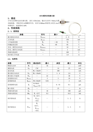
DFB 蝶形封装激光器1,描述 分布式反馈特定波长激光器, 波长 1550±2nm,输出光功率≥10mw,内置光隔离器, 带制冷的 14 脚蝶形外壳...
实验二十三 路由器PPP链路封装-PAP单向配置实验【实验目的】掌握路由器上PPP的相关配置,PAP和CHAP验证的简单配置。【实验背景】随着公司...
太阳能电池组件封装工艺讨论太阳能电池组件封装工艺讨论 摘要:太阳能电池组件线又叫封装线,封装是太阳能电池生产中的关键步骤,没有良好...
文件编号:CHK-WI-JS-00制订部门:技术中心版本版次:A/0生效日期:2025-11-22受控印章:编 制审 核批 准文件修订记录版本修 订 内 容修订...
java 面对对象编程、类的封装、接口和基本类库练习题 编辑整理:尊敬的读者朋友们:这里是精品文档编辑中心,本文档内容是由我和我的同事...
silkscreen top:是字符层,一般称顶层字符或元件面字符,为各元器件的外框及名称标识等,都用此层进行布局,个人认为最好与place_bound_to...
0805 零件库封装制作步骤步骤进入界面后,File ---> NEW 保留路径和创建焊盘要在一个文件夹完成上述步骤后,进入界面,首优异行相关设...
Cadence Allegro 元件封装制作步骤1. 引言一个元件封装制作过程以下图所表示。简单来说,首先用户需要制作自己焊盘库Pads,包含一般焊盘...
1、BGA(ball grid array) 球形触点陈列,表面贴装型封装之一。在印刷基板得背面按陈列方式制作出球形凸点用 以 代替引脚,在印刷基板得...
易碎密封包装液体物品封装办法为满足市场寄递易碎密封包装液体物品需求,提供安全快捷专业的易碎液体物品包装和寄递服务,制定《易碎密封包...
常见钽电容的封装(1 页)Good is good, but better carries it.精益求精,善益求善。常见钽电容的封装A 型:3.2*1.6*1.6(mm)3216...
贴片钽电容规格与封装 一、贴片钽电容简述 贴片钽电容(以下简称钽电容)作为电解电容器中得一类。广泛应用于各类电子产品,特别就是一些高...
常用贴片元件封装尺寸图(72 页)Good is good, but better carries it.精益求精,善益求善。目录TO-268AA 贴片元件封装形式图片.......
三极管得封装形式就是指三极管得外形参数,也就就是安装半导体三极管用得外壳。材料方面,三极管得封装形式主要有金属、陶瓷与塑料形式;结...
标签: HYPERLINK "http://blog.ednchina.com/Label/USB2.0.aspx" \o "USB2.0" µUSB2.0§ USB 接口定义及封装 USB 全称 Univers...

