电脑桌面
添加小米粒文库到电脑桌面
安装后可以在桌面快捷访问

DFB蝶形封装激光器

DFB蝶形封装激光器_第1页
1/3
DFB蝶形封装激光器_第2页
2/3
DFB蝶形封装激光器_第3页
3/3
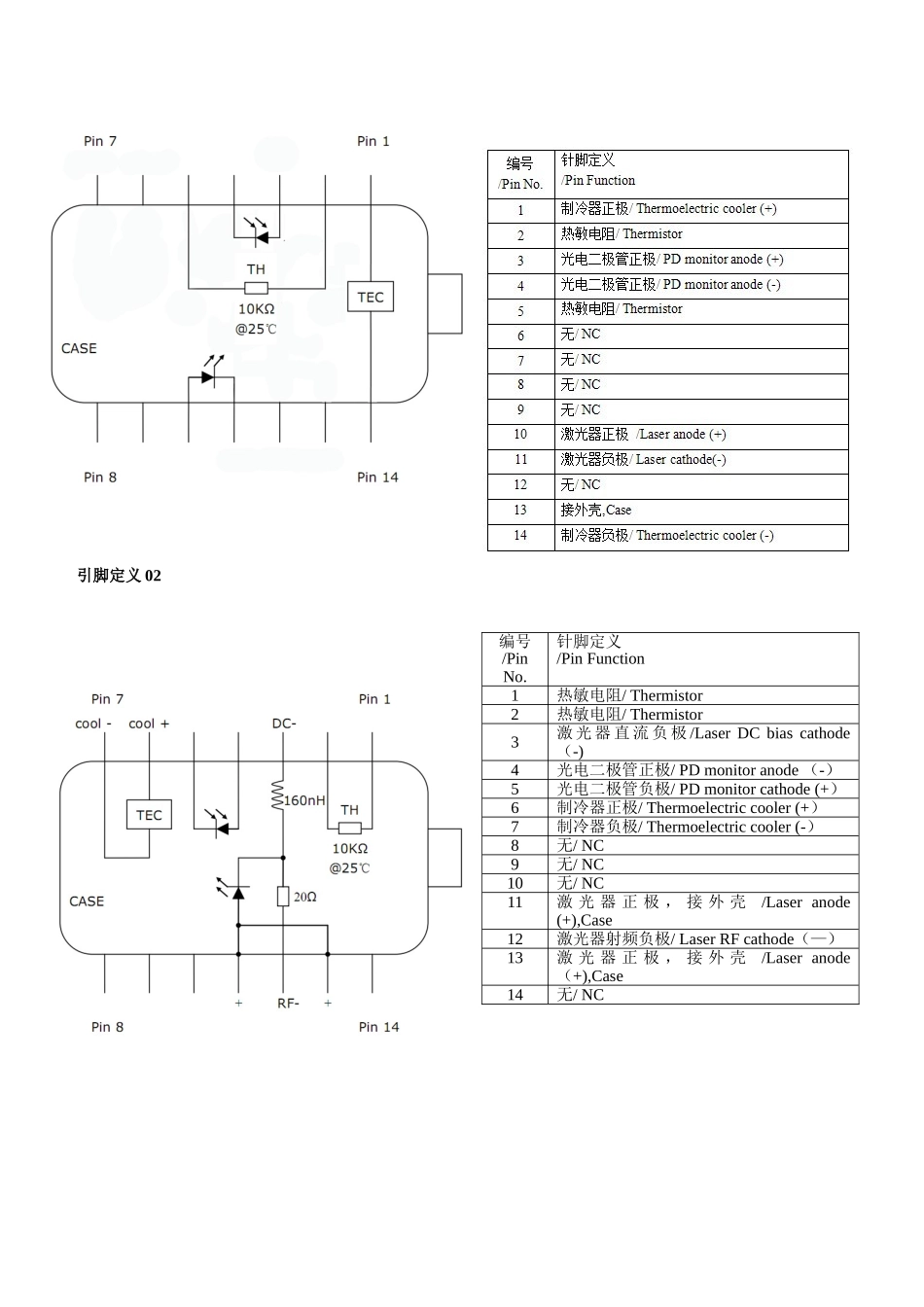
DFB 蝶形封装激光器1,描述 分布式反馈特定波长激光器, 波长 1550±2nm,输出光功率≥10mw,内置光隔离器, 带制冷的 14 脚蝶形外壳,直径为 900um 紧套管,长度为 1m 的单模尾纤,连接器 FC/APC2,性能规格2。1,极限值参数符号最小最大单位激光器反向电压VRLMAX—2。0V正向电流IFLMAX-150mA工作温度范围TO—2070℃贮藏温度范围Tstg-4085℃光电二极管反向电压VRPDMAX-10V光电二极管正向电流IFPDMAX—2mA热敏电阻温度—-100℃制冷器工作电流——1.9A2.2,电特性参数符号测试条件最小典型最大单位峰值光功率PP—10-—mW阈值电流ITHCW-1425mA驱动电流—PO =10mW—100-mA激光器正向电压VLFPO =10mW—1。42.0V激光器工作温度TLD—22—30℃监视器反向压VRMON-3510V监视器电流IRMONPO=10mW0.01—2mA监视器暗电流IDIF=0mA,VRMON=5V-0。010.1µA输入阻抗ZIN——25—Ω热敏电阻电流ITC-10—100µA热敏电阻阻抗RTHTL =25℃9.5-10.5kΩ制冷器电流ITECTL =25℃, Taround =70℃——1。2A制冷器电压VTECTL =25℃,Taround =70℃—-3。5V2。3,光学特性参数符号测试条件最小典型最大单位中心波长λCCW TL=15~35℃154815501552nm线宽LWCW 5mW-3—MHz带宽(@—3dB)BW5mW,—3dB2。5——GHz杂讯比RIN5mW,50MHz—2。5GHz—-140-dB/Hz边模抑制比 SMSRCW 3542—dB光隔离度—0℃~70℃30-—dB波长飘移—25 years——±0.1nm温度波长系数dλ/dT——0.09-nm/℃动态谱宽△λ2。5GHz, @—20dB-0。32—nm2.4,光纤和连接器参数符号描述最小典型最大单位尾纤长度L单模光纤1.00-1。10m连接器类型—FC/APC---—3,封装尺寸引脚定义 01引脚定义 02编号/Pin No.针脚定义/Pin Function1热敏电阻/ Thermistor2热敏电阻/ Thermistor3激 光 器 直 流 负 极 /Laser DC bias cathode (-)4光电二极管正极/ PD monitor anode (-)5光电二极管负极/ PD monitor cathode (+)6制冷器正极/ Thermoelectric cooler (+)7制冷器负极/ Thermoelectric cooler (-)8无/ NC9无/ NC10无/ NC11激 光 器 正 极 , 接 外 壳 /Laser anode (+),Case12激光器射频负极/ Laser RF cathode(—)13激 光 器 正 极 , 接 外 壳 /Laser anode (+),Case14无/ NC

1、当您付费下载文档后,您只拥有了使用权限,并不意味着购买了版权,文档只能用于自身使用,不得用于其他商业用途(如 [转卖]进行直接盈利或[编辑后售卖]进行间接盈利)。
2、本站所有内容均由合作方或网友上传,本站不对文档的完整性、权威性及其观点立场正确性做任何保证或承诺!文档内容仅供研究参考,付费前请自行鉴别。
3、如文档内容存在违规,或者侵犯商业秘密、侵犯著作权等,请点击“违规举报”。

碎片内容

DFB蝶形封装激光器

确认删除?
VIP
微信客服
  • 扫码咨询
会员Q群
  • 会员专属群点击这里加入QQ群
客服邮箱
回到顶部