电脑桌面
添加小米粒文库到电脑桌面
安装后可以在桌面快捷访问

光伏专用表格

光伏专用表格_第1页
1/8
光伏专用表格_第2页
2/8
光伏专用表格_第3页
3/8
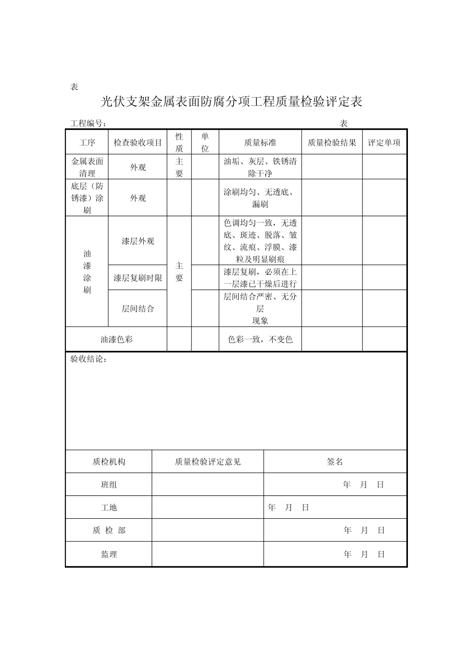
表5 光伏支架安装分项工程质量检验评定表 工程编号: 表B-4 工 序 检查验收项目 性 质 单 位 质量标准 质量检验结果 评定单项 基础划线 支架安装划线 符合土建验收标准,基础横纵向轴线已标明 设备 检查 外观 无严重锈蚀、损伤、变形 外形尺寸 符合图纸 零部件数量 齐全 材质 符合图纸设计要求 设备 安装 安装位置 符合图纸设计 安装的形式 形式、规格符合设计文件的规定 安装标高 与图纸设计一致 安装方向 方向正确 中心线偏差 主控 mm ≤2mm 螺栓紧固 符合厂家技术要求;安装牢固,外露丝扣不小于2丝 垂直度偏差 ≤1mm/m 水平偏差 主控 mm 梁标高偏差(同组) ≤3mm 立柱面偏差 主控 mm 同组立柱面偏差 ≤3mm 支架倾斜角度 主控 度 ≤1 度 接地安装 符合图纸设计要求 验收结论: 质检机构 质量检验评定意见 签名 班组 年 月 日 工地 年 月 日 质 检 部 年 月 日 监理 年 月 日 表6 光伏支架金属表面防腐分项工程质量检验评定表 工程编号: 表B-5 工序 检查验收项目 性 质 单 位 质量标准 质量检验结果 评定单项 金属表面清理 外观 主要 油垢、灰层、铁锈清除干净 底层(防锈漆)涂刷 外观 涂刷均匀、无透底、漏刷 油 漆 涂 刷 漆层外观 主要 色调均匀一致,无透 底、斑迹、脱落、皱纹、流痕、浮膜、漆粒及明显刷痕 漆层复刷时限 漆层复刷,必须在上一层漆已干燥后进行 层间结合 层间结合严密、无分层 现象 油漆色彩 色彩一致,不变色 验收结论: 质检机构 质量检验评定意见 签名 班组 年 月 日 工地 年 月 日 质 检 部 年 月 日 监理 年 月 日 表7 光伏组件安装分项工程质量检验评定表 工程编号: 表B-6 工序 检查验收项目 性 质 单 位 质量标准 质量检验 结果 评定单项 设备 检查 外观 无损伤、变形 规格、外形尺寸 符合图纸 零部件数量 齐全 设备 安装 安装位置 符合图纸设计要求 安装的形式 主要 符合设计文件的规定 安装标高 与图纸设计一致 螺栓紧固 符合厂家技术要求 安装角度 mm 方向正确,且偏差±1° 组件边缘高差 mm 相邻组件间≤2mm 主要 mm 同组光伏组件间≤5mm 组件平整度 mm 相邻组件间≤2mm 主要 mm 同组光伏组件间≤5 mm 接地安装 符合图纸设计要求 电 气接线 连接数量和路径 符合设计要求 插件安装 连接牢固 外接电...

1、当您付费下载文档后,您只拥有了使用权限,并不意味着购买了版权,文档只能用于自身使用,不得用于其他商业用途(如 [转卖]进行直接盈利或[编辑后售卖]进行间接盈利)。
2、本站所有内容均由合作方或网友上传,本站不对文档的完整性、权威性及其观点立场正确性做任何保证或承诺!文档内容仅供研究参考,付费前请自行鉴别。
3、如文档内容存在违规,或者侵犯商业秘密、侵犯著作权等,请点击“违规举报”。

碎片内容

光伏专用表格

您可能关注的文档

小辰2+ 关注
实名认证
内容提供者

出售各种资料和文档

确认删除?
VIP
微信客服
  • 扫码咨询
会员Q群
  • 会员专属群点击这里加入QQ群
客服邮箱
回到顶部