电脑桌面
添加小米粒文库到电脑桌面
安装后可以在桌面快捷访问

光伏组件电池板检验规范

光伏组件电池板检验规范_第1页
1/9
光伏组件电池板检验规范_第2页
2/9
光伏组件电池板检验规范_第3页
3/9
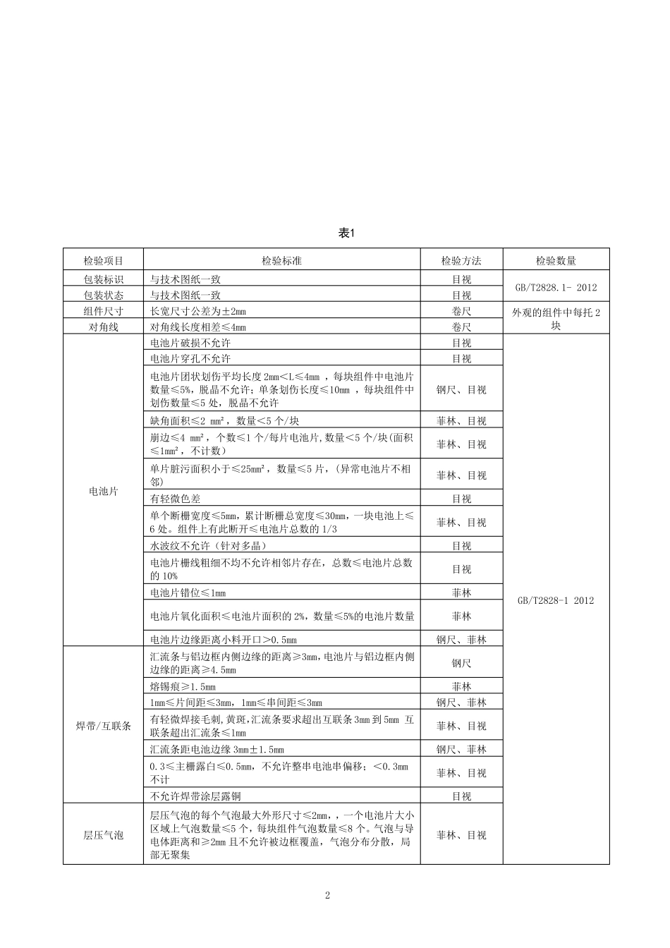
1 前 言 本部分按照GB/T1.1-2009和Q/CNE G0202-2016给出的规则起草。 本部分起草单位:本标准主要起草人: 本标准于2017年首次发布。 外购光伏组件检验规范 1 范围 本标准规定了工程技术部对外购组件的制程工艺与质量的管控、原材料质量的管控以及对组件外观、功率和EL抽检流程。 本标准适用于外购光伏组件的检验。 2 规范性引用文件 下列文件中的条款通过本标准的引用而成为本标准的条款。凡是注日期的引用文件,其随后所有的修订版均不适用于本标准。凡是不注日期的引用文件,其最新版本适用于本标准。 GB/T2828.1—2012 计数抽样检验程序 3 术语和定义 3.1 抽样计划 依据计数值单次抽样计划表一般检验水平Ⅱ实施,有特殊要求时依照特殊要求执行。 3.2 AQL Accepted quality level可接受质量水平。 4 管理内容与方法 4.1 检验执行依据 4.1.1 抽样计划 根据GB/T2828.1—2012 Ⅱ表执行,有特殊要求时按特殊要求执行。 4.1.2 允收标准 致命缺陷(CRI):AQL 0 严重缺陷(MAJ): AQL 0.65 轻微缺陷(MIN): AQL 1.0 4.2 检验方案 2 表 1 检验项目 检验标准 检验方法 检验数量 包装标识 与技术图纸一致 目视 GB/T2828.1- 2012 包装状态 与技术图纸一致 目视 组件尺寸 长宽尺寸公差为±2mm 卷尺 外观的组件中每托2块 对角线 对角线长度相差≤4mm 卷尺 电池片 电池片破损不允许 目视 GB/T2828-1 2012 电池片穿孔不允许 目视 电池片团状划伤平均长度2mm<L≤4mm ,每块组件中电池片数量≤5%,脱晶不允许;单条划伤长度≤10mm ,每块组件中划伤数量≤5 处,脱晶不允许 钢尺、目视 缺角面积≤2 mm²,数量<5 个 /块 菲 林 、目视 崩 边 ≤4 mm²,个 数≤1 个 /每片电池片,数量<5 个 /块(面积≤1mm²,不计 数) 菲 林 、目视 单片脏 污 面积小 于 ≤25mm²,数量≤5 片,(异 常 电池片不相邻 ) 菲 林 、目视 有 轻 微 色 差 目视 单个 断 栅 宽度≤5mm,累 计 断 栅 总 宽度≤30mm,一块电池上 ≤6 处。 组件上 有 此 断 开 ≤电池片总 数的1/3 菲 林 、目视 水 波 纹 不允许( 针 对多 晶) 目视 电池片栅 线粗 细 不均不允许相邻 片存 在 ,总 数≤电池片总 数的10% 目视 电池片错 位 ≤1mm 菲 林 电池片氧 化 面积≤电池片面积的2%,数量≤5%的电池片数量 菲 林 电池片...

1、当您付费下载文档后,您只拥有了使用权限,并不意味着购买了版权,文档只能用于自身使用,不得用于其他商业用途(如 [转卖]进行直接盈利或[编辑后售卖]进行间接盈利)。
2、本站所有内容均由合作方或网友上传,本站不对文档的完整性、权威性及其观点立场正确性做任何保证或承诺!文档内容仅供研究参考,付费前请自行鉴别。
3、如文档内容存在违规,或者侵犯商业秘密、侵犯著作权等,请点击“违规举报”。

碎片内容

光伏组件电池板检验规范

确认删除?
VIP
微信客服
  • 扫码咨询
会员Q群
  • 会员专属群点击这里加入QQ群
客服邮箱
回到顶部