电脑桌面
添加小米粒文库到电脑桌面
安装后可以在桌面快捷访问

光伏项目安全设计专篇

光伏项目安全设计专篇_第1页
1/90
光伏项目安全设计专篇_第2页
2/90
光伏项目安全设计专篇_第3页
3/90
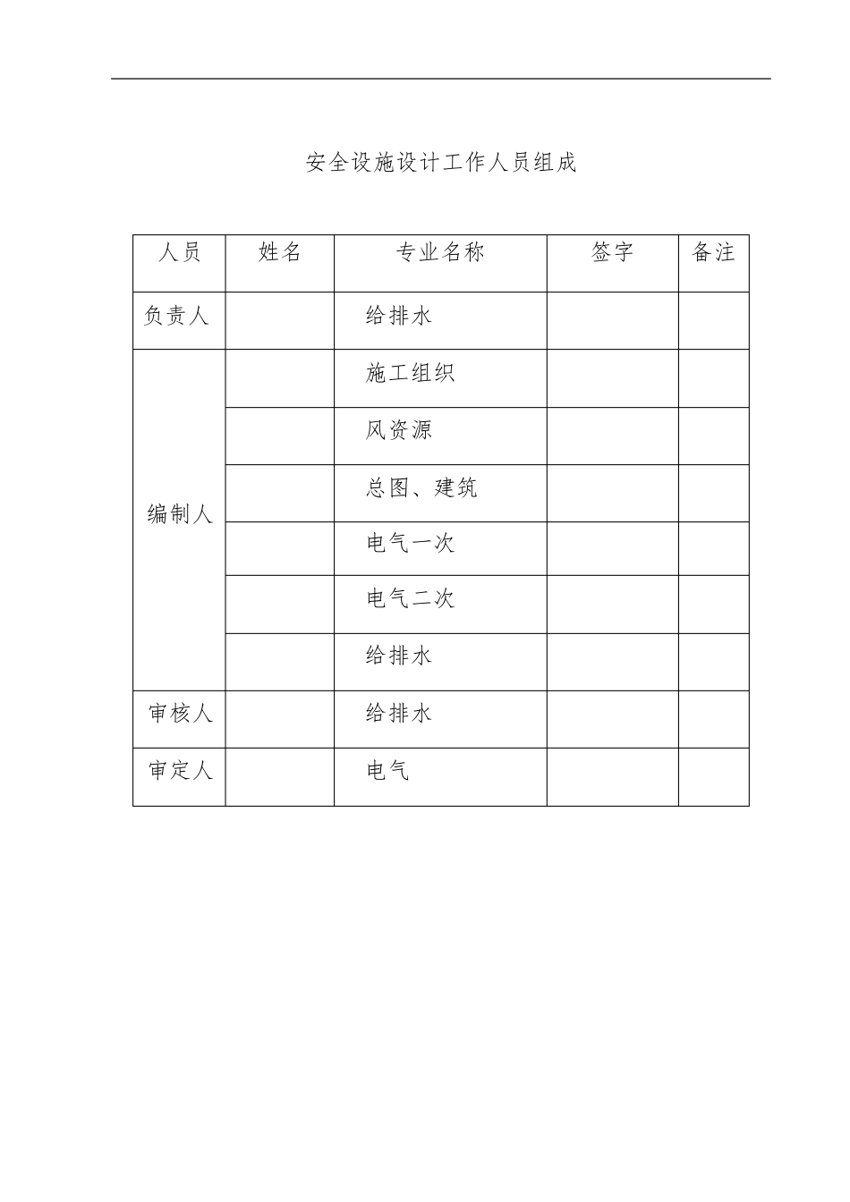
XX 光伏项目 安全设施设计专篇 (送审 版 ) 安全设施设计工作人员组成 人员 姓名 专业名称 签字 备注 负责人 给排水 编制人 施工组织 风资源 总图、建筑 电气一次 电气二次 给排水 审核人 给排水 审定人 电气 1 目 录 第一章 概述 ............................................................................................................................ 1 1.1 设计依据 ........................................................................................................................... 1 1.2 设计范围 ........................................................................................................................... 5 1.3 工作进展 ........................................................................................................................... 6 第二章 建设项目概况 ............................................................................................................ 6 2.1 业主简介 ........................................................................................................................... 6 2.2 建设项目场址条件 ........................................................................................................... 6 2.3 总图布置 ........................................................................................................................... 8 2.4 建、构筑物 ....................................................................................................................... 9 2.5 光伏系统工艺方案 ......................................................................................................... 11 2.6 电气设计 ......................................................................................................................... 12 2.7 辅助设施 ......................................................................................................................... 20 2.8 劳动定员 .....................................................................

1、当您付费下载文档后,您只拥有了使用权限,并不意味着购买了版权,文档只能用于自身使用,不得用于其他商业用途(如 [转卖]进行直接盈利或[编辑后售卖]进行间接盈利)。
2、本站所有内容均由合作方或网友上传,本站不对文档的完整性、权威性及其观点立场正确性做任何保证或承诺!文档内容仅供研究参考,付费前请自行鉴别。
3、如文档内容存在违规,或者侵犯商业秘密、侵犯著作权等,请点击“违规举报”。

碎片内容

光伏项目安全设计专篇

小辰5+ 关注
实名认证
内容提供者

出售各种资料和文档

确认删除?
VIP
微信客服
  • 扫码咨询
会员Q群
  • 会员专属群点击这里加入QQ群
客服邮箱
回到顶部