电脑桌面
添加小米粒文库到电脑桌面
安装后可以在桌面快捷访问

离心风机维修技术标准

离心风机维修技术标准_第1页
1/7
离心风机维修技术标准_第2页
2/7
离心风机维修技术标准_第3页
3/7
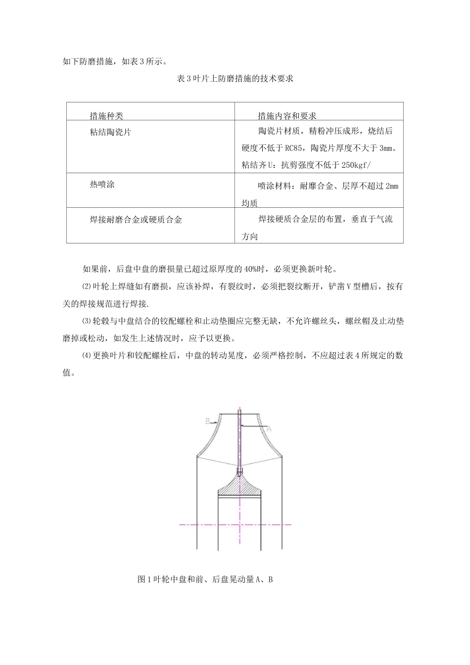
第一章离心式风机检修标准一、综述五丰塘工程中共装置了各类负机约台,包括全国容量最大的高炉鼓风机在内,但主要的是离心式风机,如各种加热炉的助燃风机,大电机风冷用风机,各种除尘装置上包括电除尘和大布袋除尘装置的使用的各类除尘风机,煤气加压站中继加压风机等等.另外,虽然还有风压较高的罗茨风机以及水处理冷却塔用大直径轴流风机和通风用的轴流风机,但数量较少,或因转速较低,检修工作量不大。本检修标准着重于常用的离心式风机,虽然用途不一,但其基本型式是离心式,因此从检修标准来讲,技术标准是一致的。至于高炉鼓风机等个别重要设备,其技术标准将单独编制。二、离心风机的检修周期及检修内容1)风机的检修周期风机的检修周期,一般按表 1 进行.检修类别检修周期(月 0小修(保养)3~6中修(针对性修理)12〜24大修24〜48风机的检修周期与风机使用的场合有极大关系,介质中含尘量与含尘的特性,对风机的磨损影响极大,应根据实际使用情况,予以调整。2)风机的检修内容(1)检查、清洗各部轴承,更换轴承润滑脂或润滑油,标明正常油位,最低、最高油位。⑵检查各部的密封情况,清扫内部尘垢;⑶ 检查叶片风六挡板,导流板等有无裂纹、锈蚀、磨损、螺丝松动等情况,并进行处理;⑷检查联轴器及其防护罩,更换磨损的橡胶弹性圈;⑸ 检查和紧固各部螺栓;⑹堵塞各处漏风并修复保温材料;⑺检查、修理调节风门,保证其灵活,指示正确。⑻ 检查修理冷却水系统。仃 I)中修(包括小修内容)⑴ 根据叶轮焊接缝(或铆钉)的磨损、桧情况,进行焊补或更换叶片(铆钉),并作静平衡校验;⑵ 修理或更换联轴器;⑶ 检查或更换轴承;⑷ 检查、调整电动轴和风机主轴的同心度及水平度;⑸ 修理或更换轴承座;⑹ 修理风机外壳和叶片磨损严重的部位,补焊或更换防磨层内衬;⑺除锈防腐处理.(III)大修(包括中修内容)⑴ 修理或更换风机主轴;⑵ 制造或安装新叶轮,并作静平衡或动平衡校验;⑶ 更换磨损严重的风机外壳;⑷ 更换台板、轴承箱或重新浇灌基础.三、风机主要部件及装配的质量1)叶轮小型风机的叶轮一般为单吸式,大型风机的叶轮为双吸式的。叶轮是由前盘,后盘(如双吸式)和中盘,轮毂和叶片风部份组成,叶轮的检修及各部的质量标准为:⑴ 叶轮局部磨穿,可以割去磨穿部份,用新材料修补,磨薄部位可以补焊,用角向砂轮打平,但焊接时必须注意热变形和消除焊接应力.叶片磨损过薄时(一般为原厚度的 30%),应更换新叶...

1、当您付费下载文档后,您只拥有了使用权限,并不意味着购买了版权,文档只能用于自身使用,不得用于其他商业用途(如 [转卖]进行直接盈利或[编辑后售卖]进行间接盈利)。
2、本站所有内容均由合作方或网友上传,本站不对文档的完整性、权威性及其观点立场正确性做任何保证或承诺!文档内容仅供研究参考,付费前请自行鉴别。
3、如文档内容存在违规,或者侵犯商业秘密、侵犯著作权等,请点击“违规举报”。

碎片内容

离心风机维修技术标准

您可能关注的文档

确认删除?
VIP
微信客服
  • 扫码咨询
会员Q群
  • 会员专属群点击这里加入QQ群
客服邮箱
回到顶部