电脑桌面
添加小米粒文库到电脑桌面
安装后可以在桌面快捷访问

脚手架计算书示例

脚手架计算书示例_第1页
1/8
脚手架计算书示例_第2页
2/8
脚手架计算书示例_第3页
3/8
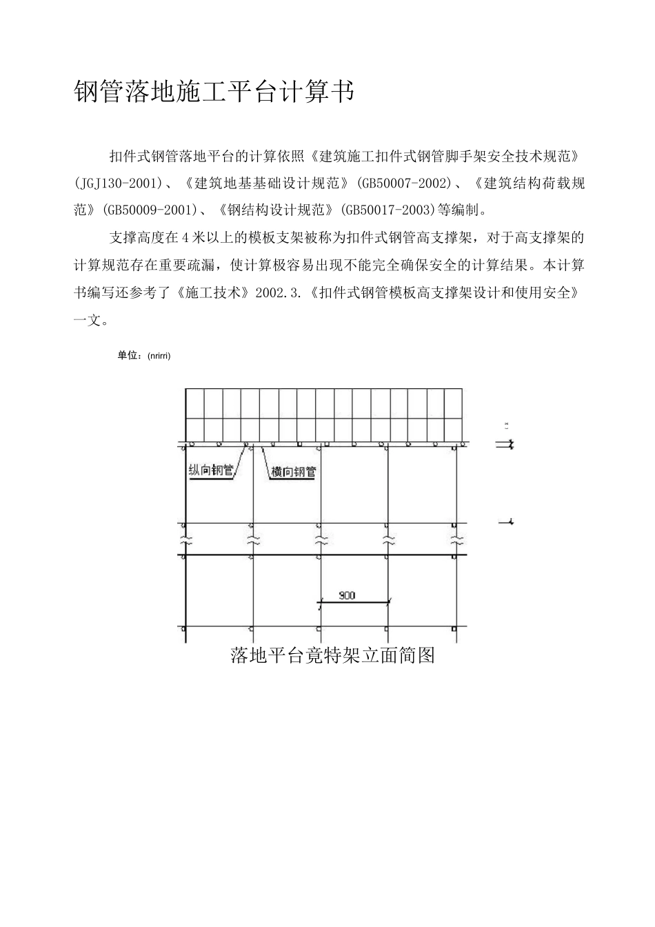
钢管落地施工平台计算书扣件式钢管落地平台的计算依照《建筑施工扣件式钢管脚手架安全技术规范》(JGJ130-2001)、《建筑地基基础设计规范》(GB50007-2002)、《建筑结构荷载规范》(GB50009-2001)、《钢结构设计规范》(GB50017-2003)等编制。支撑高度在 4 米以上的模板支架被称为扣件式钢管高支撑架,对于高支撑架的计算规范存在重要疏漏,使计算极容易出现不能完全确保安全的计算结果。本计算书编写还参考了《施工技术》2002.3.《扣件式钢管模板高支撑架设计和使用安全》一文。单位:(nrirri)落地平台竟特架立面简图i=ii=i落地平台支撑架立杆稳定性荷载计算单元'、参数信息1.基本参数立杆横向间距或排距 l(m):0.60,立杆步距 h(m):0.60;a立杆纵向间距 lb(m):0.90,平台支架计算高度 H(m):8.00;立杆上端伸出至模板支撑点的长度 a(m):0.10,平台底钢管间距离(mm):250.00;钢管类型:048x3.0,扣件连接方式:双扣件,取扣件抗滑承载力系数:1.00;2.荷载参数脚手板自重(kN/m2):0.300;栏杆自重(kN/m):0.150;材料堆放最大荷载(kN/m2):5.000;施工均布荷载(kN/m2):4.000;3.地基参数地基土类型:立杆基础底面面积(m2):0.25;地基承载力调整系数:1.00。二、纵向支撑钢管计算纵向钢管按照均布荷载下连续梁计算,截面几何参数为截面抵抗矩 W=4.49cm3;截面惯性矩 I=10.78cm4;纵向钢管计算简图1.荷载的计算(1)脚手板自重(kN/m):q11=0.3X0.25=0.075kN/m;(2)堆放材料的自重线荷载(kN/m):q12=5X0.25=1.25kN/m;(3)施工荷载标准值(kN/m):P]=4X0.25=1kN/m2.强度验算依照《建筑施工扣件式钢管脚手架安全技术规范》(JGJ130-2001)5.2.4 规定,纵向支撑钢管按三跨连续梁计算。最大弯矩考虑为静荷载与活荷载的计算值最不利分配的弯矩和;最大弯矩计算公式如下:M=0.1q1l2+0.117q2l2最大支座力计算公式如下:N=1.1q1l+1.2q2l 均布恒载:q1=1.2Xq11=1.2X0.075=0.09kN/m;均布活载:q2=1.4X1+1.4X1.25=3.15kN/m;最大弯距 Mmax=0.1X0.09X0.62+O.117X3.15X0.62=O.136kN・m;最大支座力 N 二1.1X0.09X0.6+1.2X3.15X0.6=2.327kN;最大应力 a=Mmax/W=0.136x106/(4490)=30.271N/mm2;纵向钢管的抗压强度设计值[f]=205N/mm2;纵向钢管的计算应力 30.271N/mm2小于纵向钢管的抗压设计强度 205N/mm2,满足要求!3. 挠度验算最大挠度考虑为三跨连续梁均布荷载作用下的挠度;计算公式如下:v=0.667ql4/100EI均布恒载:qk=qll=0.075kN/m;v=0.677x0.075x6004/...

1、当您付费下载文档后,您只拥有了使用权限,并不意味着购买了版权,文档只能用于自身使用,不得用于其他商业用途(如 [转卖]进行直接盈利或[编辑后售卖]进行间接盈利)。
2、本站所有内容均由合作方或网友上传,本站不对文档的完整性、权威性及其观点立场正确性做任何保证或承诺!文档内容仅供研究参考,付费前请自行鉴别。
3、如文档内容存在违规,或者侵犯商业秘密、侵犯著作权等,请点击“违规举报”。

碎片内容

脚手架计算书示例

您可能关注的文档

wxg+ 关注
实名认证
内容提供者

该用户很懒,什么也没介绍

相关文档

确认删除?
VIP
微信客服
  • 扫码咨询
会员Q群
  • 会员专属群点击这里加入QQ群
客服邮箱
回到顶部