电脑桌面
添加小米粒文库到电脑桌面
安装后可以在桌面快捷访问

全国继电保护比武综合题

全国继电保护比武综合题_第1页
1/10
全国继电保护比武综合题_第2页
2/10
全国继电保护比武综合题_第3页
3/10
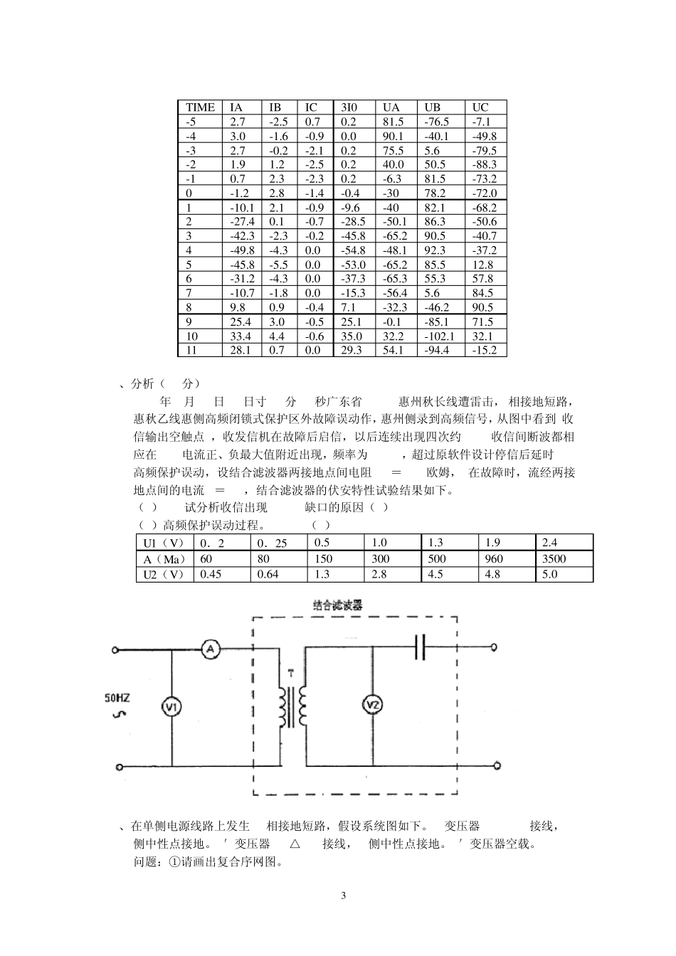
1 全国电力系统继电保护专业试题 综合分析题 1、 单电源线路及参数如下图所示。在线路上K 点发生BC 两相短路接地故障,变压器T为Y。/△_11 结线,中性点直接接地运行,N 侧距离继电器的整定阻抗为j24Ω ,回答下列各问题: (1)、求 K点的故障电压和故障电流,并画出故障电流、电压的向量图;(8分) (2)、求出 N侧母线的三相电流和流经 N侧保护的各相电流和零序电流;(6分) (3)、问 N侧的 BC相间距离继电器能否正确测量;(3分) (4)、问 N侧的 B相和 C相的接地距离继电器能否正确测量;(3分) E=1 J T M N Zs Zm ZN ZT j10 j20 j10 j30 正序阻抗 j20 j60 j30 j30 零序阻抗 2 、 试述大型发电机失磁的物理过程。并回答下列问题: (1)、失磁保护动作于快速减负荷和切换厂用电源的动作条件; (2)、失磁保护动作于解列发电机的动作条件; (3)、系统低电压的整定条件; (4)、阻抗元件按静稳边界和稳定异步边界整定的整定条件。 3、 在Yo/Δ -11 组别变压器Δ 侧发生AB 两相短路时,对 Y 侧过电流、低电压保护有何影响?设变压器变比为1。 (1)、作出变压器正常运行时的电流相量图; (2)、求Δ 侧故障电压及故障电流相量; (3)、用对称分量图解法分析,对 Y侧过电流、低电压保护的影响; (4)、反映Δ 侧两相短路的 Y侧过电流元件、低电压元件、阻抗元件应如何接法。 4、单侧电源线路如图所示。在线路上K点发生BC两相短路接地故障,变压器T为Yo/Δ-11组别,中性点直接接地运行,N侧距离继电器J整定阻抗为j24Ω 。回答下列各问: (1)、求 K点三相电压和故障支路的电流; (2)、求 N侧母线的三相电压和流经 N侧保护的各相电流和零序电流; (3)、问 N侧 BC相间距离继电器能否正确测量; (4)、问 N侧 B相和 C相接地距离继电器能否正确测量。 ~ 2 E=1 M K J N T 变压器空载 Zs ZM ZN ZT j10 j20 j10 j30 正序阻抗 j20 j60 j30 j30 零序阻抗 5、一条两侧均有电源的 220KV线路(见下图),K点发生 A相单相接地短路。两侧电源线路阻抗的标么值均已标注在图中,设正负序电抗相等,基准电压为 230KV,基准容量为 100MVA。 (1) 计算出短路点的全电流(有名值)。 (2) 计算流经 M、N侧零序电流(有名值)。 (3) 已知 M侧电压互感器二次线圈,在开关场经氧化锌阀片接地,其击穿电压下降为 40V。根据录波...

1、当您付费下载文档后,您只拥有了使用权限,并不意味着购买了版权,文档只能用于自身使用,不得用于其他商业用途(如 [转卖]进行直接盈利或[编辑后售卖]进行间接盈利)。
2、本站所有内容均由合作方或网友上传,本站不对文档的完整性、权威性及其观点立场正确性做任何保证或承诺!文档内容仅供研究参考,付费前请自行鉴别。
3、如文档内容存在违规,或者侵犯商业秘密、侵犯著作权等,请点击“违规举报”。

碎片内容

全国继电保护比武综合题

小辰5+ 关注
实名认证
内容提供者

出售各种资料和文档

相关文档

确认删除?
VIP
微信客服
  • 扫码咨询
会员Q群
  • 会员专属群点击这里加入QQ群
客服邮箱
回到顶部