电脑桌面
添加小米粒文库到电脑桌面
安装后可以在桌面快捷访问

公司校准证书

公司校准证书_第1页
1/70
公司校准证书_第2页
2/70
公司校准证书_第3页
3/70
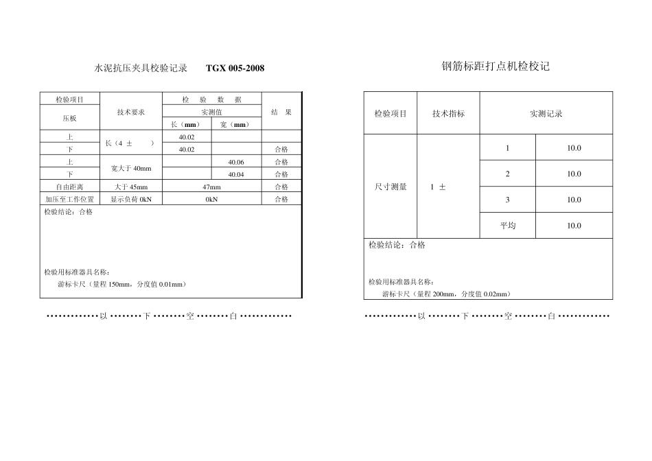
中铁二十局集团第四工程有限公司检测实验中心 校 准 证 书 自 校 字第 0 9 0 0 1 号 使 用 单 位:中铁二十局集团第四工程有限公司检测实验中心 仪 器 名 称:水泥抗压夹具 型 号 规 格:40³40mm 制 造 厂:无锡市中科建材仪器有限公司 出 厂 编 号:724 校 准 结 论:合格 校准日期: 2 0 0 9 年 8 月 8 日 有效期至: 2 0 1 0 年 8 月 7 日 主 管 核 验 校 准 中铁二十局集团第四工程有限公司检测实验中心 校 准 证 书 自 校 字第 0 9 0 0 2 号 使 用 单 位:中铁二十局集团第四工程有限公司检测实验中心 仪 器 名 称:钢筋标距打点机 型 号 规 格:10m m 制 造 厂:河北京南试验仪器厂 出 厂 编 号:/ 校 准 结 论:合格 校准日期: 2 0 0 9 年 8 月 1 5 日 有效期至: 2 0 1 0 年 8 月 1 4 日 主 管 核 验 校 准 水泥抗压夹具校验记录 TGX 005-2008 钢筋标距打点机检校记 ²²²²²²²²²²²²²以²²²²²²²²下²²²²²²²²空²²²²²²²²白²²²²²²²²²²²²² ²²²²²²²²²²²²²以²²²²²²²²下²²²²²²²²空²²²²²²²²白²²²²²²²²²²²²² 检验项目 技术指标 实测记录 尺寸测量 10±0.1mm 1 10.0 2 10.0 3 10.0 平均 10.0 检验结论:合格 检验用标准器具名称: 游标卡尺(量程 200m m ,分度值 0.02m m ) 检验项目 技术要求 检 验 数 据 结 果 压板 实测值 长(mm) 宽(mm) 上 长(40±0.1mm) 40.02 下 40.02 合格 上 宽大于 40m m 40.06 合格 下 40.04 合格 自由距离 大于 45m m 47m m 合格 加压至工作位置 显示负荷 0kN 0kN 合格 检验结论:合格 检验用标准器具名称: 游标卡尺(量程 150m m ,分度值 0.01m m ) 中铁二十局集团第四工程有限公司检测实验中心 校 准 证 书 自 校 字第 0 9 0 0 3 号 使 用 单 位:中铁二十局集团第四工程有限公司检测实验中心 仪 器 名 称:钢丝反复弯曲机 型 号 规 格:WS-8 型 制 造 厂:河北京联仪器厂 出 厂 编 号:无 校 准 结 论:合格 校准日期: 2 0 0 9 年8 月7 日 有效期至: 2 0 1 0 年8 月6 日 主 管 核 验 校 准 中铁二十局集团第四工程有...

1、当您付费下载文档后,您只拥有了使用权限,并不意味着购买了版权,文档只能用于自身使用,不得用于其他商业用途(如 [转卖]进行直接盈利或[编辑后售卖]进行间接盈利)。
2、本站所有内容均由合作方或网友上传,本站不对文档的完整性、权威性及其观点立场正确性做任何保证或承诺!文档内容仅供研究参考,付费前请自行鉴别。
3、如文档内容存在违规,或者侵犯商业秘密、侵犯著作权等,请点击“违规举报”。

碎片内容

公司校准证书

确认删除?
VIP
微信客服
  • 扫码咨询
会员Q群
  • 会员专属群点击这里加入QQ群
客服邮箱
回到顶部