电脑桌面
添加小米粒文库到电脑桌面
安装后可以在桌面快捷访问

公路隧道交通工程设计规范

公路隧道交通工程设计规范_第1页
1/41
公路隧道交通工程设计规范_第2页
2/41
公路隧道交通工程设计规范_第3页
3/41
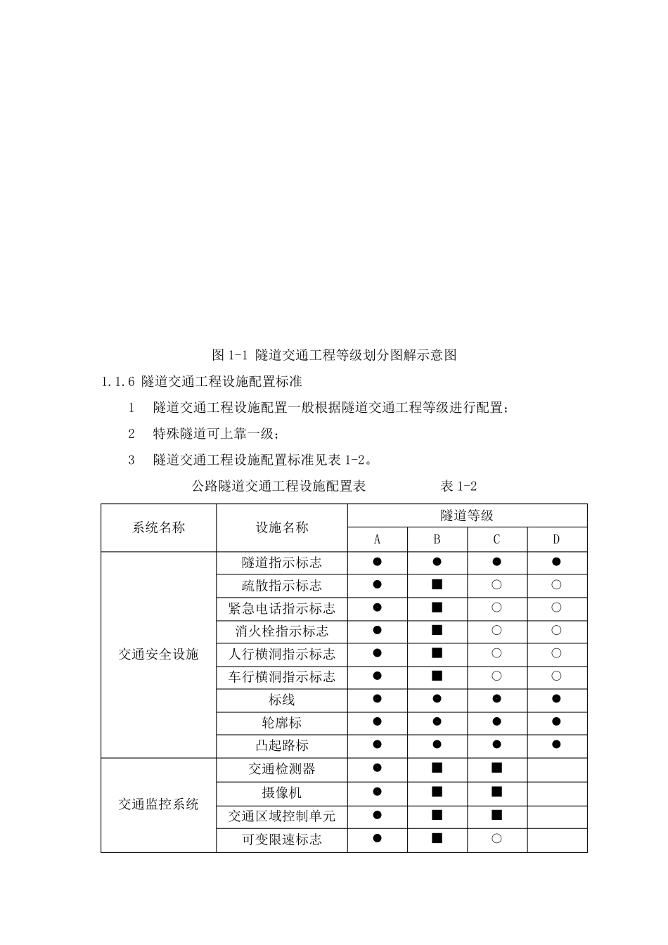
1.1.1 为了规范公路隧道交通工程设计,统一公路隧道交通工程设计标准,确保公路隧道行车安全,保证其运营畅通和服务水平,使工程设计达到合理设计、技术先进、经济适用、确保质量的目的,特制订本规范。 1.1.2 本规范适用于高速公路隧道交通工程设计,其它公路隧道可参照执行。 1.1.3 公路隧道交通工程设计应收集相关的设计所需资料文件。 1.1.4 公路隧道交通工程设计内容主要包括交通安全设施、交通监控系统、通风及照明控制系统、通信系统、火灾报警及消防系统、供配电系统、中央控制管理系统等。 1.1.5 公路隧道交通工程等级划分 1 公路隧道交通工程等级根据隧道长度、隧道交通量两个因素划分为A、B、C、D 四级。 2 计算法 P=L×q×365×10-10 其中 P:隧道内年事故概率估计值(当 P 的计算值>1 时,取值 1) L:隧道长度,单位(m); q:隧道单孔设计年度年平均日交通量,单位(pcu/d)。 根据P 的计算值,隧道交通工程等级划分见表 1-1。 高速公路隧道交通工程等级划分 表 1-1 P 等 级 P>0.55 A 级 0.55≥P≥0.18 B 级 0.18>P>0.05 C 级 P≤0.05 D 级 3 图解法 根据隧道长度L 和设计年度隧道年平均日交通量q,在图中确定隧道的相应等级。 图1-1 隧道交通工程等级划分图解示意图 1.1.6 隧道交通工程设施配置标准 1 隧道交通工程设施配置一般根据隧道交通工程等级进行配置; 2 特殊隧道可上靠一级; 3 隧道交通工程设施配置标准见表1-2。 公路隧道交通工程设施配置表 表1-2 系统名称 设施名称 隧道等级 A B C D 交通安全设施 隧道指示标志     疏散指示标志     紧急电话指示标志     消火栓指示标志     人行横洞指示标志     车行横洞指示标志     标线     轮廓标     凸起路标     交通监控系统 交通检测器    摄像机    交通区域控制单元    可变限速标志    可变情报板    交通信号灯     车道指示器    通风及照明 控制系统 VI 检测器    CO 检测器    NOX检测器    风向风速仪    通风区域控制单元    亮度检测器    照明区域控制单元    通信系统 紧急电话   ...

1、当您付费下载文档后,您只拥有了使用权限,并不意味着购买了版权,文档只能用于自身使用,不得用于其他商业用途(如 [转卖]进行直接盈利或[编辑后售卖]进行间接盈利)。
2、本站所有内容均由合作方或网友上传,本站不对文档的完整性、权威性及其观点立场正确性做任何保证或承诺!文档内容仅供研究参考,付费前请自行鉴别。
3、如文档内容存在违规,或者侵犯商业秘密、侵犯著作权等,请点击“违规举报”。

碎片内容

公路隧道交通工程设计规范

您可能关注的文档

确认删除?
VIP
微信客服
  • 扫码咨询
会员Q群
  • 会员专属群点击这里加入QQ群
客服邮箱
回到顶部