电脑桌面
添加小米粒文库到电脑桌面
安装后可以在桌面快捷访问

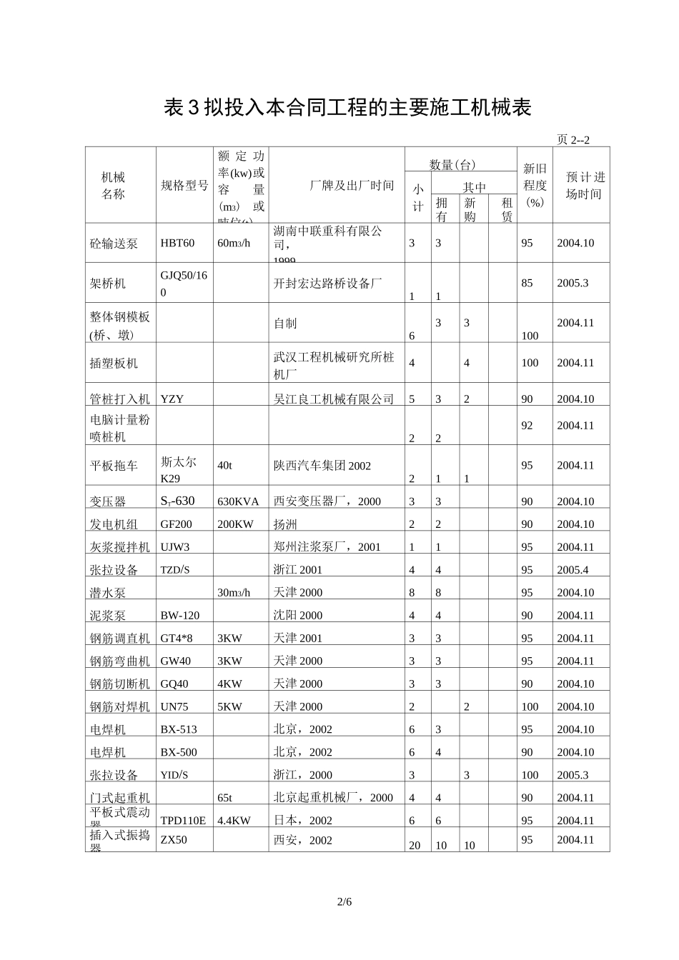
表3 拟投入本合同工程的主要施工机械表

表3 拟投入本合同工程的主要施工机械表_第1页
1/2
表3 拟投入本合同工程的主要施工机械表_第2页
2/2
1/6表 3 拟投入本合同工程的主要施工机械表页 2--1机械名称规格型号额 定 功率(kw)或容量(m3)或 吨 位(t)厂牌及出厂时间数量(台)新旧程度(%)预计进场时间小计其中拥有新购租赁装载机ZL50C2.5m3厦门工程机械厂,199922952004.10装载机ZCL40B2.2m3柳州工程机械厂,199722902004.11平地机PY180天津,20002111002004.11挖掘机CAT3301.5m3美国卡特凯勒工程机械有限公司,2000331002004.10挖掘机WY1001.0m3合肥矿山机械厂,199922902004.11压路机CA30徐州工程机械厂,199722902004.12压路机YZ21洛阳建筑机械厂,199822952004.12平地机PY160天津,199822902004.11小型压路机YZC2T2t山东,199744962004.12手扶式震动压路机徐州工程机械厂,199933902004.12边坡夯实机西安 199833902004.11拖式羊足碾YZT18洛阳建筑机械厂,199933952004.11自卸汽车太拖拉T815-2S15t邢台长征汽车厂,19991212952004.10自卸汽车奔驰 262915t北方奔驰汽车厂,20008441002004.11推土机T220162KW徐州工程机械厂,2000221002004.10推土机T200148KW山东推土机总厂,199922952004.11载重汽车黄河 1508t西安黄河工程机械厂,199922952004.10运输车东风半挂 10t湖北第二汽车制造厂,199922952004.11机动翻斗车FJ201m3陕西农用车厂,19991212952004.10悬耕机150KW陕西农用车厂,199822922004.11回旋钻机GPF2000张家口探矿机械厂88962004.10冲击钻机CJF20山东地质探矿机械厂22932004.10砼拌合站HZS2525m3/h山东方圆集团,199933952004.10砼运输车MR456m3华东建筑机械厂,199955952004.102/6表 3 拟投入本合同工程的主要施工机械表页 2--2机械名称规格型号额 定 功率(kw)或容量(m3)或吨位(t)厂牌及出厂时间数量(台)新旧程度(%)预 计 进场时间小计其中拥有新购租赁砼输送泵HBT6060m3/h湖南中联重科有限公司,199933952004.10架桥机GJQ50/160开封宏达路桥设备厂11852005.3整体钢模板(桥、墩)自制6331002004.11插塑板机武汉工程机械研究所桩机厂441002004.11管桩打入机YZY吴江良工机械有限公司532902004.10电脑计量粉喷桩机22922004.11平板拖车斯太尔K2940t陕西汽车集团 2002211952004.11变压器ST-630630KVA西安变压器厂,200033902004.10发电机组GF200200KW扬洲22902004.10灰浆搅拌机UJW3郑州注浆泵厂,200111952004.11张拉设备TZD/S浙江 200144952005.4潜水泵30m3/h天津 200088952004.10泥浆泵BW-120沈阳 200044902004.11钢筋调直机GT4*83KW天津 200133952004.11钢筋弯曲机GW403KW天津 200033952004.11钢筋切断机GQ404KW天津 200033902004.10钢筋对焊机UN755KW天津 2000221002004.10电焊机BX-513北京,200263952004.10电焊机BX-500北京,200264902004.10张拉设备YID/S浙江,2000331002005.3门式起重机65t北京起重机械厂,200044902004.11平板式震动器TPD110E4.4KW日本,200266952004.11插入式振捣器ZX50西安,2002201010952004.11

1、当您付费下载文档后,您只拥有了使用权限,并不意味着购买了版权,文档只能用于自身使用,不得用于其他商业用途(如 [转卖]进行直接盈利或[编辑后售卖]进行间接盈利)。
2、本站所有内容均由合作方或网友上传,本站不对文档的完整性、权威性及其观点立场正确性做任何保证或承诺!文档内容仅供研究参考,付费前请自行鉴别。
3、如文档内容存在违规,或者侵犯商业秘密、侵犯著作权等,请点击“违规举报”。

碎片内容

表3 拟投入本合同工程的主要施工机械表

确认删除?
VIP
微信客服
  • 扫码咨询
会员Q群
  • 会员专属群点击这里加入QQ群
客服邮箱
回到顶部