电脑桌面
添加小米粒文库到电脑桌面
安装后可以在桌面快捷访问

半挂车定期检查与保养手册

半挂车定期检查与保养手册_第1页
1/12
半挂车定期检查与保养手册_第2页
2/12
半挂车定期检查与保养手册_第3页
3/12
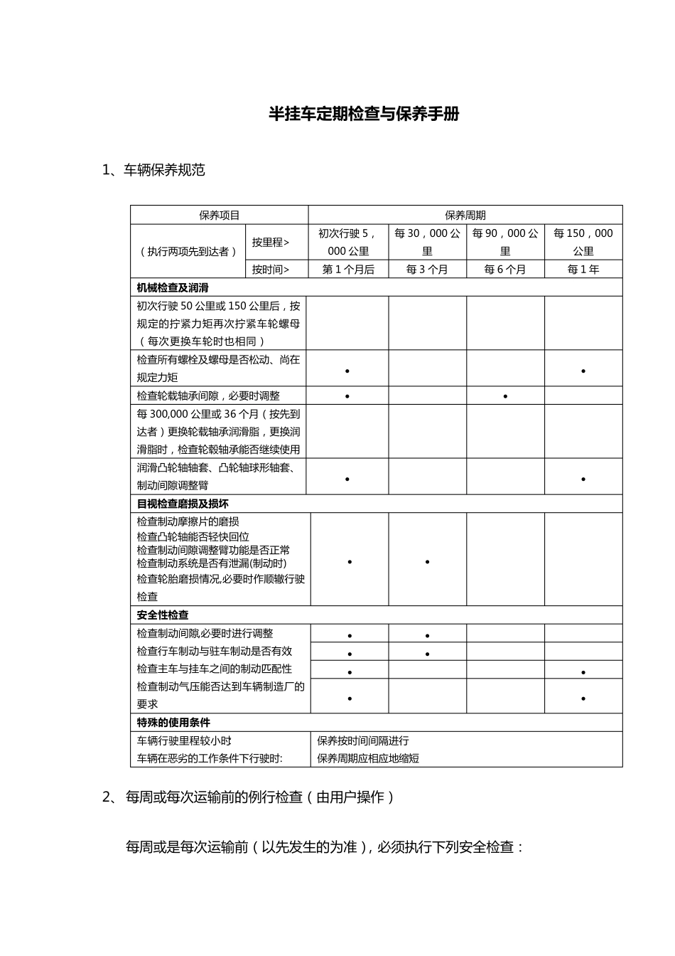
半 挂 车 定 期 检 查 与保养手册 1、车辆保养规范 保养项目 保养周期 (执行两项先到达者) 按里程> 初次行驶 5,000 公里 每 30,000 公里 每 90,000 公里 每 150,000公里 按时间> 第 1 个月后 每 3 个月 每 6 个月 每 1 年 机械检 查 及润滑 初次行驶 50 公里或 150 公里后,按规定的拧紧力矩再次拧紧车轮螺母(每次更换车轮时也相同) 检查所有螺栓及螺母是否松动、尚在规定力矩 • • 检查轮载轴承间隙,必要时调整 • • 每 300,000 公里或 36 个月(按先到达者)更换轮载轴承润滑脂,更换润滑脂时,检查轮毂轴承能否继续使用 润滑凸轮轴轴套、凸轮轴球形轴套、制动间隙调整臂 • • 目视检 查 磨损及损坏 检查制动摩擦片的磨损 检查凸轮轴能否轻快回位 检查制动间隙调整臂功能是否正常 检查制动系统是否有泄漏(制动时) 检查轮胎磨损情况,必要时作顺辙行驶检查 • • 安全性检 查 检查制动间隙,必要时进行调整 检查行车制动与驻车制动是否有效 检查主车与挂车之间的制动匹配性 检查制动气压能否达到车辆制造厂的要求 • • • • • • • • 特殊的使用条件 车辆行驶里程较小时: 车辆在恶劣的工作条件下行驶时: 保养按时间间隔进行 保养周期应相应地缩短 2、 每周或每次运输前的例行检查(由用户操作) 每周或是每次运输前(以先发生的为准),必须执行下列安全检查: a 检 查 轮 胎 气 压 , 调 整 到 轮 胎 制 造 商 的 建 议 水 平 ; b 检 查 轮 胎 螺 丝 的 松 紧 程 度 ; c 检 查 制 动 系 统 有 无 漏 气 , 测 试 能 否 制 动 ; d 检 查 悬 挂 所 有 螺 母 和 螺 钉 、螺 栓的 松 紧 ; e 检 查 牵引车及半挂 车制 动 连接; f 给储气 筒和 对配有 空气 悬 挂 的 气 室排水 ; g 检 查 所 有 的 灯具; h 检 查 并确保支腿工作正常; i 检 查 活动 部件的 磨损情况; 3、 每月的 检 查 (由用户操作) a 检 查 所 有 的 悬 挂 部件的 松 紧 (根据提供的 扭矩数据进行); b 检 查 是否 有 板簧簧片断裂; c 检 查 所 有 的 制 动 系 统 的 接头、软管有 无 损坏, 软管夹有 无 缺失; d 检 查 继动 阀和 其他阀门的 正当操作; e 检 查 拉力杆衬套的 磨损情况...

1、当您付费下载文档后,您只拥有了使用权限,并不意味着购买了版权,文档只能用于自身使用,不得用于其他商业用途(如 [转卖]进行直接盈利或[编辑后售卖]进行间接盈利)。
2、本站所有内容均由合作方或网友上传,本站不对文档的完整性、权威性及其观点立场正确性做任何保证或承诺!文档内容仅供研究参考,付费前请自行鉴别。
3、如文档内容存在违规,或者侵犯商业秘密、侵犯著作权等,请点击“违规举报”。

碎片内容

半挂车定期检查与保养手册

小辰5+ 关注
实名认证
内容提供者

出售各种资料和文档

确认删除?
VIP
微信客服
  • 扫码咨询
会员Q群
  • 会员专属群点击这里加入QQ群
客服邮箱
回到顶部