电脑桌面
添加小米粒文库到电脑桌面
安装后可以在桌面快捷访问

单位、分部、分项工程检验批划分表VIP专享

单位、分部、分项工程检验批划分表_第1页
1/29
单位、分部、分项工程检验批划分表_第2页
2/29
单位、分部、分项工程检验批划分表_第3页
3/29
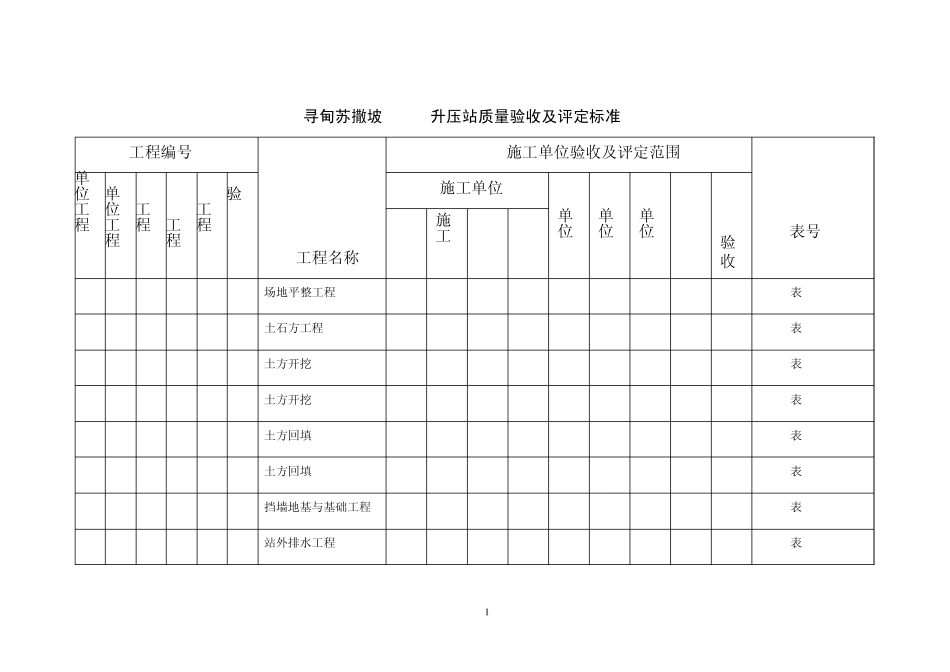
1 寻甸苏撒坡110kV升压站质量验收及评定标准 工程编号 工程名称 施工单位验收及评定范围 表号 单位工程 子单位工程 分部工程 子分部工程 分项工程 检验批 施工单位 勘测单位 设计单位 监理单位 业主项目部 启委会验收组班组 施工队 项目部 公司 1 场地平整工程 Q/CSG表3-3.0.18-14 1 土石方工程 Q/CSG表3-3.0.18-3 1 土方开挖 Q/CSG表3-3.0.18-2 1 土方开挖 Q/CSG表3-5.3.1 2 土方回填 Q/CSG表3-3.0.18-2 1 土方回填 Q/CSG表3-5.3.2 2 挡墙地基与基础工程 Q/CSG表3-3.0.18-3 3 站外排水工程 Q/CSG表3-3.0.18-3 2 工程编号 工程名称 施工单位验收及评定范围 表号 单位工程 子单位工程 分部工程 子分部工程 分项工程 检验批 施工单位 勘测单位 设计单位 监理单位 业主项目部 启委会验收组 班组 施工队 项目部 公司 1 无支护土方 Q/CSG表3-3.0.18-3 2 有支护土方 Q/CSG表3-3.0.18-3 3 浆砌石(砖)沟道 Q/CSG表3-3.0.18-3 1 垫层 Q/CSG表3-3.0.18-2 1 垫层 Q/CSG表3-5.12.7 2 浆砌石沟道 Q/CSG表3-3.0.18-2 1 浆砌石沟道 Q/CSG表3-5.9.3 2 综合楼 Q/CSG表3-3.0.18-4 1 地基与基础工程 Q/CSG表3-3.0.18-3 1 人工挖孔桩 Q/CSG表3-3.0.18-3 3 工程编号 工程名称 施工单位验收及评定范围 表号 单位工程 子单位工程 分部工程 子分部工程 分项工程 检验批 施工单位 勘测单位 设计单位 监理单位 业主项目部 启委会验收组 班组 施工队 项目部 公司 1 人工挖孔桩成孔 Q/CSG表3-BJ2-29 2 人工挖孔桩钢筋笼加工 Q/CSG表3-BJ2-31 3 人工挖孔桩混凝土灌注 Q/CSG表3-BJ2-36 2 承台基础施工 Q/CSG表3-3.0.18-3 1 土方开挖 Q/CSG表3-3.0.18-2 2 钢筋加工 Q/CSG表3-BJ2-31 3 混凝土浇筑 Q/CSG表3-BJ2-36 3 主体工程 Q/CSG表3-3.0.18-3 1 4.170M结构层 Q/CSG表3-3.0.18-3 4 工程编号 工程名称 施工单位验收及评定范围 表号 单位工程 子单位工程 分部工程 子分部工程 分项工程 检验批 施工单位 勘测单位 设计单位 监理单位 业主项目部 启委会验收组 班组 施工队 项目部 公司 1 模板工程 Q/CSG表 3-3.0.18-2 1 模板安装 Q/CSG表 3-5.10.1 2 模板拆除 Q/CSG表 3-5.10.3 2 钢筋工程 Q/CSG表 3-3.0.18-2 1 钢筋加工 Q/CSG表 3-5.10.4 2 钢筋安装 Q/CSG表 3-5.10.5 3 混凝...

1、当您付费下载文档后,您只拥有了使用权限,并不意味着购买了版权,文档只能用于自身使用,不得用于其他商业用途(如 [转卖]进行直接盈利或[编辑后售卖]进行间接盈利)。
2、本站所有内容均由合作方或网友上传,本站不对文档的完整性、权威性及其观点立场正确性做任何保证或承诺!文档内容仅供研究参考,付费前请自行鉴别。
3、如文档内容存在违规,或者侵犯商业秘密、侵犯著作权等,请点击“违规举报”。

碎片内容

单位、分部、分项工程检验批划分表

确认删除?
VIP
微信客服
  • 扫码咨询
会员Q群
  • 会员专属群点击这里加入QQ群
客服邮箱
回到顶部