电脑桌面
添加小米粒文库到电脑桌面
安装后可以在桌面快捷访问

单层工业厂房排架结构设计计算书(同济大学)

单层工业厂房排架结构设计计算书(同济大学)_第1页
1/26
单层工业厂房排架结构设计计算书(同济大学)_第2页
2/26
单层工业厂房排架结构设计计算书(同济大学)_第3页
3/26
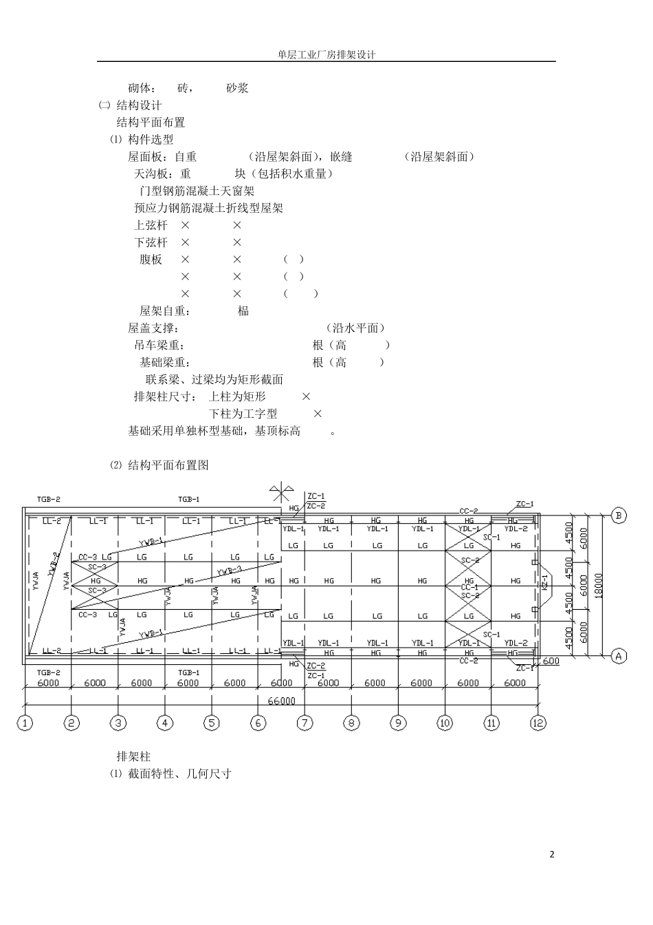
单层工业厂房排架设计 1 单层工业厂房排架结构设计 ㈠ 工程概况 1 设计题目 某煅工车间为一单层单跨钢筋混凝土装配式结构,跨度18m,长度66m。选用两台中级工作制桥式吊车(5t,15/3t),轨顶标高9.8m,考虑散热通风要求,需设置天窗和挡风板。 2 设计任务 ⑴ 完成屋面板、屋架、天窗架、天沟、吊车梁、基础梁等构件的选型,并初步确定排架柱的截面尺寸; ⑵ 进行结构布置(包括支撑布置); ⑶ 排架荷载计算; ⑷ 排架内力计算; ⑸ 排架内力组合; ⑹ 柱子配筋设计(包括牛腿); ⑺ 柱下单独基础设计; ⑻ 绘制施工图,内容包括: I.基础平面布置图及基础配筋图 II.屋盖结构布置及结构平面布置图 III.柱子配筋图 3 设计资料 ⑴ 荷载 钢筋混凝土容重 25kN/m3 一砖墙(单面粉刷) 4.92kN/m2 20mm水泥砂浆找平层 0.4kN/m2 钢门窗自重 0.4kN/m2 钢轨及垫层 0.6kN/m 二毡三油防水层 0.35kN/m2(沿斜面) 屋面活荷载 0.5kN/m2(沿水平面) 屋面积灰荷载 0.5kN/m2(沿水平面) 施工活荷载 0.5kN/m2(沿水平面) 风荷载 0.40kN/m2 屋面雪荷载 0.45kN/m2 吊车荷载 5t,15/3t ⑵ 工程地质资料 根据钻探报告,天然地面下 1.2m处为老土层,修正后的地基承载力为120kN/m2,地下水位在地面下 1.3m(标高-1.45m) ⑶ 材料 混凝土:柱 C30,基础 C15 钢筋:受力筋为HRB400级钢筋,钢箍、预埋件及吊钩为HPB300级钢筋 单层工业厂房排架设计 2 砌体:M5砖,M2.5砂浆 ㈡ 结构设计 1 结构平面布置 ⑴ 构件选型 I.屋面板:自重1.3kN/m2(沿屋架斜面),嵌缝0.1kN/m2(沿屋架斜面) II.天沟板:重17.4kN/块(包括积水重量) III.门型钢筋混凝土天窗架 IV.预应力钢筋混凝土折线型屋架 YMJA-18-xBb 上弦杆 b×h=240mm×220mm 下弦杆 b×h=240mm×220mm 腹板 b×h=120mm×240mm (F1) b×h=200mm×240mm (F2) b×h=120mm×120mm (F3~F6) 屋架自重:60.5kN/榀 V.屋盖支撑: 0.05kN/m2(沿水平面) VI.吊车梁重: 44.2kN/根(高 1200mm) VII.基础梁重: 15.7kN/根(高 450mm) VIII.联系梁、过梁均为矩形截面 IX.排架柱尺寸: 上柱为矩形 400mm×400mm 下柱为工字型 400mm×800mm X.基础采用单独杯型基础,基顶标高-0.6m。 ⑵ 结构平面布置图 2 排架柱 ⑴ 截面特性、几何尺寸 单层工业厂房排架设计 3 上柱:400mm×400mm 面积 A=1.6×105mm2...

1、当您付费下载文档后,您只拥有了使用权限,并不意味着购买了版权,文档只能用于自身使用,不得用于其他商业用途(如 [转卖]进行直接盈利或[编辑后售卖]进行间接盈利)。
2、本站所有内容均由合作方或网友上传,本站不对文档的完整性、权威性及其观点立场正确性做任何保证或承诺!文档内容仅供研究参考,付费前请自行鉴别。
3、如文档内容存在违规,或者侵犯商业秘密、侵犯著作权等,请点击“违规举报”。

碎片内容

单层工业厂房排架结构设计计算书(同济大学)

小辰5+ 关注
实名认证
内容提供者

出售各种资料和文档

确认删除?
VIP
微信客服
  • 扫码咨询
会员Q群
  • 会员专属群点击这里加入QQ群
客服邮箱
回到顶部