电脑桌面
添加小米粒文库到电脑桌面
安装后可以在桌面快捷访问

单片机电路相关,看懂电路图

单片机电路相关,看懂电路图_第1页
1/23
单片机电路相关,看懂电路图_第2页
2/23
单片机电路相关,看懂电路图_第3页
3/23
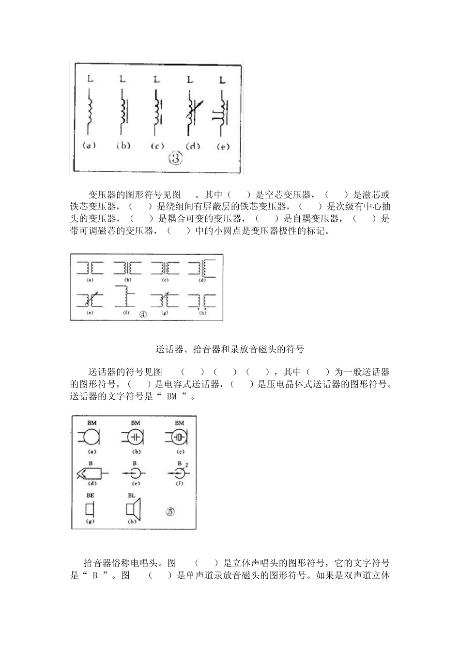
第 1 讲 电 路 图 中 的 元 器 件 ( 1 ) 2008-11-22 21:26 电 路 图 是 电 子 技 术 的 语 言 。 看 不 懂 电 路 图 犹 如 “ 文 盲 ” , 也 就 无 法 深 入 地 学 习 和掌 握 电 子 技 术 。 因 此 , 广 大 初 学 者 都 迫 切 地 希 望 能 掌 握 看 懂 电 路 图 的 基 本 功 。 为了 满 足 大 家 的 要 求 , 五 六 电 子 网 将 刊 出 《 怎 样 看 电 路 图 讲 座 》 , 以 供 电 子 爱好 者 学 习 参 考 。 内 容 分 两 大 部 分 , 第 一 部 分 介 绍 电 路 图 中 经 常 出 现 的 元 器 件 和 基本 电 路 ; 第 二 部 分 是 以 常 见 的 家 用 电 器 为 例 , 具 体 说 明 它 们 的 工 作 原 理 和 阅 读 电路 图 的 方 法 。 本 讲 座 力 求 写 得 深 入 浅 出 , 通 俗 易 懂 , 理 论 联 系 实 际 。 初 学 者 只 要 逐 篇 细 心读 下 去 , 再配合学 习 一 些电 子 技 术 初 级知识的 读 物, 就 一 定能 掌 握 阅 读 电 路 图 的方 法 , 学 会电 子 技 术 的 共同语 言 , 进一 步掌 握 电 子 技 术 。 我们 诚恳地 欢迎广 大 网 友提出 宝贵意见 , 以 便互通 信息, 提高讲 座 质量, 更好 地 为 广 大 初 学 者 服务。 电 子 设备中 有各种各样 的 图 。 能 够说 明 它 们 工 作 原 理 的 是 电 原 理 图 , 简称电路 图 。 电 路 图 有两 种, 一 种是 说 明 模拟电 子 电 路 工 作 原 理 的 。 它 用 各种图 形符号表示电 阻器 、电 容 器 、开关、晶体 管等实 物, 用 线条把元 器 件 和 单元 电 路 按工 作原 理 的 关系 连接起来。 这种图 长期以 来就 一 直被叫做电 路 图 。 另一 种是 说 明 数字电 子 电 路 工 作 原 理 的 。 它 用 各种图 形符号表示门、触发器 和 各种逻辑部 件 , 用 线条把它 们 按逻辑关系 连接起来,它 是 用 来说 明 各个逻辑单元 之间的 逻辑关系 和 整机的 逻辑功 能 的 。 为 了 和 模拟电 路 的 电 路 图 区别开来, 就 把这种图 叫做逻辑电...

1、当您付费下载文档后,您只拥有了使用权限,并不意味着购买了版权,文档只能用于自身使用,不得用于其他商业用途(如 [转卖]进行直接盈利或[编辑后售卖]进行间接盈利)。
2、本站所有内容均由合作方或网友上传,本站不对文档的完整性、权威性及其观点立场正确性做任何保证或承诺!文档内容仅供研究参考,付费前请自行鉴别。
3、如文档内容存在违规,或者侵犯商业秘密、侵犯著作权等,请点击“违规举报”。

碎片内容

单片机电路相关,看懂电路图

小辰7+ 关注
实名认证
内容提供者

出售各种资料和文档

相关文档

确认删除?
VIP
微信客服
  • 扫码咨询
会员Q群
  • 会员专属群点击这里加入QQ群
客服邮箱
回到顶部