电脑桌面
添加小米粒文库到电脑桌面
安装后可以在桌面快捷访问

危险化学品建设项目安全条件审查申请书(安监总厅管三〔2012〕132号附件)

危险化学品建设项目安全条件审查申请书(安监总厅管三〔2012〕132号附件)_第1页
1/6
危险化学品建设项目安全条件审查申请书(安监总厅管三〔2012〕132号附件)_第2页
2/6
危险化学品建设项目安全条件审查申请书(安监总厅管三〔2012〕132号附件)_第3页
3/6
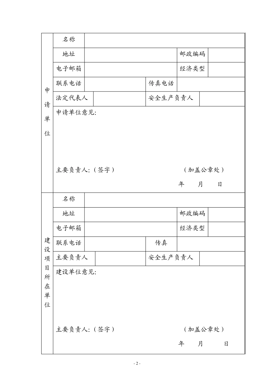
- 1 - 危险化学品建设项目安全条件审查申请书 项目名称 申请单位 经 办 人 联系电话 填写日期 - 2 - 申请单位 名称 地址 邮政编码 电子邮箱 经济类型 联系电话 传真电话 法定代表人 安全生产负责人 申请单位意见: 主要负责人:(签字) (加盖公章处) 年 月 日 建设项目所在单位 名称 地址 邮政编码 电子邮箱 经济类型 联系电话 传真 主要负责人 安全生产负责人 建设单位意见: 主要负责人:(签字) (加盖公章处) 年 月 日 - 3 - 建设项目可行性研究单位 单位名称 联系电话 通讯地址 邮政编码 法定代表人 项目负责人 建设项目安全评价单位 单位名称 联系电话 通讯地址 邮政编码 资质等级 资质证书编号 法定代表人 项目负责人 建设项目基本概况(项目性质、规模等): 项目类型 建设地址 总投资 万元 安全投资 万元 - 4 - 工艺流程简介(包括涉及重点监管危险化工工艺、重点监管危险化学品或者危险化学品重大危险源情况): 技术及来源简介(国内首次使用的化工工艺,其安全可靠性论证情况): 建设项目主要装置、设施简介: 建设项目生产、储存区周边状况: - 5 - 申请文件、材料清单(在“□”中用“√”勾选 ): □建设项目安全条件审查申请书及文件; □建设项目安全条件论证报告; □建设项目安全评价报告; □建设项目批准、核准或者备案文件和规划相关文件(复制件); □工商行政管理部门颁发的企业营业执照或者企业名称预先核准通知书(复制件)。 - 6 - 危险化学品建设项目安全条件审查申请书填写说明 一、本申请书可以用钢笔、签字笔填写,字迹要清晰、工整;也可以用打印机打印四号字文本,但“负责人签字”必须由负责人本人用钢笔、签字笔签署姓名。 二、本申请书“申请单位”是指《危险化学品建设项目安全监督管理办法》(国家安全监管总局令第45 号)规定的建设单位,“建设项目所在单位”是指“申请单位”依法设立的分支机构。 三、本申请书封面中,“项目名称”栏,填写需要政府或者投资主管部门审批或者核准、备案的建设项目名称;“申请单位”栏,填写申请单位“企业法人营业执照”或者“营业执照”、“企业名称预先核准通知书”上的企业名称。 四、本申请书“申请单位”和“建设项目所在单位”栏目中的“名称”和“地址”,分别填写申请单位和建设项目所在单位“企业法人营业执照”或者“营业执照”、“企业名称预先...

1、当您付费下载文档后,您只拥有了使用权限,并不意味着购买了版权,文档只能用于自身使用,不得用于其他商业用途(如 [转卖]进行直接盈利或[编辑后售卖]进行间接盈利)。
2、本站所有内容均由合作方或网友上传,本站不对文档的完整性、权威性及其观点立场正确性做任何保证或承诺!文档内容仅供研究参考,付费前请自行鉴别。
3、如文档内容存在违规,或者侵犯商业秘密、侵犯著作权等,请点击“违规举报”。

碎片内容

危险化学品建设项目安全条件审查申请书(安监总厅管三〔2012〕132号附件)

小辰2+ 关注
实名认证
内容提供者

出售各种资料和文档

确认删除?
VIP
微信客服
  • 扫码咨询
会员Q群
  • 会员专属群点击这里加入QQ群
客服邮箱
回到顶部