电脑桌面
添加小米粒文库到电脑桌面
安装后可以在桌面快捷访问

危险化工工艺安全控制要求重点监控参数及推荐的控制方案

危险化工工艺安全控制要求重点监控参数及推荐的控制方案_第1页
1/34
危险化工工艺安全控制要求重点监控参数及推荐的控制方案_第2页
2/34
危险化工工艺安全控制要求重点监控参数及推荐的控制方案_第3页
3/34
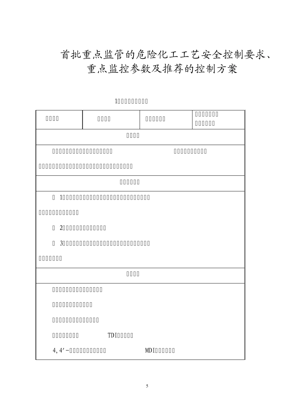
5 首批重点监管的危险化工工艺安全控制要求、 重点监控参数及推荐的控制方案 1、光气及光气化工艺 反应类型 放热反应 重点监控单元 光气化反应釜、光气储运单元 工艺简介 光气及光气化工艺包含光气的制备工艺,以及以光气为原料制备光气化产品的工艺路线,光气化工艺主要分为气相和液相两种。 工艺危险特点 ( 1)光气为剧毒气体,在储运、使用过程中发生泄漏后,易造成大面积污染、中毒事故; ( 2)反应介质具有燃爆危险性; ( 3)副产物氯化氢具有腐蚀性,易造成设备和管线泄漏使人员发生中毒事故。 典型工艺 一氧化碳与氯气的反应得到光气; 光气合成双光气、三光气; 采用光气作单体合成聚碳酸酯; 甲苯二异氰酸酯(TDI)的制备; 4,4'-二苯基甲烷二异氰酸酯(MDI)的制备等。 6 重点监控工艺参数 一氧化碳、氯气含水量;反应釜温度、压力;反应物质的配料比;光气进料速度;冷却系统中冷却介质的温度、压力、流量等。 安全控制的基本要求 事故紧急切断阀;紧急冷却系统;反应釜温度、压力报警联锁;局部排风设施;有毒气体回收及处理系统;自动泄压装臵;自动氨或碱液喷淋装臵;光气、氯气、一氧化碳监测及超限报警;双电源供电。 宜采用的控制方式 光气及光气化生产系统一旦出现异常现象或发生光气及其剧毒产品泄漏事故时,应通过自控联锁装臵启动紧急停车并自动切断所有进出生产装臵的物料,将反应装臵迅速冷却降温,同时将发生事故设备内的剧毒物料导入事故槽内,开启氨水、稀碱液喷淋,启动通风排毒系统,将事故部位的有毒气体排至处理系统。 2、电解工艺(氯碱) 7 反应类型 吸热反应 重点监控单元 电解槽、 氯气储运单元 工艺简介 电流通过电解质溶液或熔融电解质时,在两个极上所引起的化学变化称为电解反应。涉及电解反应的工艺过程为电解工艺。许多基本化学工业产品(氢、氧、氯、烧碱、过氧化氢等)的制备,都是通过电解来实现的。 工艺危险特点 ( 1)电解食盐水过程中产生的氢气是极易燃烧的气体,氯气是氧化性很强的剧毒气体,两种气体混合极易发生爆炸,当氯气中含氢量达到5%以上,则随时可能在光照或受热情况下发生爆炸; ( 2)如果盐水中存在的铵盐超标,在适宜的条件(pH<4.5)下,铵盐和氯作用可生成氯化铵,浓氯化铵溶液与氯还可生成黄色油状的三氯化氮。三氯化氮是一种爆炸性物质,与许多有机物接触或加热至90℃以上以及被撞击、摩擦等,即发生剧烈的分解而爆炸; ( 3...

1、当您付费下载文档后,您只拥有了使用权限,并不意味着购买了版权,文档只能用于自身使用,不得用于其他商业用途(如 [转卖]进行直接盈利或[编辑后售卖]进行间接盈利)。
2、本站所有内容均由合作方或网友上传,本站不对文档的完整性、权威性及其观点立场正确性做任何保证或承诺!文档内容仅供研究参考,付费前请自行鉴别。
3、如文档内容存在违规,或者侵犯商业秘密、侵犯著作权等,请点击“违规举报”。

碎片内容

危险化工工艺安全控制要求重点监控参数及推荐的控制方案

您可能关注的文档

确认删除?
VIP
微信客服
  • 扫码咨询
会员Q群
  • 会员专属群点击这里加入QQ群
客服邮箱
回到顶部