电脑桌面
添加小米粒文库到电脑桌面
安装后可以在桌面快捷访问

压力管道设计常用标准规范目录

压力管道设计常用标准规范目录_第1页
1/6
压力管道设计常用标准规范目录_第2页
2/6
压力管道设计常用标准规范目录_第3页
3/6
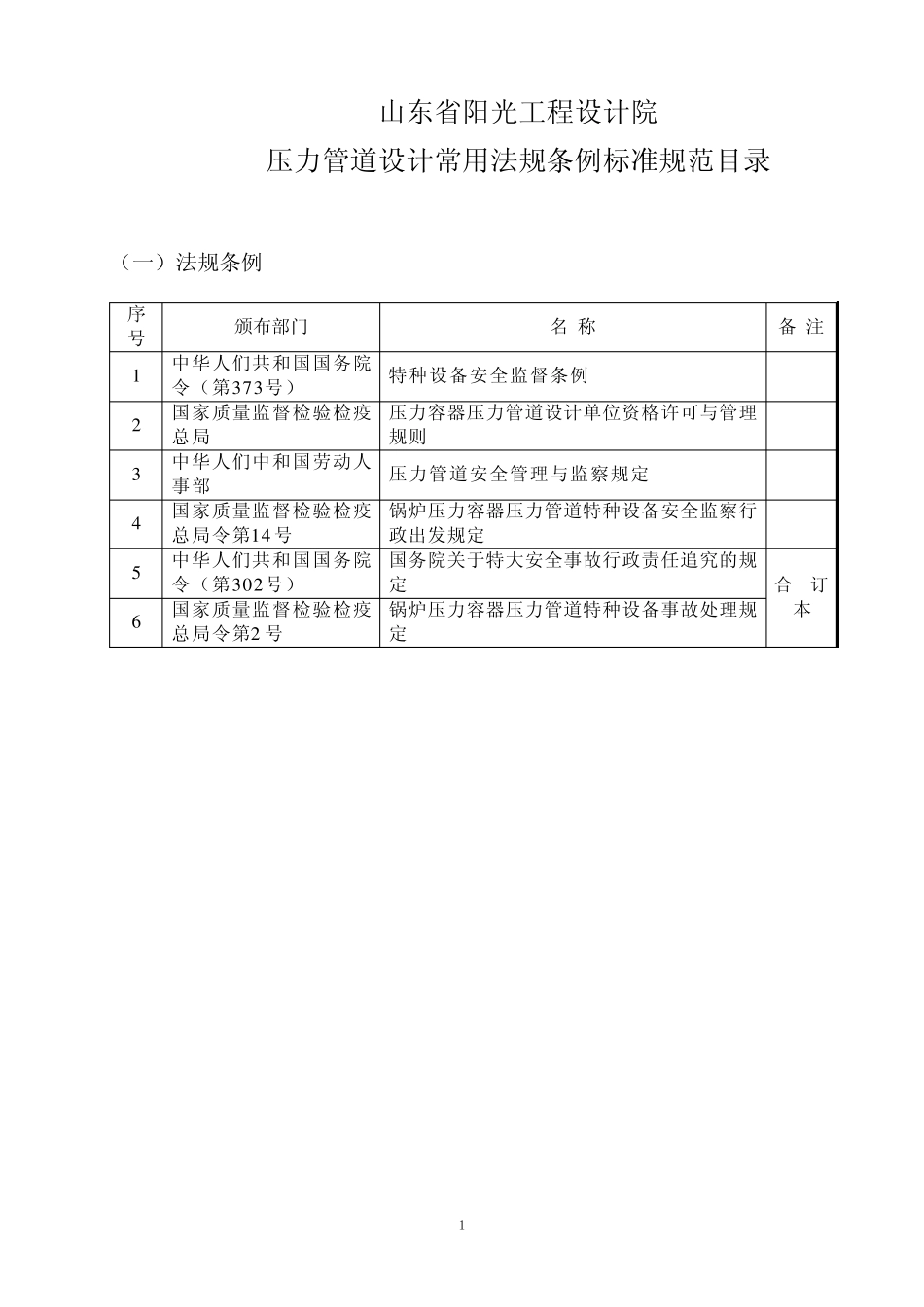
1 山东省阳光工程设计院 压力管道设计常用法规条例标准规范目录 (一)法规条例 序号 颁布部门 名 称 备 注 1 中华人们共和国国务院令(第3 7 3 号) 特种设备安全监督条例 2 国家质量监督检验检疫总局 压力容器压力管道设计单位资格许可与管理规则 3 中华人们中和国劳动人事部 压力管道安全管理与监察规定 4 国家质量监督检验检疫总局令第1 4 号 锅炉压力容器压力管道特种设备安全监察行政出发规定 5 中华人们共和国国务院令(第3 0 2 号) 国务院关于特大安全事故行政责任追究的规定 合订本 6 国家质量监督检验检疫总局令第2 号 锅炉压力容器压力管道特种设备事故处理规定 2 (二)设计标准 序号 标 准 编 号 标 准 规 范 名 称 备 注 1 GB50016-2006 建筑设计防火规范 2 GB50316-2000 工业金属管道设计规范 3 GB50264-97 工业设备及管道绝热工程设计规范 4 GB50032-2003 室外给水排水和燃气热力工程抗震设计规范 5 GB50029-2003 压缩空气站设计规范 6 GB50028-2006 城镇燃气设计规范 7 GB50041-92 锅炉房设计规范 8 GB50265-97 泵站设计规范 9 GB/T 20801-2006 压力管道规范 工业管道 10 DL 5000-2000 火力发电厂设计技术规程 11 DL /T 5054-96 火力发电厂汽水管道设计技术规定 12 DL /T 5182-2004 火力发电厂热工自动化设计技术规定 13 DL /T 561-95 火力发电厂水汽化学监督导则 14 DL 612-1996 电站工业锅炉压力容器监督规程 15 DL /T 709-1999 压力钢管安全检测技术规程 16 DL /T 712-2000 火力发电厂凝汽器管选材导则 17 DL /T 715-2000 火力发电厂金属材料选用导则 18 DL /T 716-2000 电站隔膜阀选用导则 19 DL /T 776-2000 火力发电厂保温材料技术条件 20 DL /T 850-2004 电站配管 21 DL /T 5072-1997 火力发电厂保温油漆设计规程 22 CJJ34-2002 城市热力网设计规范 23 CJJ/T 88-2000 城镇供热系统安全运行技术规程 24 CJJ/T 81-98 城镇直埋供热管道工程技术规范 25 GB/T 4272-92 设备及管道保温技术通则 26 GB/T 9174-88 设备及管道保温效果的测试与评价 27 GB/T 8175-87 设备及管道保温设计导则 28 GB/T 11790-1996 设备及管道保冷技术通则 3 (三)施工标准 序号 标 准 编 号 标 准 规 范 名 称 备 注 1 GB50231-98 机械设备安装工程...

1、当您付费下载文档后,您只拥有了使用权限,并不意味着购买了版权,文档只能用于自身使用,不得用于其他商业用途(如 [转卖]进行直接盈利或[编辑后售卖]进行间接盈利)。
2、本站所有内容均由合作方或网友上传,本站不对文档的完整性、权威性及其观点立场正确性做任何保证或承诺!文档内容仅供研究参考,付费前请自行鉴别。
3、如文档内容存在违规,或者侵犯商业秘密、侵犯著作权等,请点击“违规举报”。

碎片内容

压力管道设计常用标准规范目录

确认删除?
VIP
微信客服
  • 扫码咨询
会员Q群
  • 会员专属群点击这里加入QQ群
客服邮箱
回到顶部