电脑桌面
添加小米粒文库到电脑桌面
安装后可以在桌面快捷访问

压缩空气系统质量风险评估

压缩空气系统质量风险评估_第1页
1/19
压缩空气系统质量风险评估_第2页
2/19
压缩空气系统质量风险评估_第3页
3/19
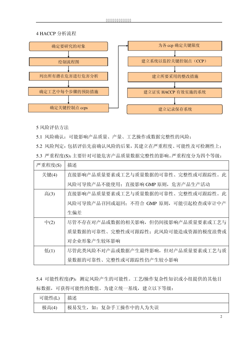
压缩空气系统质量风险评估 山东泰谊制药有限公司 2011年 低可测性 高风险 高可测性 低风险 风险=可能性×严重性×可检测性 RPN=S× P× D 压缩空气系统质量风险评估 1 压缩空气系统风险评估 1.概念: 1.1质量风险:指质量危害出现的可能性和严重性的结合。 2.质量风险管理的程序: 3、风险矩阵图 高 中 危害发生的可能性(F) 危害严重性(S) 低 中 高 高 低 中 高 低 低 中 低 中 高 启动风险管理过程 风险识别 风险分析 风险评价 风险降低 风险接受 事件评审 质量风险管理程序的输出/结果 风险管理工具 风险沟通 风险评估 风险评审 不接受 风险控制 压缩空气系统质量风险评估 2 4 HACCP 分析流程 5 风险评估方法 5.1 风险确认:可能影响产品质量、产量、工艺操作或数据完整性的风险; 5.2 风险判定:包括评估先前确认风险的后果,其建立在严重程度、可能性及可检测性上; 5.3 严重程度(S):主要针对可能危害产品质量数据完整性的影响。严重程度分为四个等级: 严重程度(S) 描述 关键(4) 直接影响产品质量要素或工艺与质量数据的可靠性、完整性或可跟踪性。此风险可导致产品不能使用;直接影响GMP 原则,危害产品生产活动 高(3) 直接影响产品质量要素或工艺与质量数据的可靠性、完整性或可跟踪性。此风险可导致产品召回或退回;不符合 GMP 原则,可能引起检查或审计中产生偏差 中(2) 尽管不存在对产品或数据的相关影响,但仍间接影响产品质量要素或工艺与质量数据的可靠性、完整性或可跟踪性;此风险可能造成资源的极度浪费或对企业形象产生较坏影响 低(1) 尽管此类风险不对产品或数据产生最终影响,但对产品质量要素或工艺与质量数据的可靠性、完整性或可跟踪性仍产生较小影响 5.4 可能性程度(P):测定风险产生的可能性。工艺/操作复杂性知识或小组提供的其他目标数据,可获得可能性的数值。为建立统一基线,建立以下等级: 可能性(L) 描述 极高(4) 极易发生,如:复杂手工操作中的人为失误 为各 ccp 确定关键限度 建立系统以监控关键控制点(CCP) 建立所要采用的整改措施 建立证实 HACCP 有效实施的系统 建立记录保存系统 确定工艺中每个步骤的预防措施 确定要研究的对象 绘制流程图 列出所有潜在危害进行危害分析 确定关键控制点 ccps 压缩空气系统质量风险评估 3 高(3) 偶尔发生,如:简单手工操作中因习惯造成的人为失误 中(2) 很少发...

1、当您付费下载文档后,您只拥有了使用权限,并不意味着购买了版权,文档只能用于自身使用,不得用于其他商业用途(如 [转卖]进行直接盈利或[编辑后售卖]进行间接盈利)。
2、本站所有内容均由合作方或网友上传,本站不对文档的完整性、权威性及其观点立场正确性做任何保证或承诺!文档内容仅供研究参考,付费前请自行鉴别。
3、如文档内容存在违规,或者侵犯商业秘密、侵犯著作权等,请点击“违规举报”。

碎片内容

压缩空气系统质量风险评估

您可能关注的文档

小辰+ 关注
实名认证
内容提供者

出售各种文档和资料

确认删除?
VIP
微信客服
  • 扫码咨询
会员Q群
  • 会员专属群点击这里加入QQ群
客服邮箱
回到顶部