电脑桌面
添加小米粒文库到电脑桌面
安装后可以在桌面快捷访问

原子荧光及形态分析仪技术发展及应用

原子荧光及形态分析仪技术发展及应用_第1页
1/9
原子荧光及形态分析仪技术发展及应用_第2页
2/9
原子荧光及形态分析仪技术发展及应用_第3页
3/9
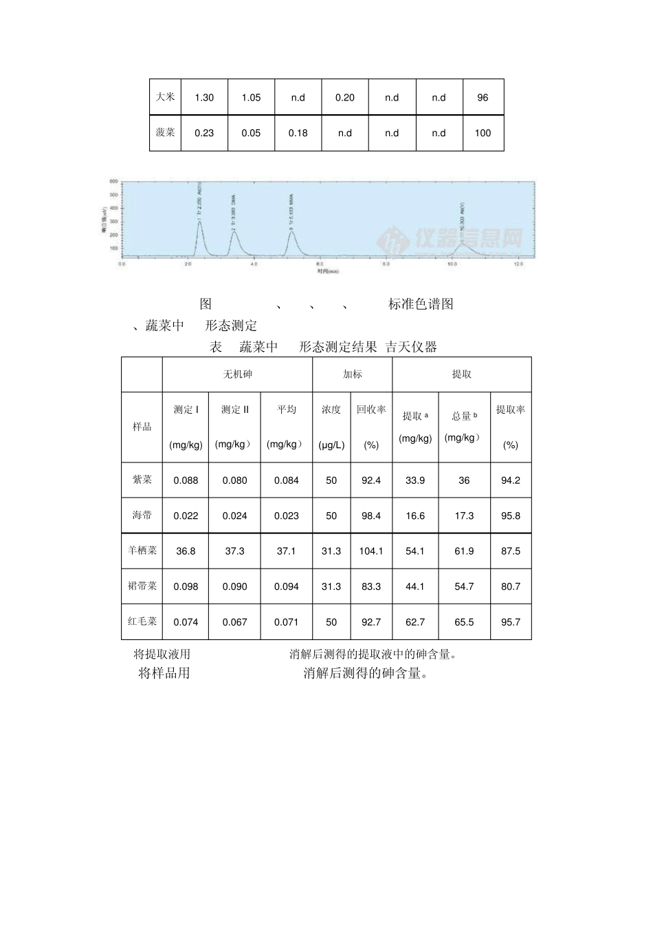
原子荧光及形态分析仪技术发展及应用 同一元素的不同形态具有不同的物理化学性质和生物活性,如:无机砷化合物的毒性比较大,有机砷化合物的毒性较小或者基本没有毒性。因此,对于某些元素,只了解总量是不够的,我们在了解总量的同时,更希望了解某元素的形态组成,“元素形态分析”作为一个崭新的应用研究领域应运而生。痕(微)量元素的化学形态信息在环境科学、生物医学、中医医学、食品科学、营养学、微量元素医学以及商品中有毒元素限量新标准等研究领域中起着非常重要的作用。 经过近三十多年发展,元素形态分析目前已经成为分析科学领域的一个重要分支。元素形态分析,传统化学法用的比较少,使用较多的是仪器联机分析方法,其实质是分离技术与检测技术的联用。所使用的联机分析法主要是液相色谱(LC)、气相色谱(GC)、毛细管电泳(CE)、离子色谱(IC)等分离设备和电感耦合等离子体质谱(ICP-MS)、电感耦合等离子体发射光谱仪(ICP-OES)、原子荧光(AFS)、原子吸收(AAS)等元素检测仪器联用。随着有机质谱的发展,GC-MS和LC-MS/MS也越来越多地应用于元素形态分析。 AFS是中国具有自主知识产权的分析仪器,具有分析灵敏度高、线性范围宽、光谱干扰及化学干扰少、仪器结构简单、成本低廉、易于维护等优点。LC-AFS是近几年快速发展起来的一种联用技术,主要仪器生产厂商有7家:北京吉天仪器有限公司、北京瑞利分析仪器有限公司、北京普析通用仪器有限责任公司、北京海光仪器公司、北京金索坤技术开发有限公司、北京锐光仪器有限公司、北京凯迪瑞分析仪器有限公司。将来,相信还会有更多的仪器厂家加入到这个行列当中。 日前,仪器信息网编辑就原子荧光形态分析技术与市场、标准等问题,采访了相关专家及仪器厂商。 原子荧光形态分析技术的优势与不足 就像前言中所说,目前元素形态分析多用仪器联机分析方法。其中,国内外比较认可 LC-ICP-MS联用方法。ICP-MS方法灵敏度高、选择性强、检出限佳、可以时测定多种元素,是元素形态分析的有力检测工具。但是,ICP-MS仪器主要依靠进口、成本高、运行费用也高,目前,将其作为形态分析的常规检测手段尚不具备条件。 As、Hg、Se、Sb等元素的主要荧光谱线介于200~290nm之间,正好是日盲光电倍增管灵敏度最好波段,即处于AFS最佳的检测波长范围之内。另一方面,这些元素可以形成气态化合物,与大量的基体相分离,从而大大降低了基体干扰;而且,与溶液直接喷雾进样相比,蒸气发生进样技术(VG)能将待测元素...

1、当您付费下载文档后,您只拥有了使用权限,并不意味着购买了版权,文档只能用于自身使用,不得用于其他商业用途(如 [转卖]进行直接盈利或[编辑后售卖]进行间接盈利)。
2、本站所有内容均由合作方或网友上传,本站不对文档的完整性、权威性及其观点立场正确性做任何保证或承诺!文档内容仅供研究参考,付费前请自行鉴别。
3、如文档内容存在违规,或者侵犯商业秘密、侵犯著作权等,请点击“违规举报”。

碎片内容

原子荧光及形态分析仪技术发展及应用

您可能关注的文档

确认删除?
VIP
微信客服
  • 扫码咨询
会员Q群
  • 会员专属群点击这里加入QQ群
客服邮箱
回到顶部