电脑桌面
添加小米粒文库到电脑桌面
安装后可以在桌面快捷访问

双作用气缸的速度控制

双作用气缸的速度控制_第1页
1/18
双作用气缸的速度控制_第2页
2/18
双作用气缸的速度控制_第3页
3/18
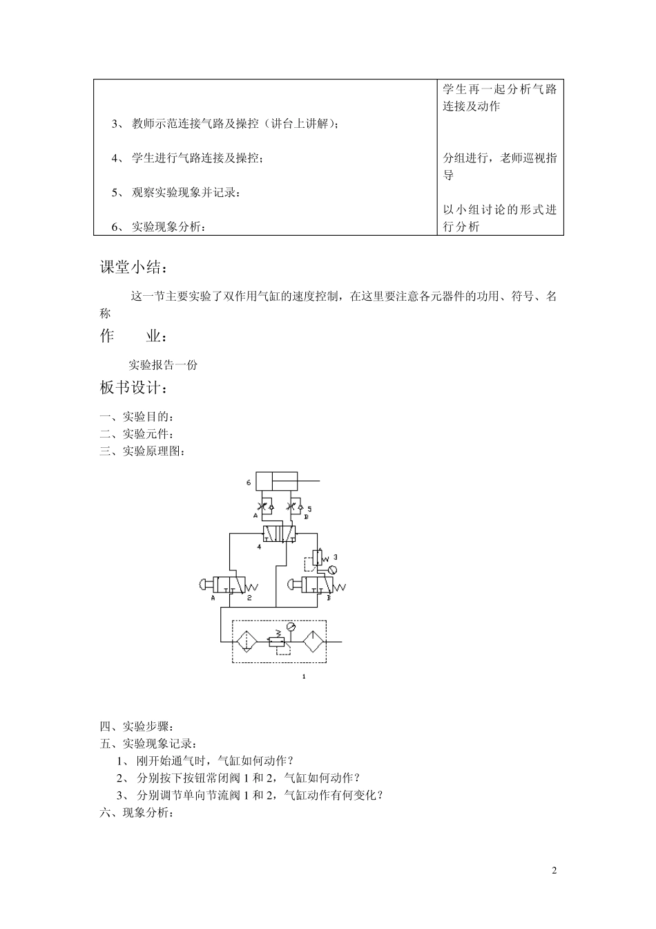
1 双作用气缸的速度控制 教学目标: 1 、 知识与技能 1 )、掌握各元件的名称、符号、功用; 2 )、读懂原理图,并利用原理图连接气路; 3 )、通过气路连接、控制,了解元件的工作原理; 2 、过程与方法: 首先讲解各元器件的名称、符号、功用和原理图;其次通过老师的连接演示,启发学生;然后由学生自己动手进行气路连接和操作,通过实验由学生自己分析实验现象,进行总结。 3 、 情感态度价值观: 培养学生分析问题,解决问题的能力。 教学重点: 1 、 各元器件的名称、符号、功用; 2 、 气路连接 3 、 现象分析 教学难点: 气路连接及现象分析 教学方法: 讲授、演示、实操 课时安排: 2 课时 课前准备: 各实验实训用元件 教学过程: 师生活动 课题引入: 上节课我们从理论上认识了气动元件,这节课我们进行实际的气动连接及操作 新课讲授: 1 、 以实物为学生讲解各元器件的名称、功用、符号,为下一步读图准备; 2 、 根据上面元器件的讲解,开始分析原理图,为气路连接准备; 要求学生先分析原理图中的各元器件并找出对应的实物,老师与 2 3 、 教师示范连接气路及操控(讲台上讲解); 4 、 学生进行气路连接及操控; 5 、 观察实验现象并记录: 6 、 实验现象分析: 学生再一起分析气路连接及动作 分组进行,老师巡视指导 以小组讨论的形式进行分析 课堂小结: 这一节主要实验了双作用气缸的速度控制,在这里要注意各元器件的功用、符号、名称 作 业: 实验报告一份 板书设计: 一、实验目的: 二、实验元件: 三、实验原理图: 四、实验步骤: 五、实验现象记录: 1 、 刚开始通气时,气缸如何动作? 2 、 分别按下按钮常闭阀 1 和 2 ,气缸如何动作? 3 、 分别调节单向节流阀 1 和 2 ,气缸动作有何变化? 六、现象分析: 3 双作用气缸的与逻辑功能控制 教学目标: 2 、 知识与技能 1 )、掌握各元件的名称、符号、功用; 2 )、读懂原理图,并利用原理图连接气路; 3 )、理解与逻辑功能; 2 、过程与方法: 首先讲解各元器件的名称、符号、功用和原理图;其次通过老师的连接演示,启发学生;然后由学生自己动手进行气路连接和操作,通过实验由学生自己分析实验现象,进行总结。 4 、 情感态度价值观: 培养学生分析问题,解决问题的能力。 教学重点: 4 、 各元器件的名称、符号、功用; 5 、 气路连...

1、当您付费下载文档后,您只拥有了使用权限,并不意味着购买了版权,文档只能用于自身使用,不得用于其他商业用途(如 [转卖]进行直接盈利或[编辑后售卖]进行间接盈利)。
2、本站所有内容均由合作方或网友上传,本站不对文档的完整性、权威性及其观点立场正确性做任何保证或承诺!文档内容仅供研究参考,付费前请自行鉴别。
3、如文档内容存在违规,或者侵犯商业秘密、侵犯著作权等,请点击“违规举报”。

碎片内容

双作用气缸的速度控制

小辰7+ 关注
实名认证
内容提供者

出售各种资料和文档

确认删除?
VIP
微信客服
  • 扫码咨询
会员Q群
  • 会员专属群点击这里加入QQ群
客服邮箱
回到顶部