电脑桌面
添加小米粒文库到电脑桌面
安装后可以在桌面快捷访问

ISD语音模块资料VIP专享

ISD语音模块资料_第1页
1/5
ISD语音模块资料_第2页
2/5
ISD语音模块资料_第3页
3/5
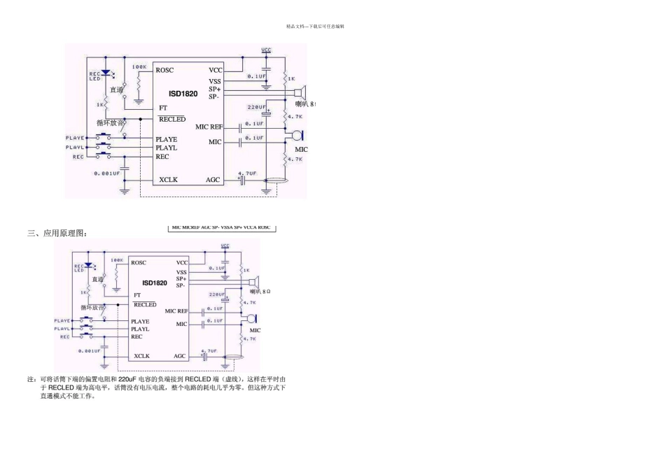
精品文档---下载后可任意编辑精品文档---下载后可任意编辑精品文档---下载后可任意编辑ISD1820 喊话录放模块一、尺寸:50MM*40MM*15MM二、主要芯片:ISD1820三、工作电压:直流 3~5V四、主要特点1、使用方便的 10 秒语音录放2、高质量、自然的语音还原3、可用作喊话器模块4、带循环播放,点动播放,单遍播放功能5、可用单片机控制带音频功放的 20 秒语音录放模块 这是一款功能非常齐全的语音录放模块,已经把 ISD1820 的所有功能都做上了,并且还设计了 LM386 音频功放电路。模块大小为 4.1*6.1CM 非常小巧,使用 3~5V 的直流电压,设计有电源插座,极性内正外负不要搞错。带音频功放的 20 秒语音录放模块 每个 22 元精品文档---下载后可任意编辑 板上的 REC 是录音按键,按住就能录音,松开按键停止录音; RLAYE 是触发模式放音,按一下就播放当前整段的语音;PLAYL 是点动模式放音,按住才放音,松开就停止放音; 板上的 RPL 拨动开关是循环播放模式控制,位于 0N 端就循环播放; FT 拨动开关是直通模式控制,位于 ON 端咪头语音就直通到喇叭(不经功放); 话筒经过一根 20 厘米的线用接插件接入模块,话筒和外壳连接的是负极,直通模式时尽量远离喇叭,防止啸叫。模块有 SP1 和 SP2 两个喇叭接口,SP1 是 1820 芯片直接输出的音频音量不大,SP2 的功能是将录音放大播出,经过 LM386 功率放大的语音一般可以驱动 5W 以内的 8 欧姆喇叭,实际音量和喇叭的效率、是否有助声腔有很大关系,裸露的喇叭前后声音相位相反会声短路,所以效率很低。音量可以通过板上的兰白可调电位器调节。 模块不需要单片机就能正常工作,同时也预留了预留 6 针单片机控制口。1820芯片的第 10 脚是 ROSC 采样频率设置电阻,录音时间是随着电阻改变的,比如用 100K 时,录音时间是 10S;用 160K 的电阻时,录音时间是 16S;为了提高音质,本模块采纳 82K 电阻,因此录音时间为。ISD1820P 8~20 秒单段语音电路资料: 一、主要特性 1.自动节电,维持电流 2.边沿/电平触发放音 3.外接电阻调整录音时间(详见附表)单电源工作 二、引脚描述 电源(VCC):芯片内部的模拟和数字电路使用的不同电源总线在此引脚汇合,这样使得噪声最小。去耦合电容应尽量靠近芯片。 地线(VSSA,VSSD):芯片内部的模拟和数字电路的不同地线汇合在这个引脚。 录音(REC):高电平有效,只要 REC 变高精品文...

1、当您付费下载文档后,您只拥有了使用权限,并不意味着购买了版权,文档只能用于自身使用,不得用于其他商业用途(如 [转卖]进行直接盈利或[编辑后售卖]进行间接盈利)。
2、本站所有内容均由合作方或网友上传,本站不对文档的完整性、权威性及其观点立场正确性做任何保证或承诺!文档内容仅供研究参考,付费前请自行鉴别。
3、如文档内容存在违规,或者侵犯商业秘密、侵犯著作权等,请点击“违规举报”。

碎片内容

ISD语音模块资料

确认删除?
VIP
微信客服
  • 扫码咨询
会员Q群
  • 会员专属群点击这里加入QQ群
客服邮箱
回到顶部