电脑桌面
添加小米粒文库到电脑桌面
安装后可以在桌面快捷访问

KV单电源环形网络继电保护课程设计

KV单电源环形网络继电保护课程设计_第1页
1/12
KV单电源环形网络继电保护课程设计_第2页
2/12
KV单电源环形网络继电保护课程设计_第3页
3/12
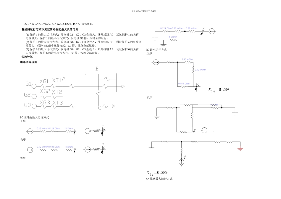
精品文档---下载后可任意编辑《电力系统继电保护》作为电气工程及其自动化专业的一门主要课程,主要包括课堂讲学、课程设计等几个主要部分。在完成了理论的学习的基础上,为了进一步加深对理论知识的理解,本专业特安排了本次课程设计。电能是现代社会中最重要、也是最方便的能源。而发电厂正是把其他形式的能量转换成电能,电能经过变压器和不同电压等级的输电线路输送并被分配给用户,再通过各种用电设备转换成适合用户需要的其他形式的能量。在输送电能的过程中,电力系统希望线路有比较好的可靠性,因此在电力系统受到外界干扰时,保护线路的各种继电装置应该有比较可靠的、及时的保护动作,从而切断故障点极大限度的降低电力系统供电范围。电力系统继电保护就是为达到这个目的而设置的。其中短路电流的计算和电气设备的选择是本设计的重点。通过此次线路保护的设计可以巩固我们本学期所学的《电力系统继电保护》这一课程的理论知识,能提高我们提出问题、思考问题、解决问题的能力。1 运行方式的选择1.1 运行方式的选择原则 发电机、变压器运行方式选择的原则(1)一个发电厂有两台机组时,一般应考虑全停方式,一台检修,另一台故障;当有三台以上机组时,则选择其中两台容量较大机组同时停用的方式。对水电厂,还应根据水库运行方式选择。(2)一个发电厂、变电站的母线上无论接几台变压器,一般应考虑其中容量最大的一台停用。 变压器中性点接地选择原则(1)发电厂、变电所低压侧有电源的变压器,中性点均要接地。(2)自耦型和有绝缘要求的其它变压器,其中性点必须接地。(3)T 接于线路上的变压器,以不接地运行为宜。(4)为防止操作过电压,在操作时应临时将变压器中性点接地,操作完毕后再断开,这种情况不按接地运行考虑。 线路运行方式选择原则(1)一个发电厂、变电站线线上接有多条线路,一般考虑选择一条线路检修,另一条线路又故障的方式。(2)双回路一般不考虑同时停用。 流过保护的最大、电小短路电流计算方式的选择(1)相间保护对单侧电源的辐射形网络,流过保护的最大短路电流出现在最大运行方式;而最小短路电流,则出现在最小运行方式。对于双电源的网络,一般(当取 Z1=Z2 时)与对侧电源的运行方式无关,可按单侧电源的方法选择。对于环状网络中的线路,流过保护的电大短路电流应选取开环运行方式,开环点应选在所整定保护线路的相邻下一线线路上。而对于电小短路电流,则应选闭环运行方式,同时再合理停用该保护背后的机组、变压...

1、当您付费下载文档后,您只拥有了使用权限,并不意味着购买了版权,文档只能用于自身使用,不得用于其他商业用途(如 [转卖]进行直接盈利或[编辑后售卖]进行间接盈利)。
2、本站所有内容均由合作方或网友上传,本站不对文档的完整性、权威性及其观点立场正确性做任何保证或承诺!文档内容仅供研究参考,付费前请自行鉴别。
3、如文档内容存在违规,或者侵犯商业秘密、侵犯著作权等,请点击“违规举报”。

碎片内容

KV单电源环形网络继电保护课程设计

您可能关注的文档

范哲铺+ 关注
实名认证
内容提供者

想你所想,急你所急,你需要的都在店铺里可以找到。

确认删除?
VIP
微信客服
  • 扫码咨询
会员Q群
  • 会员专属群点击这里加入QQ群
客服邮箱
回到顶部